评价报告信息网上公示
项 目 概 况 | 项目名称 | 中国石油化工股份有限公司胜利油田分公司海洋采油厂XBKD481B-1井弃井安全风险评价 | 行业类别 | 海上(石油天然气开采) |
项目业主 | 中国石油化工股份有限公司胜利油田分公司海洋采油厂 | 项目性质 | 其他 | |
项目地址 | 山东省东营市 | |||
项目简介 | XBKD481B-1井位于山东省东营市北部浅海海域,该井下一步对侧钻点以下井段进行封堵弃井,利用原井眼开窗侧钻。 | |||
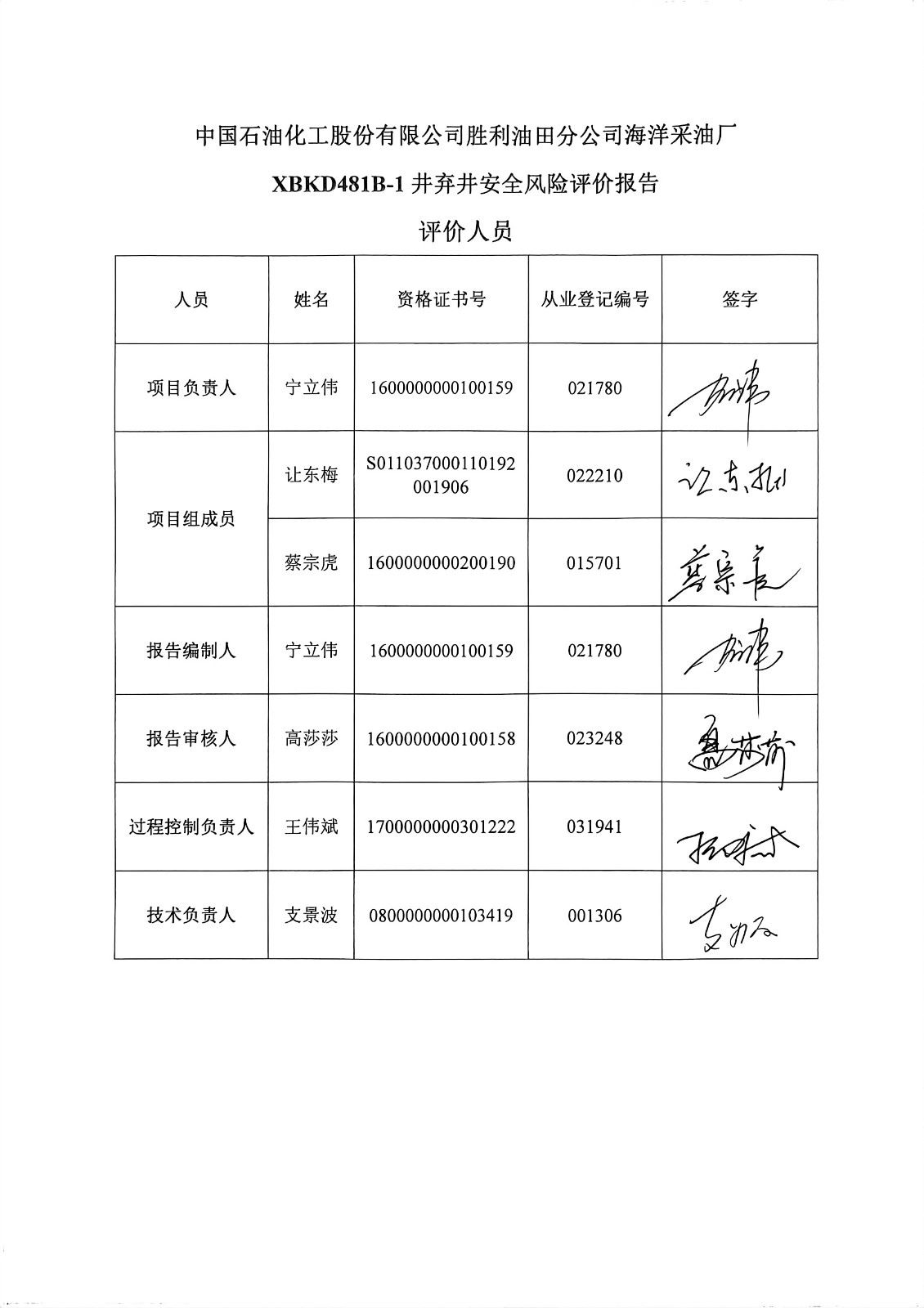
评价 机构 及评 价项 目组 | 评价机构 | 中石化(山东)检测评价研究有限公司 | 机构负责人 | 范路 |
技术负责人 | 支景波 | 过程控制负责人 | 王伟斌 | |
项目评价组长 | 宁立伟 | 报告编制人 | 宁立伟 | |
报告审核人 | 高莎莎 | 项目安全评价师 | 让东梅、蔡宗虎、闫肃肃 | |
参与评价工作的注册安全工程师、技术专家 | 无 | |||
评 价 活 动 主 要 信 息 | 签订合同时间 | 2024年12月01日 | 报告提交时间 | 2024年12月 |
安全评价类型 | 弃井安全安全风险评价 | |||
到现场开展评价活动人员 | 宁立伟 | |||
到现场开展评价活动时间 | 2024年12月06日 | |||
评价机构认为需要公开的其他信息 | 无 | |||
评价结论 | 评价认为,在充分采纳本报告及设计提出的建议措施并严格执行设计和井下作业、井控管理等相关标准和规定的前提下,海洋采油厂XBKD481B-1井的弃井工艺(水泥塞设置的合理性)符合《海洋石油安全管理细则》及相关标准的要求。 | |||




