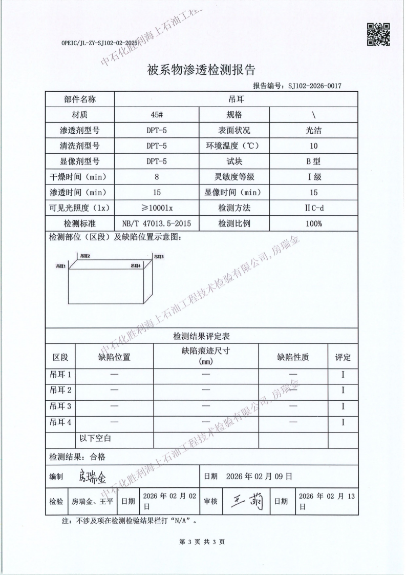
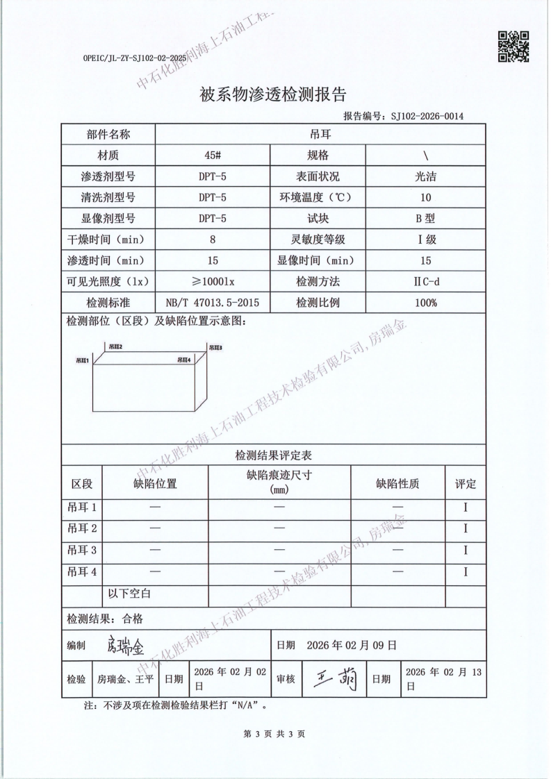
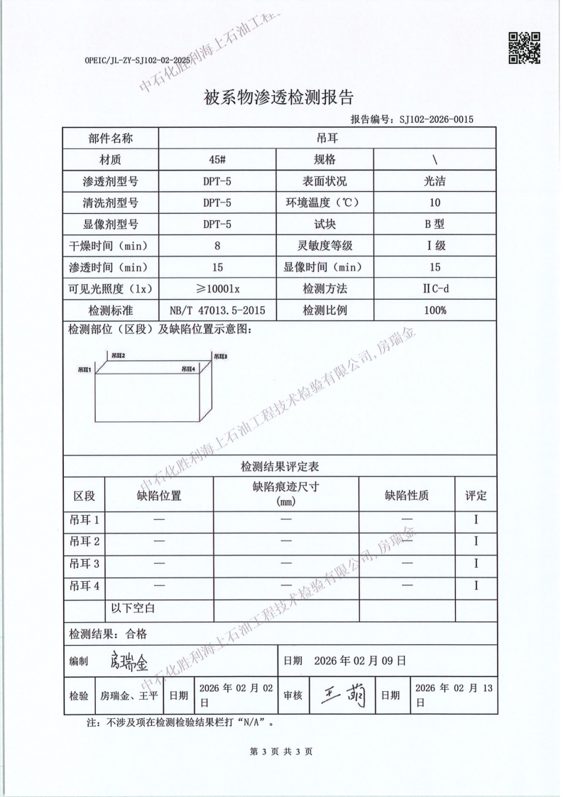
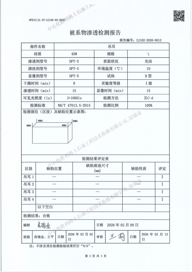
井下作业公司胜利作业四号平台被系物检测检验

石化胜利海上石油工技术检验有限公司

2026年度报告公示

1、使用单位:井下作业公司胜利作业四号平台

2、检验内容:被系物检测检验

3、报告编号:SJ102-2026-(0012~0017,0080)

4、检验日期:2026年02月02日

信息来源: 
2026-03-03