井下作业公司胜利作业七平台被系物检测检验,钻(修)井设备检验,可燃气体、有毒有害气体探测报警系统检测检验

石化胜利海上石油工技术检验有限公司

2026年度报告公示

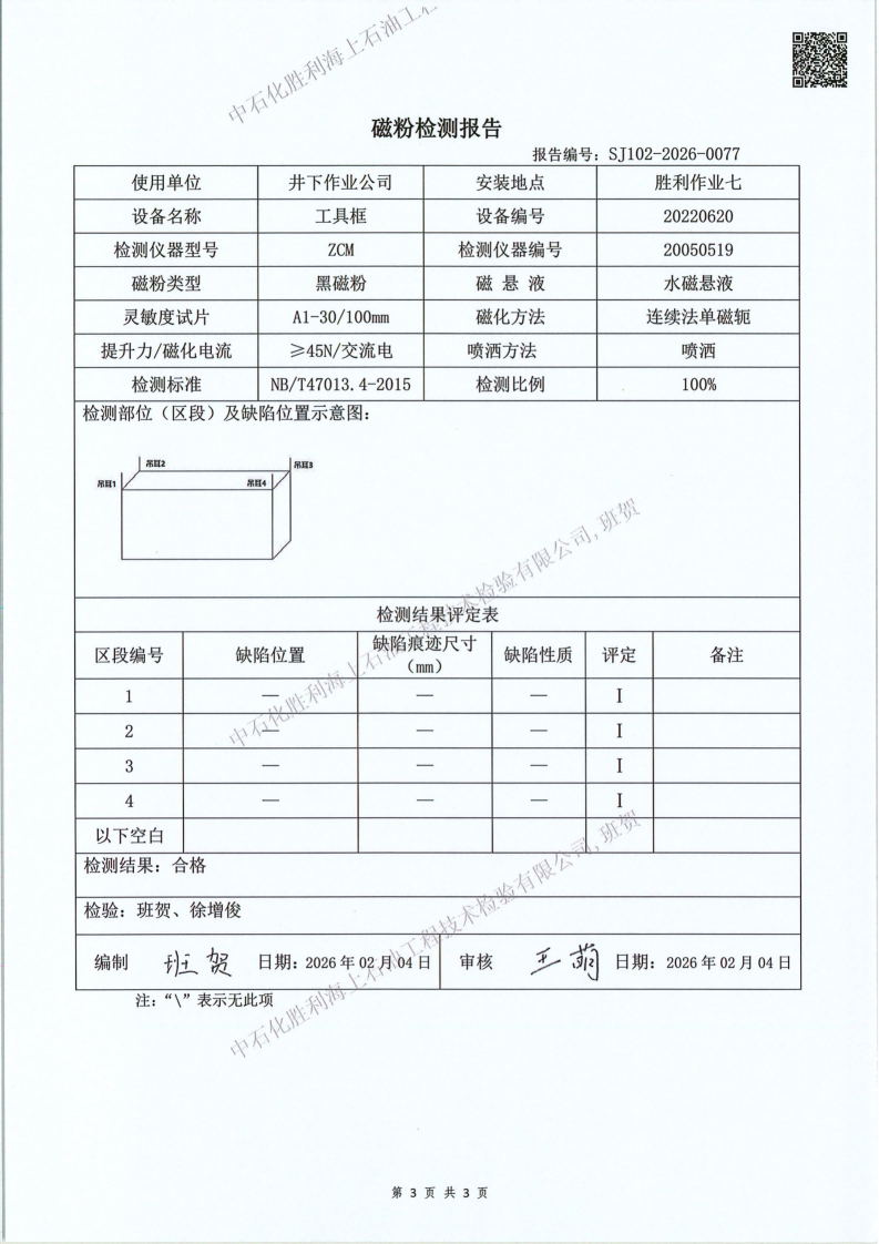
1、使用单位:井下作业公司胜利作业七平台

2、检验内容:被系物检测检验,钻(修)井设备检验,可燃气体、有毒有害气体探测报警系统检测检验

3、报告编号:SJ102-2026-(0071,0074,0077),SJ-25-2026-00023,SJ061-2026-0028

4、检验日期:2026年01月23日

信息来源: 
2026-03-03