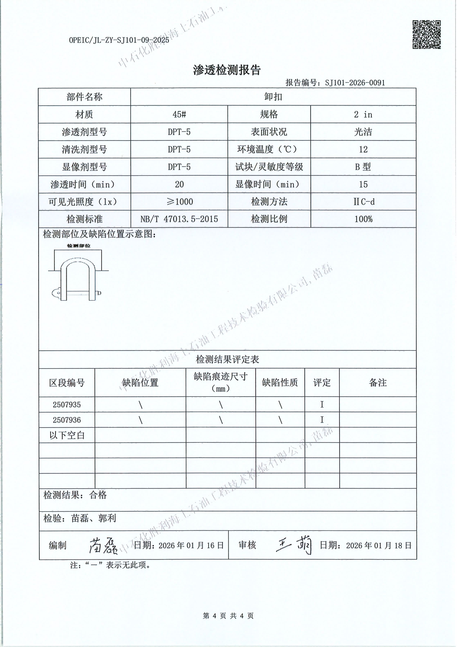
油气井下作业中心河口作业区系物检测检验

石化胜利海上石油工技术检验有限公司

2026年度报告公示

1、使用单位:油气井下作业中心河口作业区

2、检验内容:系物检测检验

3、报告编号:SJ101-2026-(0089,0091)

4、检验日期:2026年01月16日


信息来源: 
2026-02-28