石油工程技术研究院注水工艺研究院系物检测检验

石化胜利海上石油工技术检验有限公司

2026年度报告公示

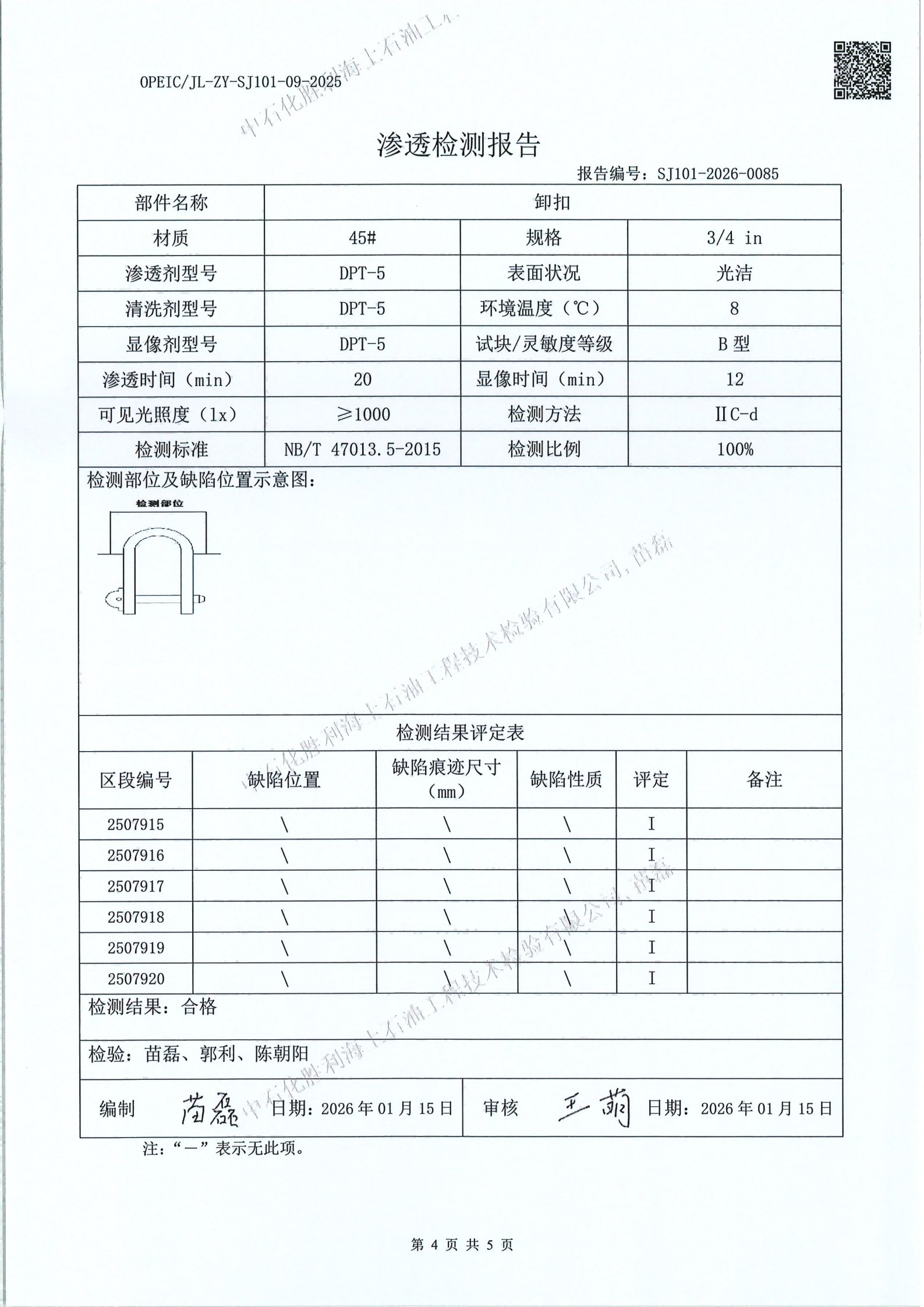
1、使用单位:石油工程技术研究院注水工艺研究院

2、检验内容:系物检测检验

3、报告编号:SJ101-2026-(0081,0083,0085)

4、检验日期:2026年01月14日


信息来源: 
2026-02-28