东营瑞丰石油技术发展有限责任公司系物检验,被系物检验

石化胜利海上石油工技术检验有限公司

2025年度报告公示

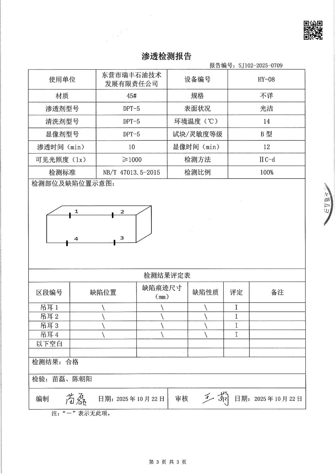
1、使用单位:东营瑞丰石油技术发展有限责任公司

2、检验内容:系物检验,被系物检验

3、报告编号:SJ101-2025-0657,SJ102-2025-(0706,0709)

4、检验日期:2025年10月21日


信息来源: 
2025-12-09