海洋钻井公司海港专业库被系物检验

石化胜利海上石油工技术检验有限公司

2025年度报告公示

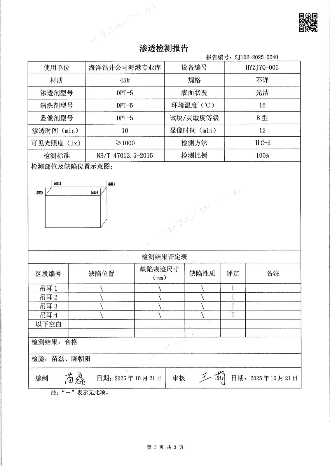
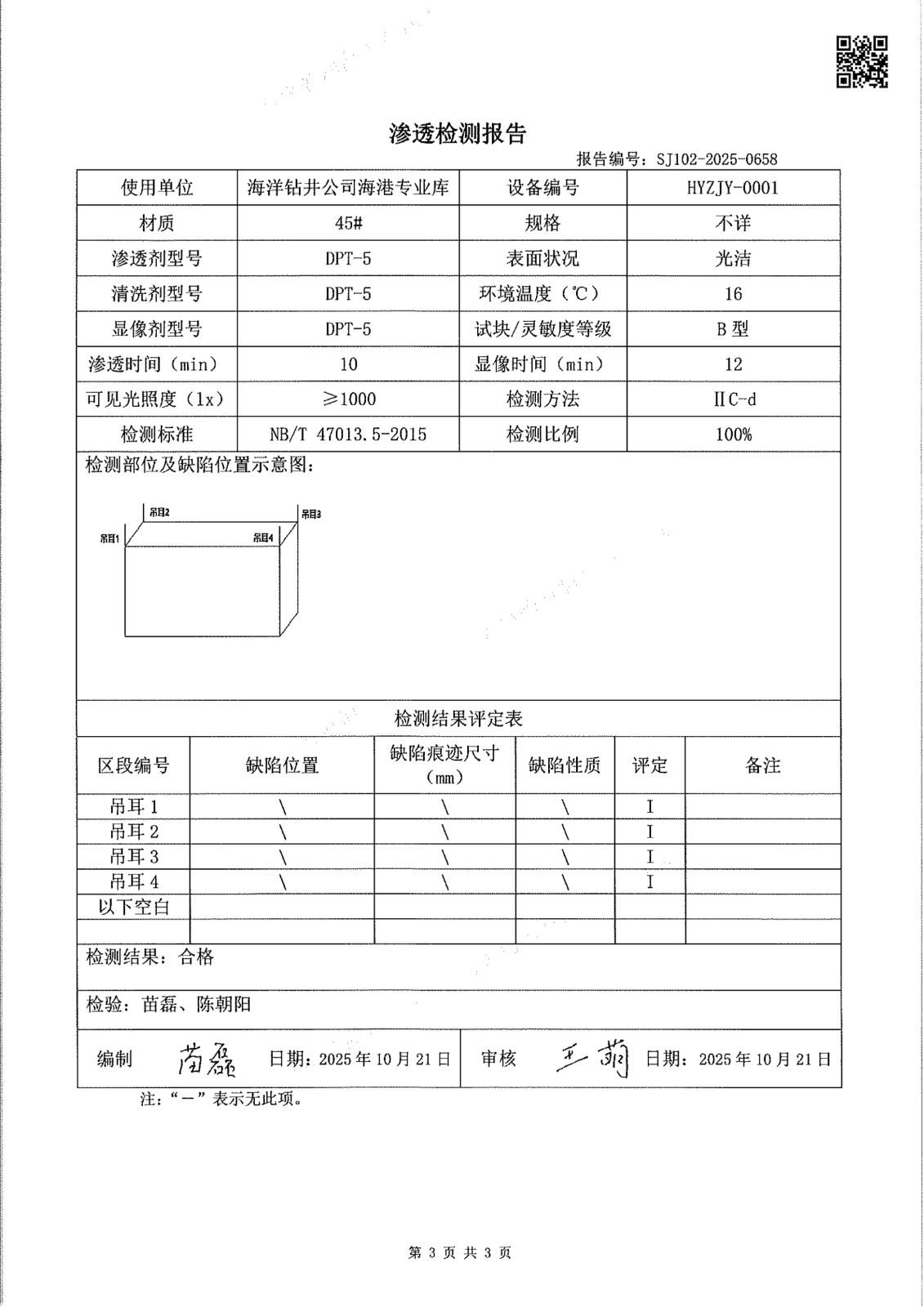
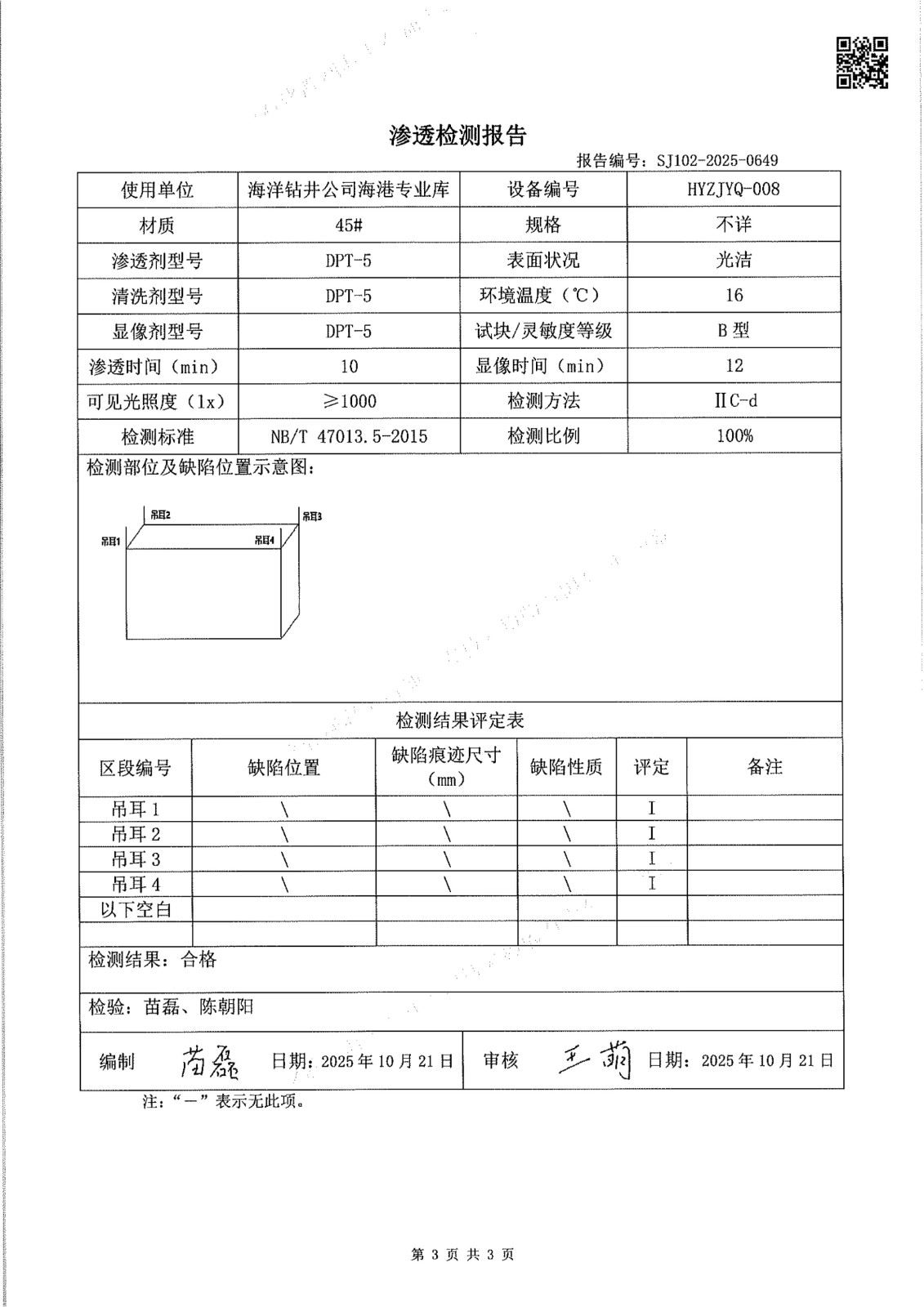
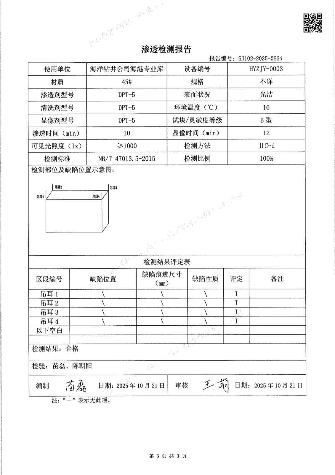
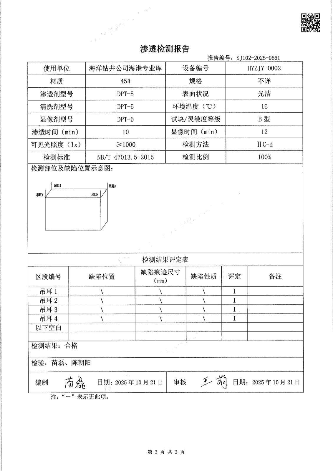
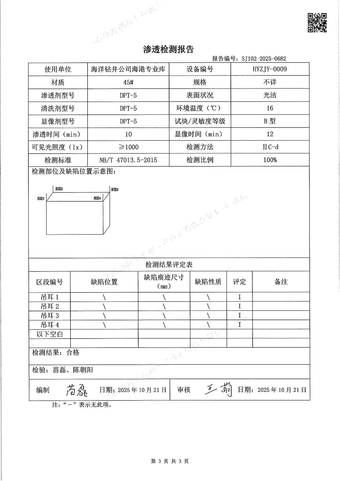
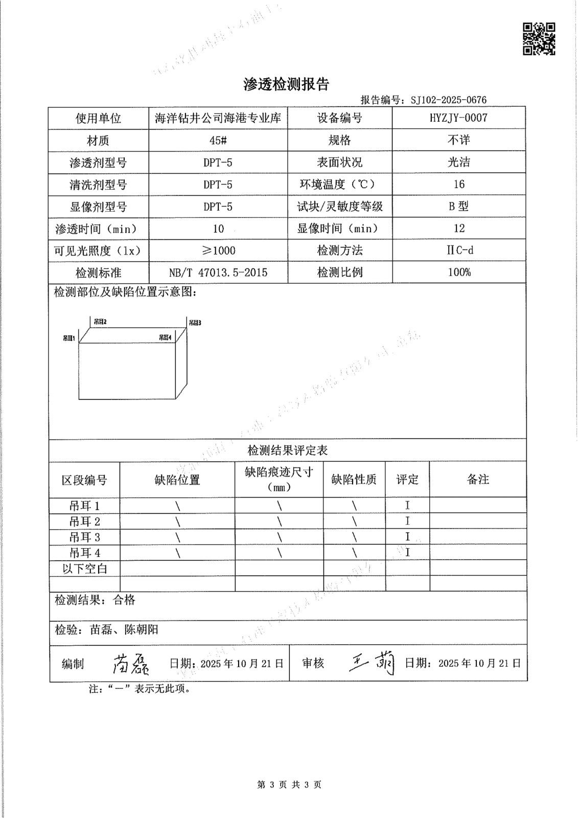
1、使用单位:海洋钻井公司海港专业库

2、检验内容:被系物检验

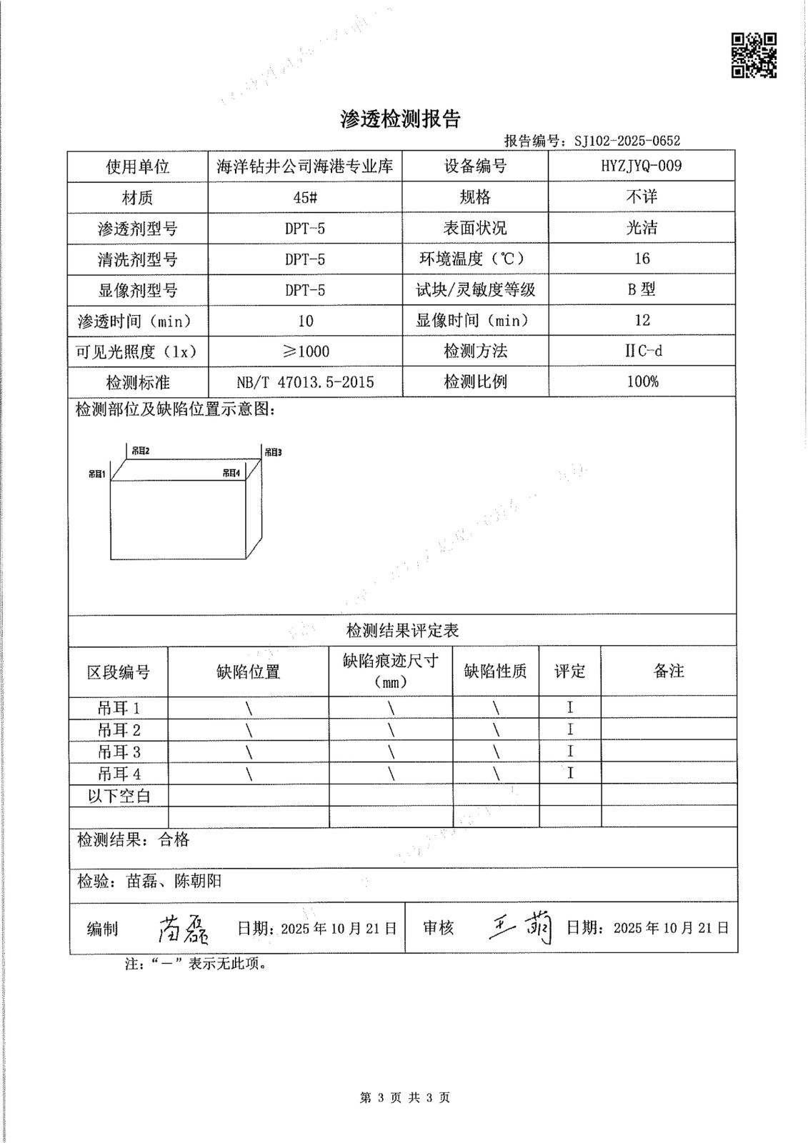
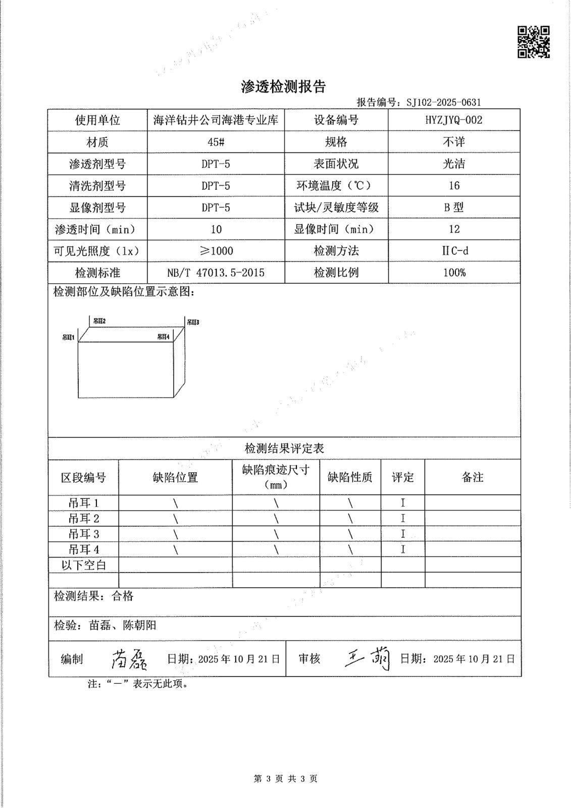
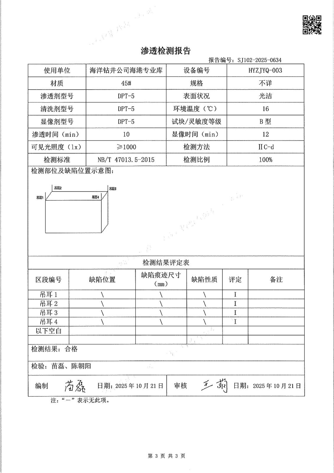
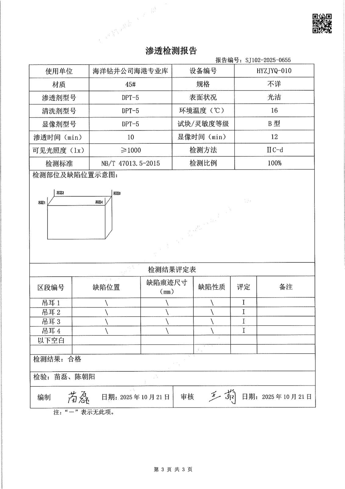
3、报告编号:SJ102-2025-(0628~0685)

4、检验日期:2025年10月16日


信息来源: 
2025-12-09