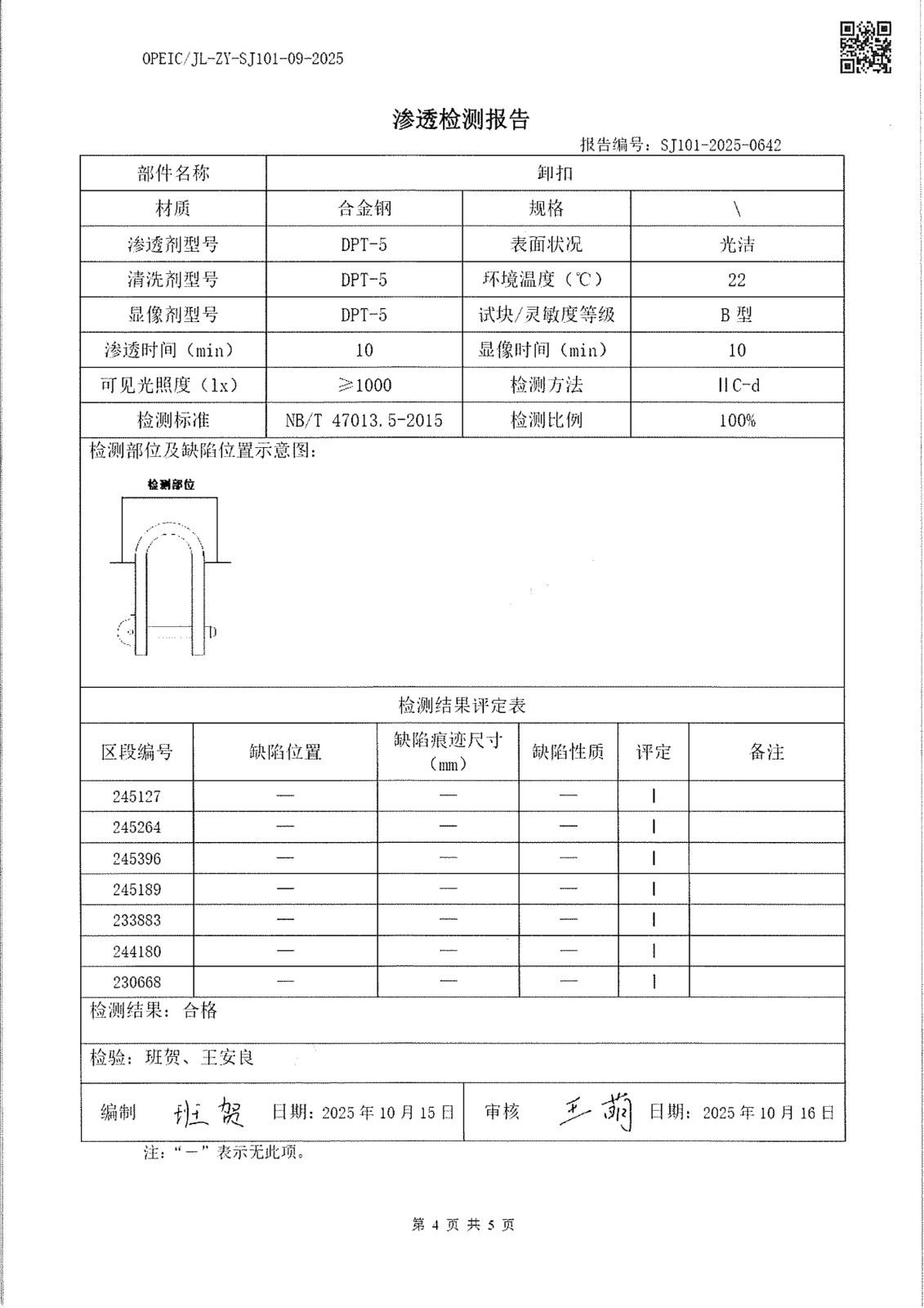
海洋采油厂海三采油管理区系物检验

石化胜利海上石油工技术检验有限公司

2025年度报告公示

1、使用单位:海洋采油厂海三采油管理区

2、检验内容:系物检验

3、报告编号:SJ101-2025-(0639,0642,0645)

4、检验日期:2025年10月14,16日


信息来源: 
2025-12-09