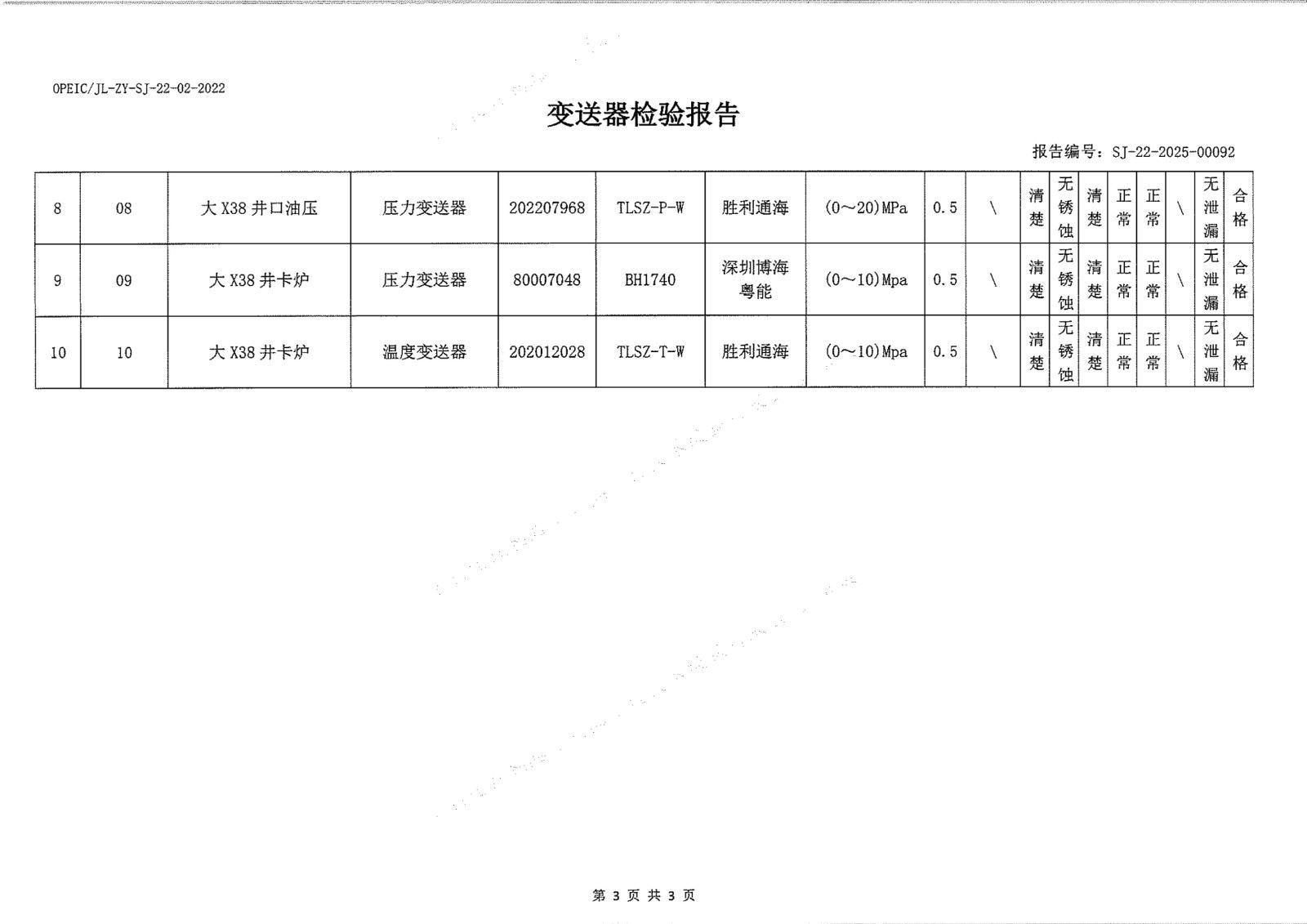
河口采油厂采油管理十区变送器检验

石化胜利海上石油工技术检验有限公司

2025年度报告公示

1、使用单位:河口采油厂采油管理十区

2、检验内容:变送器检验

3、报告编号:SJ-22-2025-00092

4、检验日期:2025年09月29日


信息来源: 
2025-12-08