东营市瑞丰石油技术发展有限责任公司被系物检验

石化胜利海上石油工技术检验有限公司

2025年度报告公示

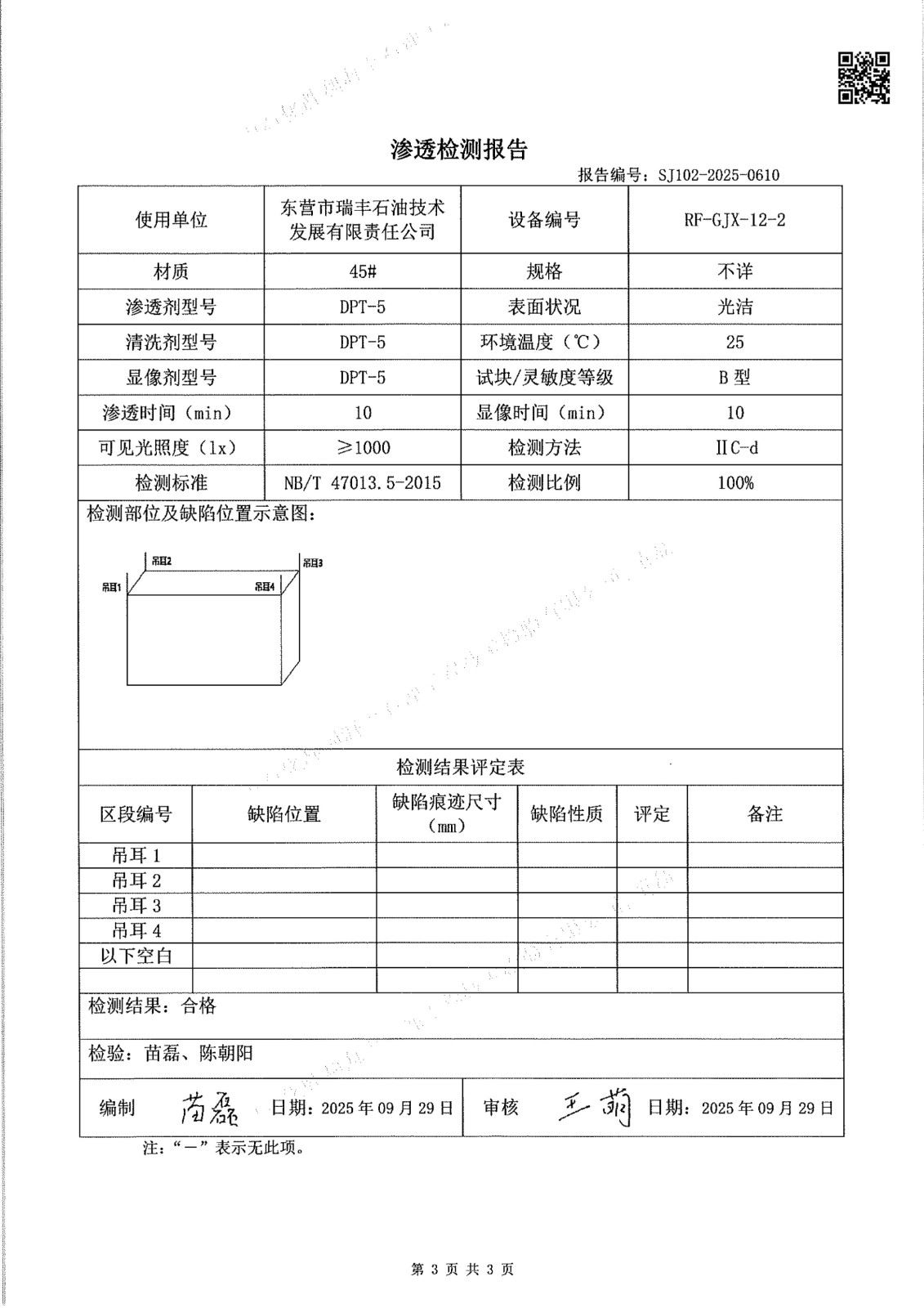
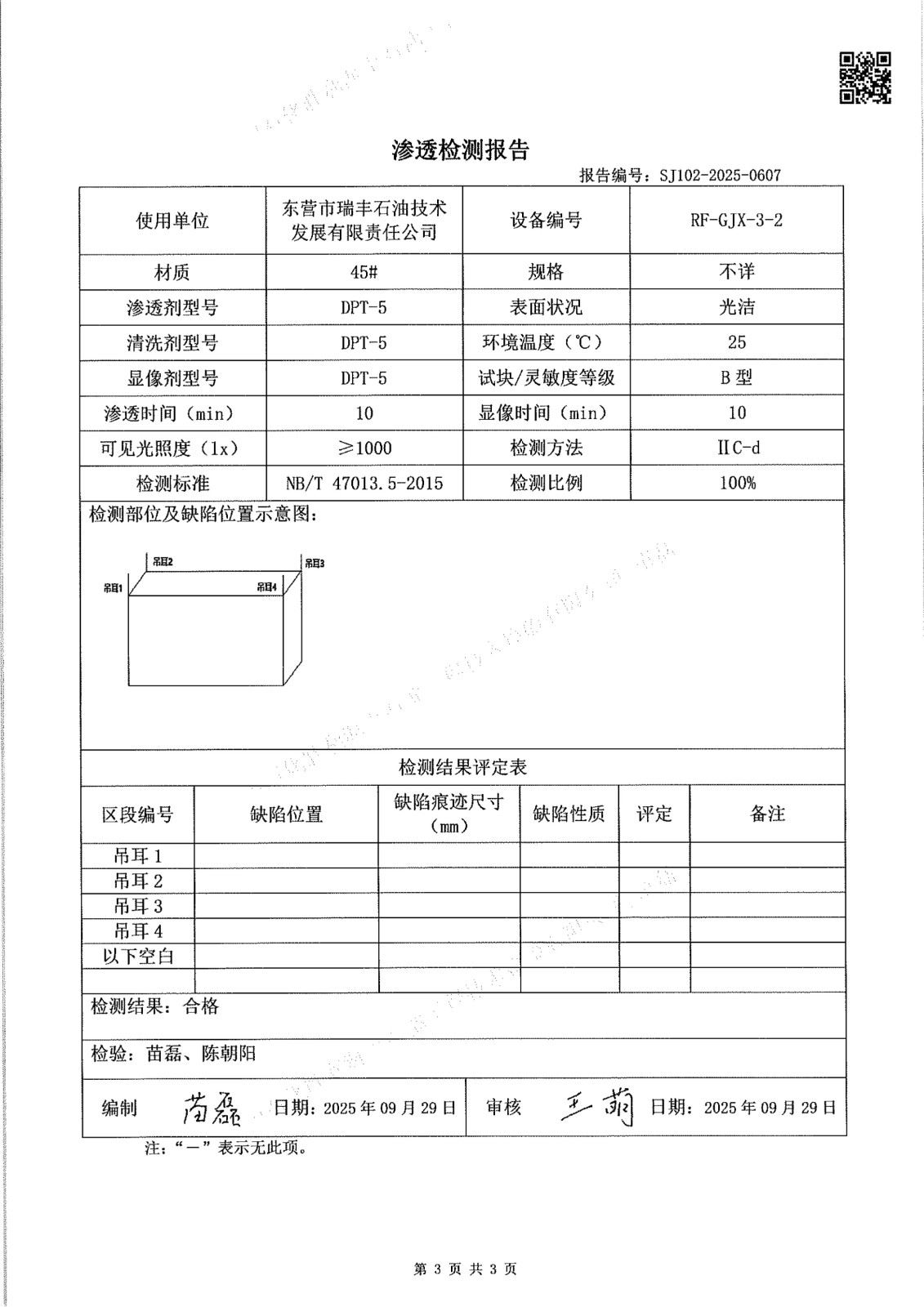
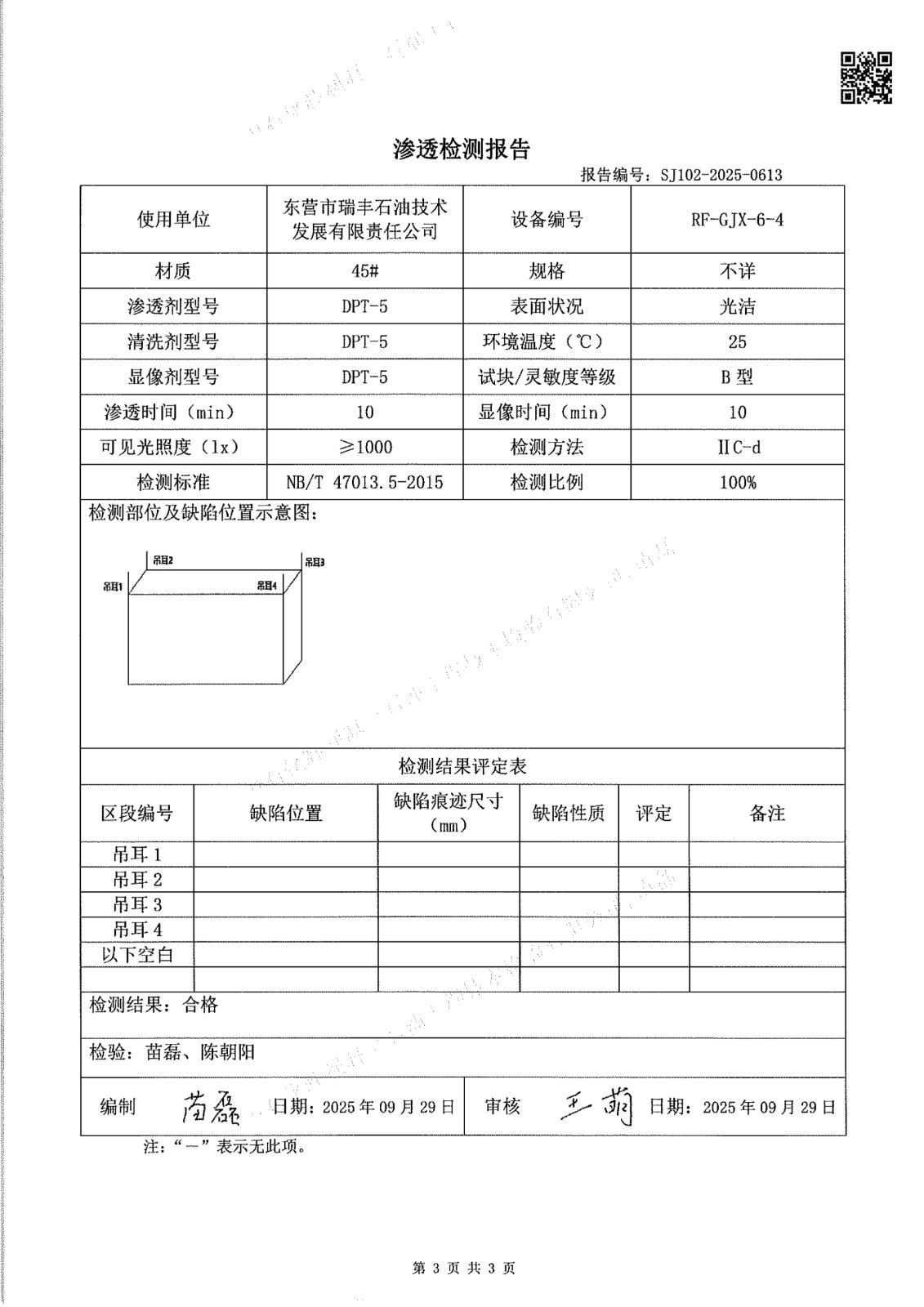
1、使用单位:东营市瑞丰石油技术发展有限责任公司

2、检验内容:被系物检验

3、报告编号:SJ102-2025-(0598,0601,0604,0607,0610,0613)

4、检验日期:2025年09月28日


信息来源: 
2025-12-04