石油工程技术研究院注水工艺研究所系物检验

石化胜利海上石油工技术检验有限公司

2025年度报告公示

1、使用单位:石油工程技术研究院注水工艺研究所

2、检验内容:系物检验

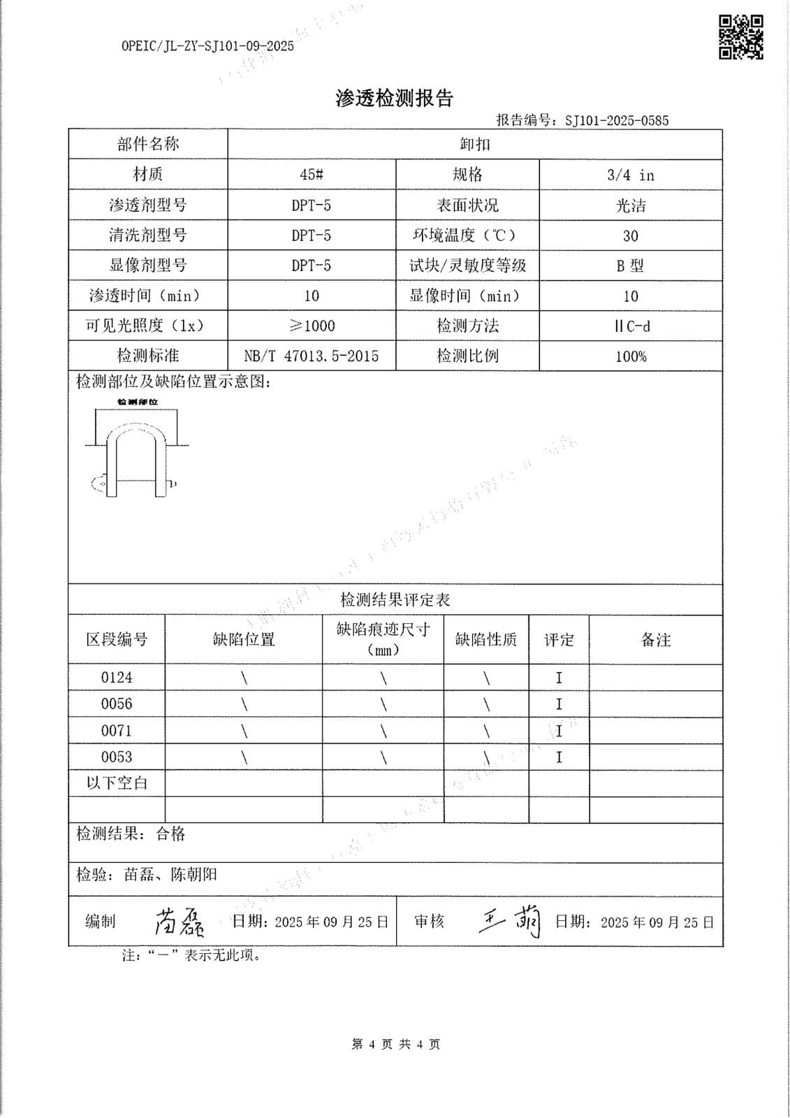
3、报告编号:SJ101-2025-(0579,0581,0583,0585)

4、检验日期:2025年09月17日


信息来源: 
2025-12-04