东营市瑞丰石油技术发展有限责任公司被系物检验,系物检验

石化胜利海上石油工技术检验有限公司

2025年度报告公示

1、使用单位:东营市瑞丰石油技术发展有限责任公司

2、检验内容:被系物检验,系物检验

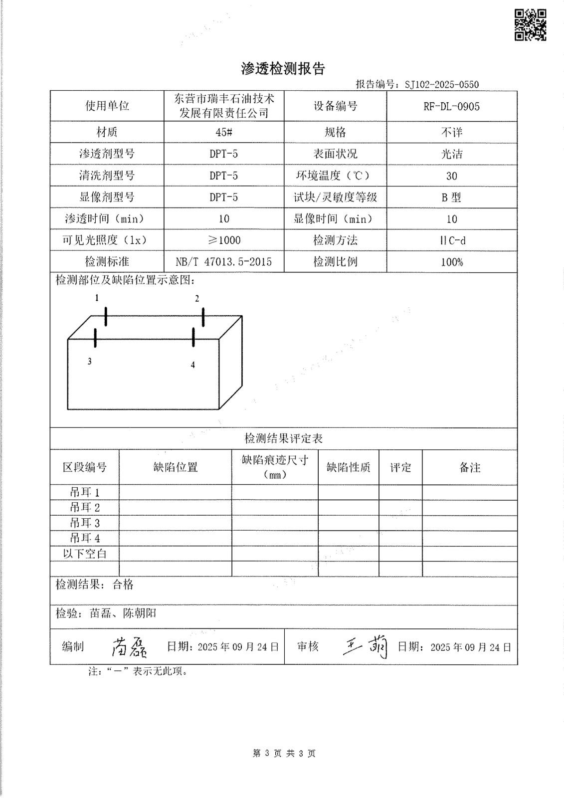
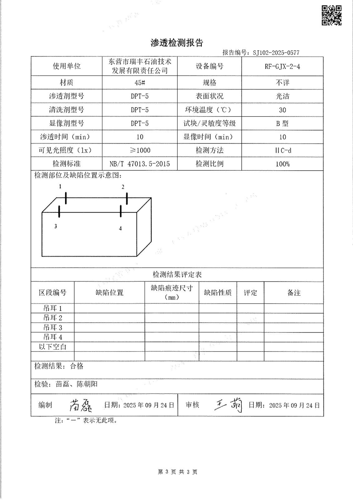
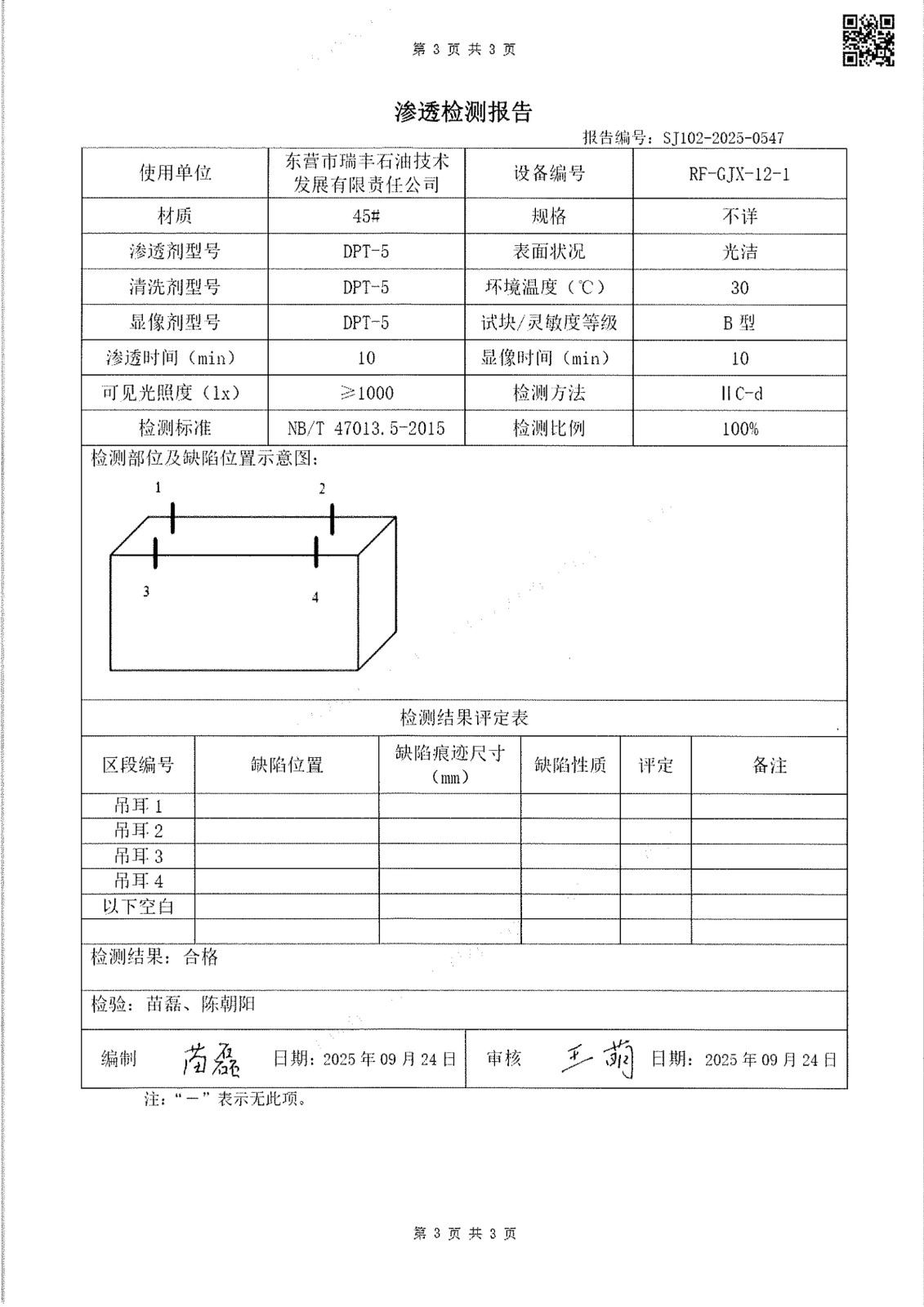
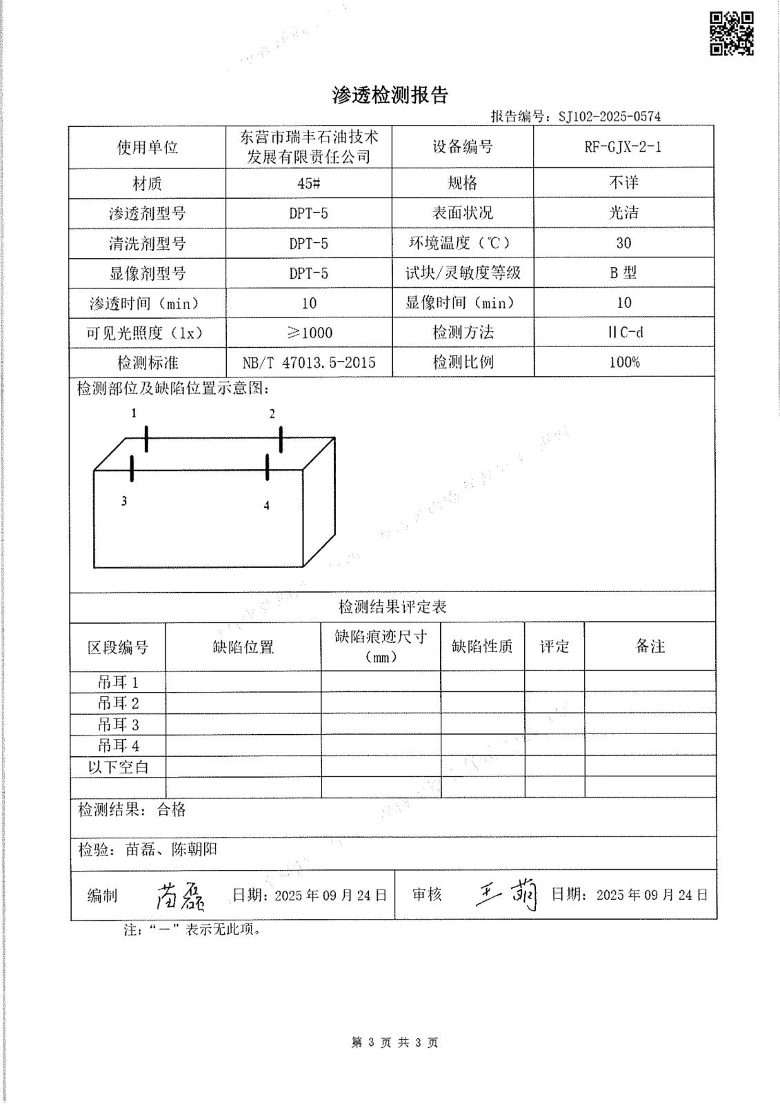
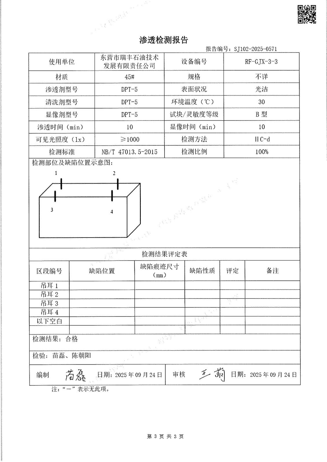
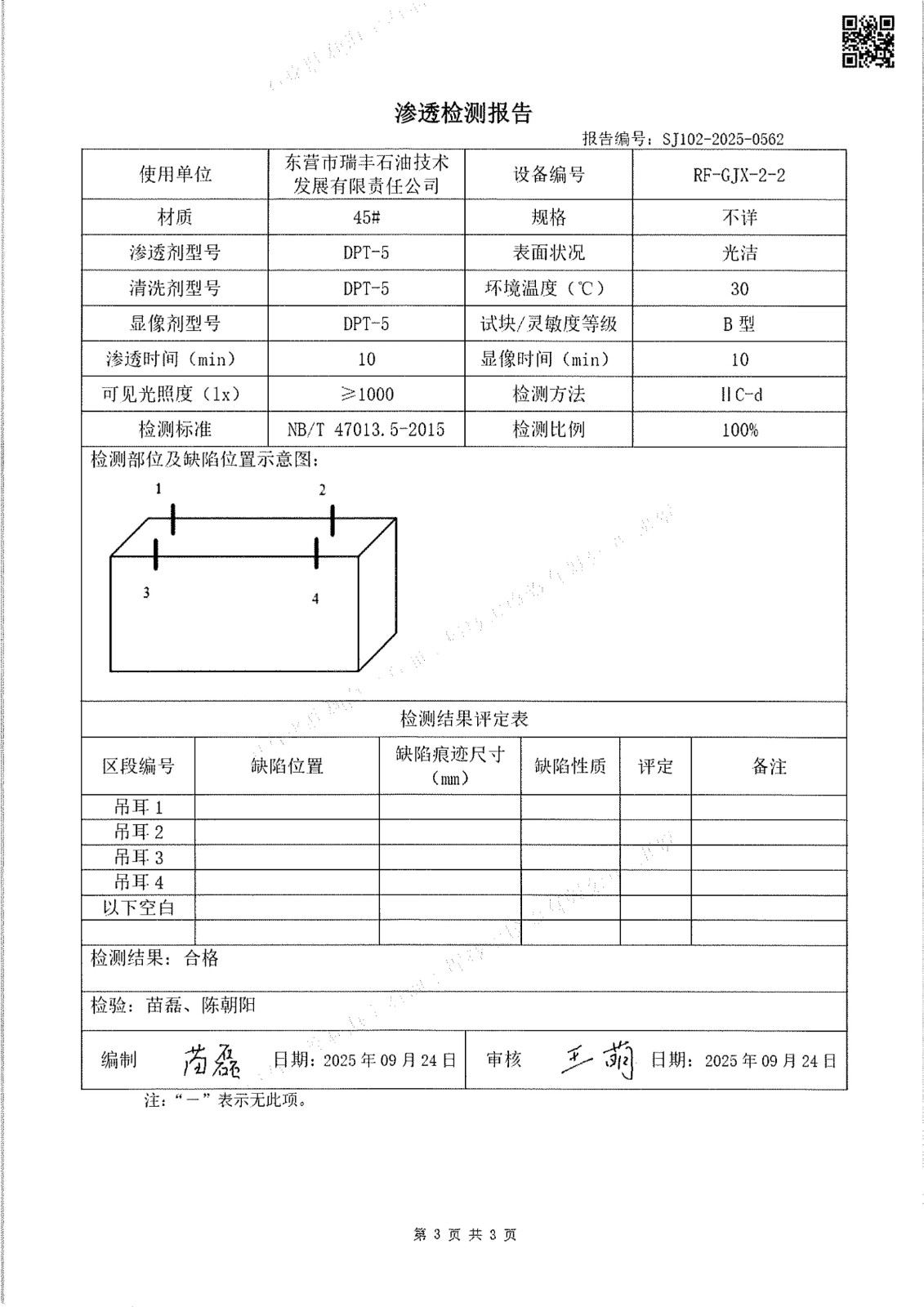
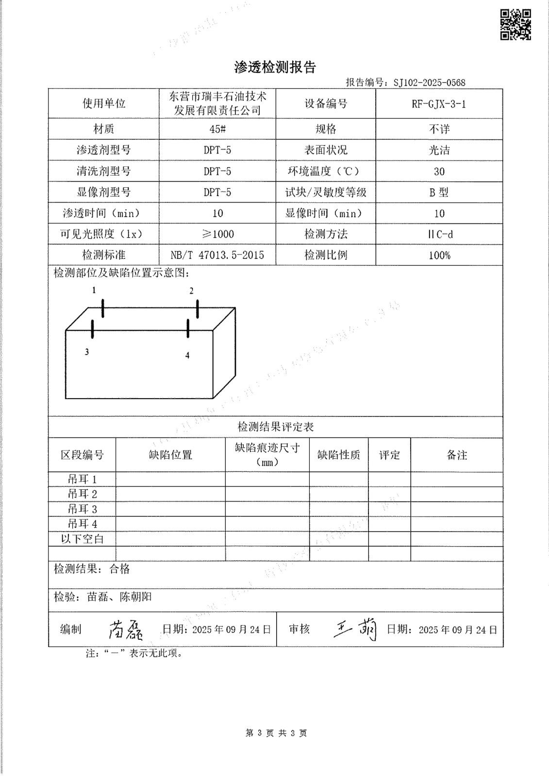
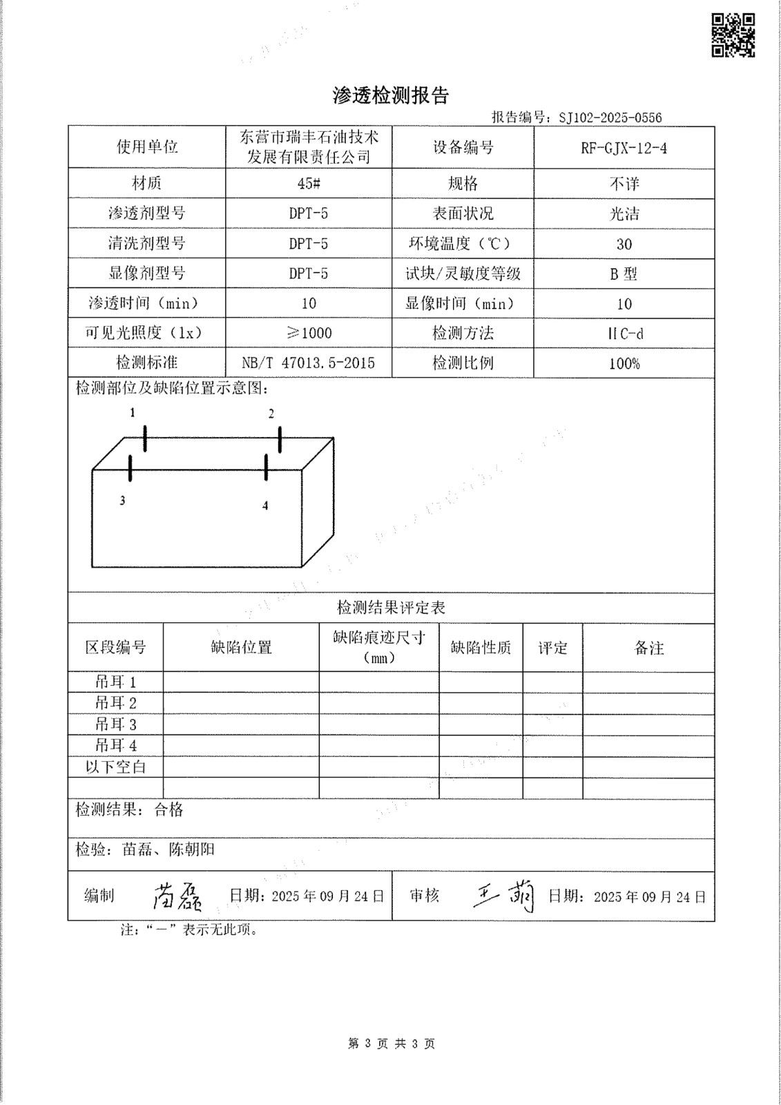
3、报告编号:SJ102-2025-(0547,0550,0553,0556,0559,0562,0565,0568,0571,0574,0577),SJ101-2025-0577

4、检验日期:2025年09月16日


信息来源: 
2025-12-04