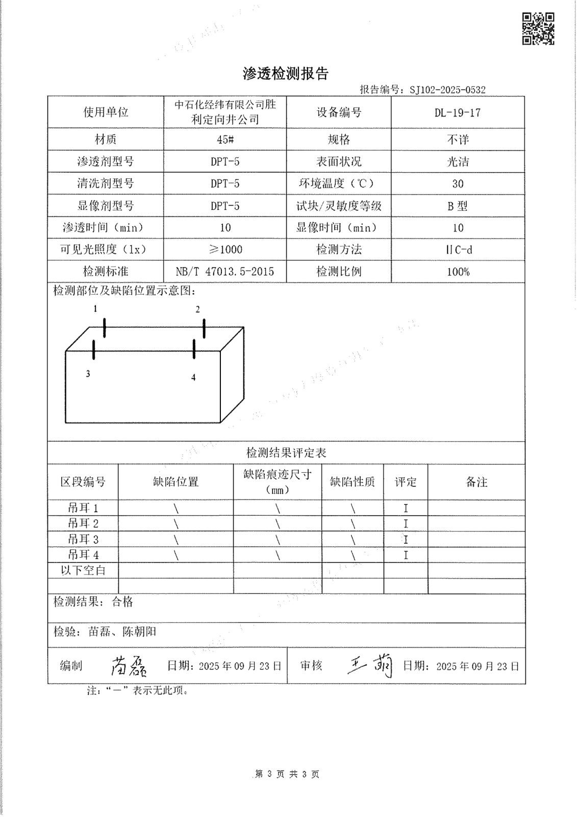
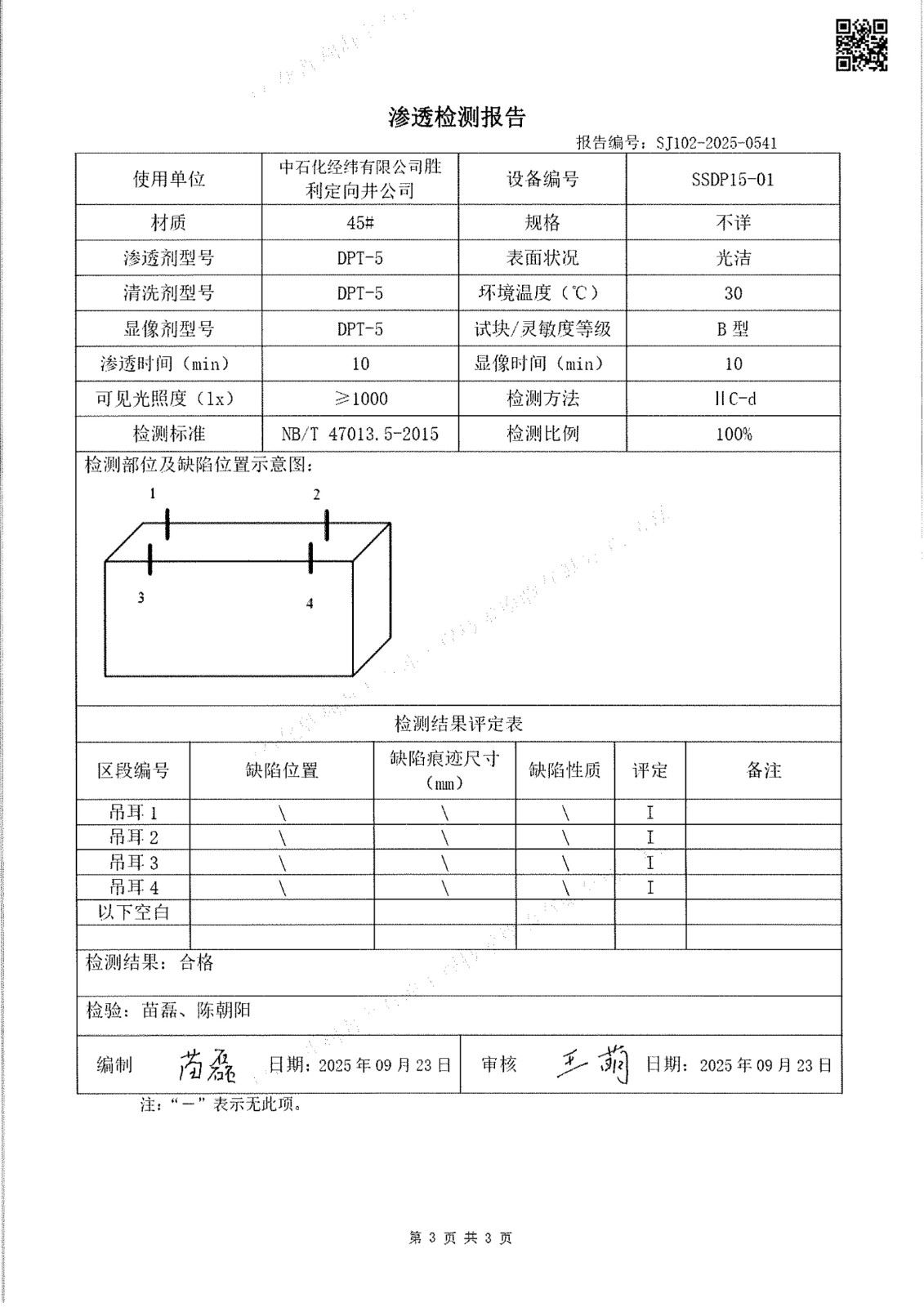
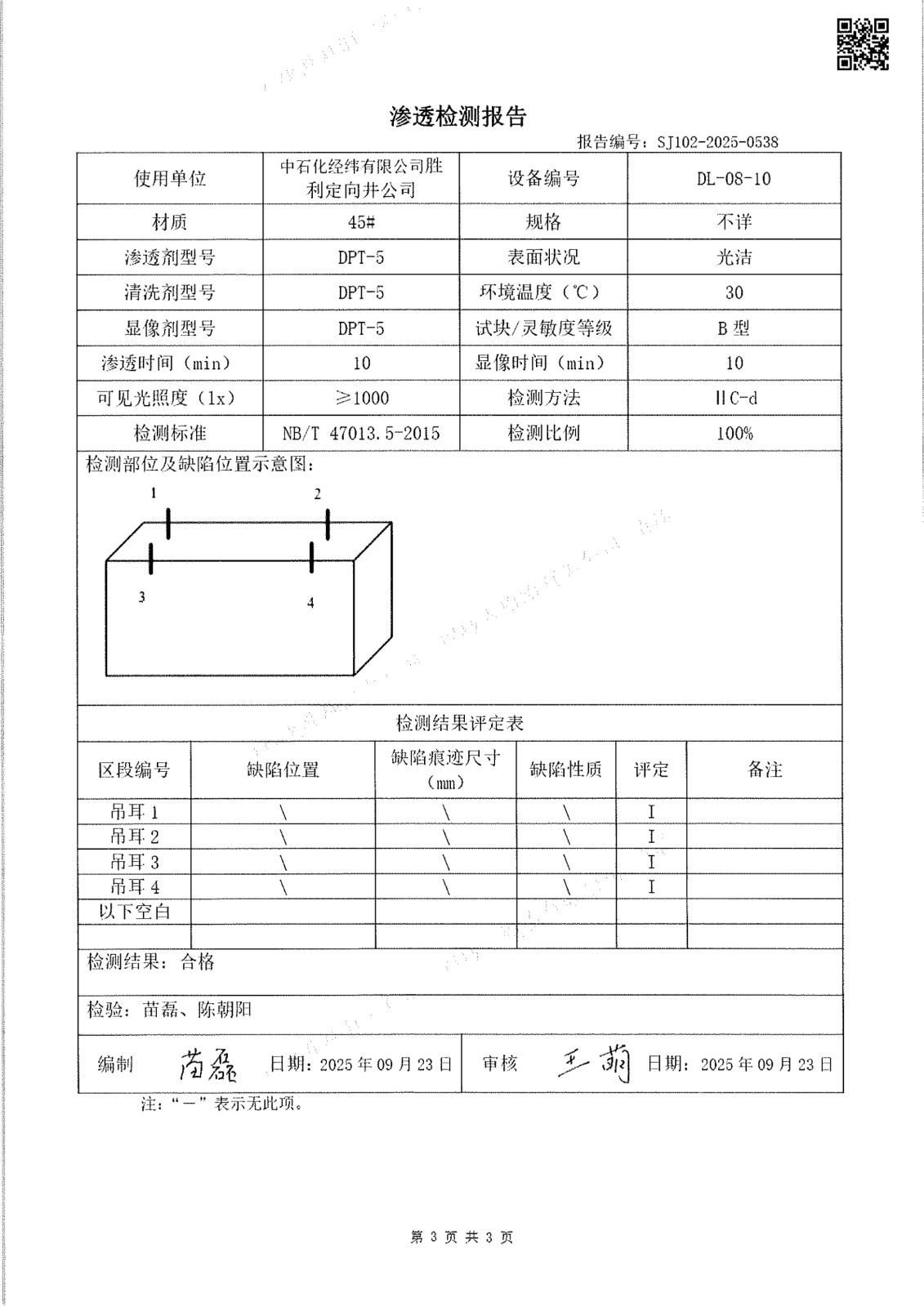
中石化经纬有限公司胜利定向井公司被系物检验

石化胜利海上石油工技术检验有限公司

2025年度报告公示

1、使用单位:中石化经纬有限公司胜利定向井公司

2、检验内容:被系物检验

3、报告编号:SJ102-2025-(0532,0535,0538,0541)

4、检验日期:2025年09月11日


信息来源: 
2025-12-04