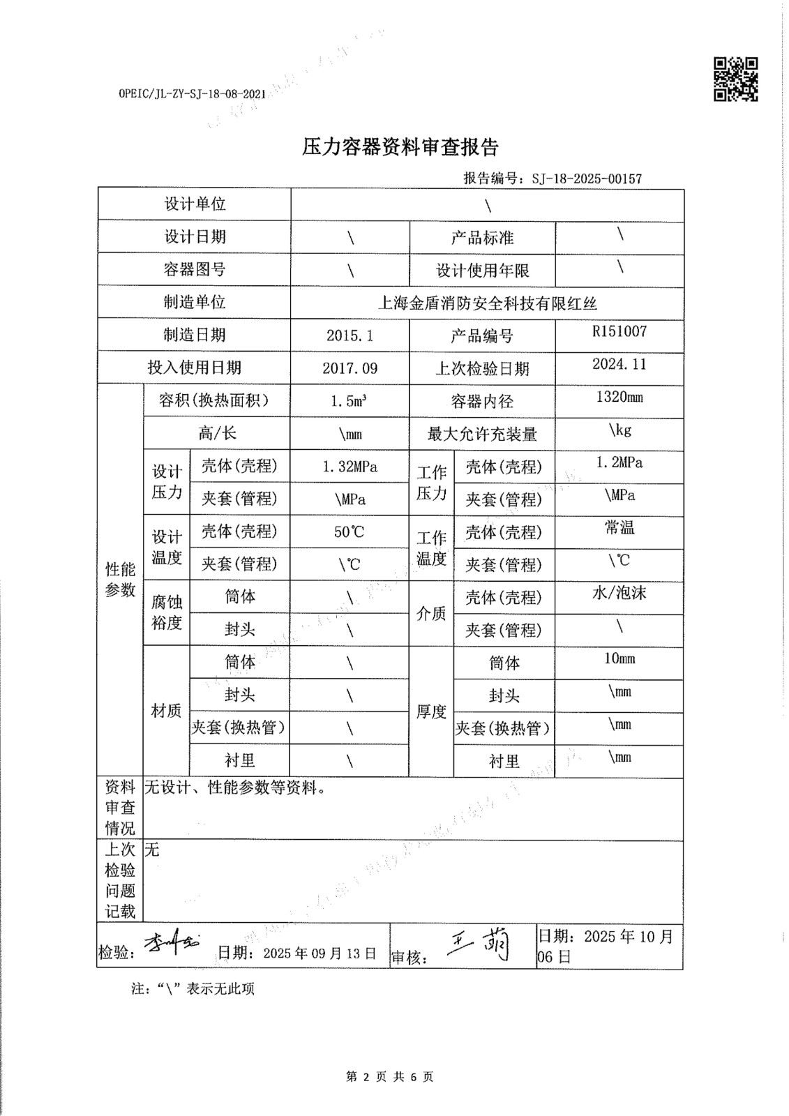
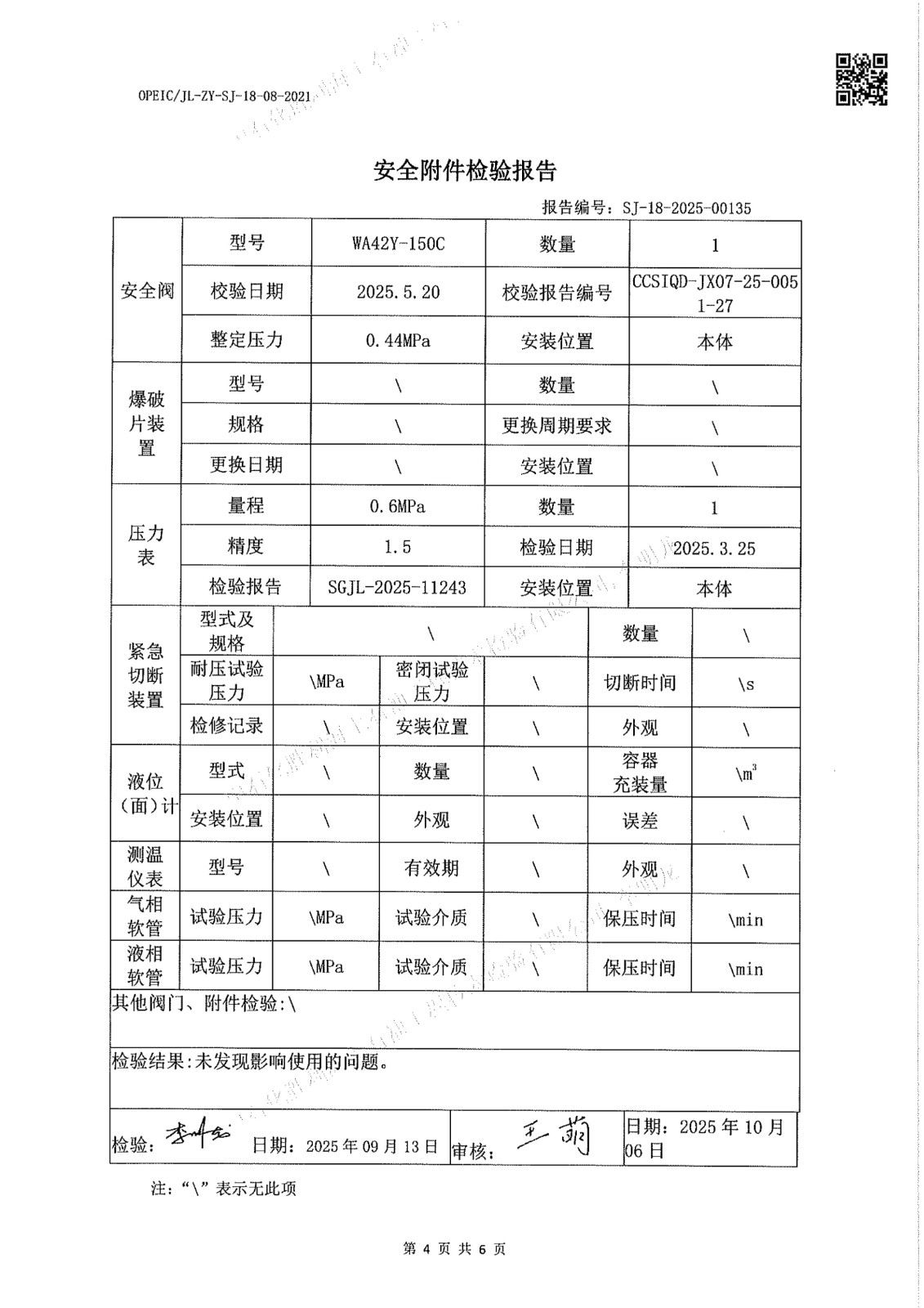
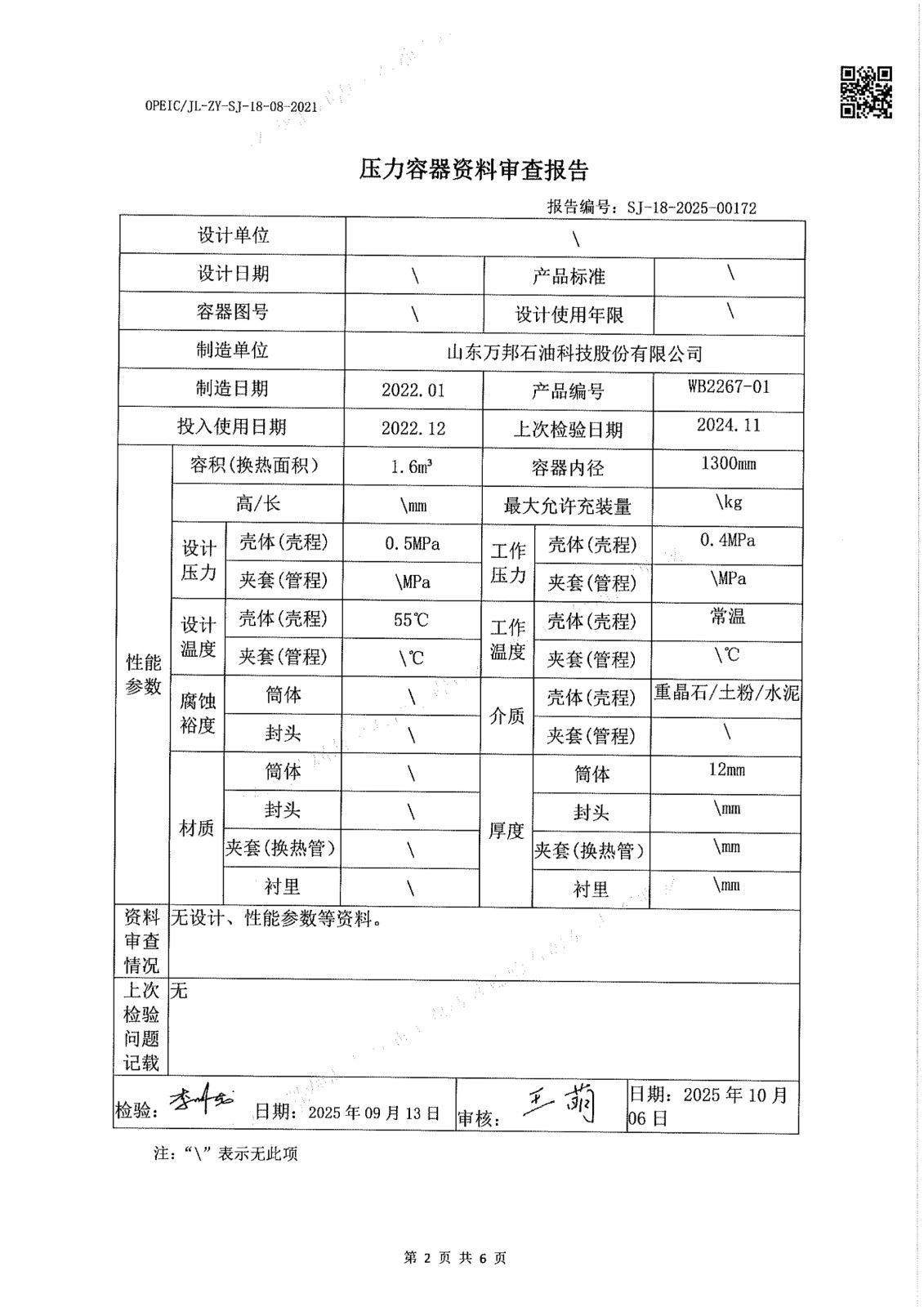
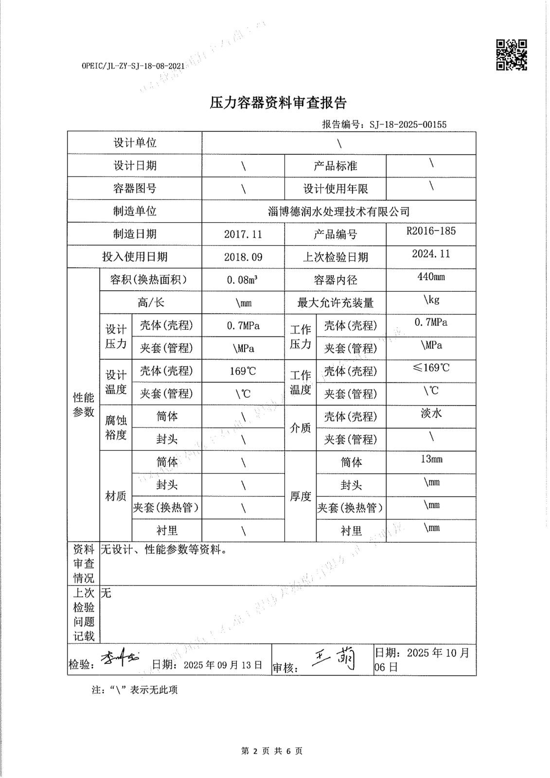
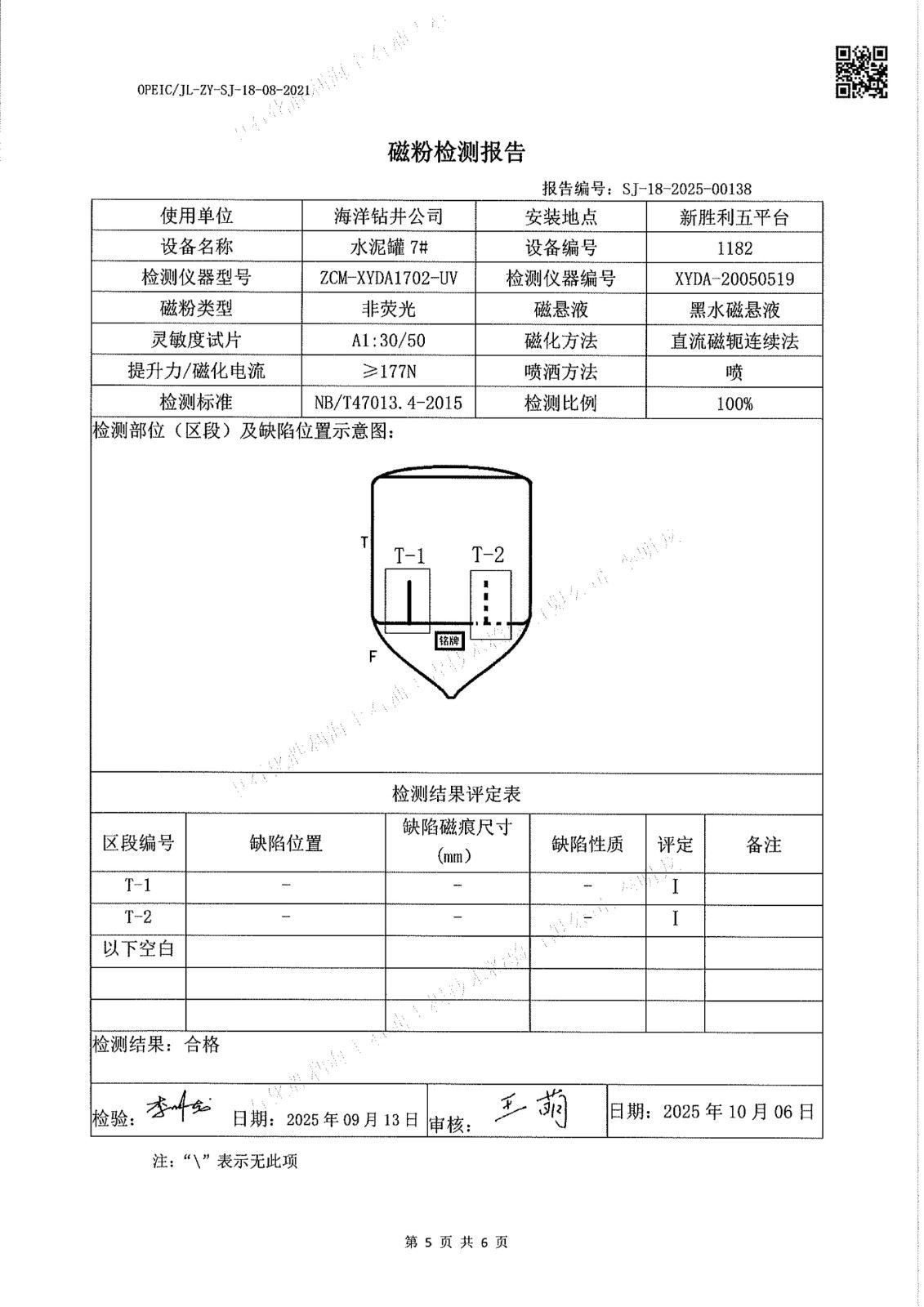
海洋钻井公司新胜利五钻(修)井设备检验,被系物检验,系物检验,压力容器全面检验

石化胜利海上石油工技术检验有限公司

2025年度报告公示

1、使用单位:海洋钻井公司新胜利五

2、检验内容:钻(修)井设备检验,被系物检验,系物检验,压力容器全面检验

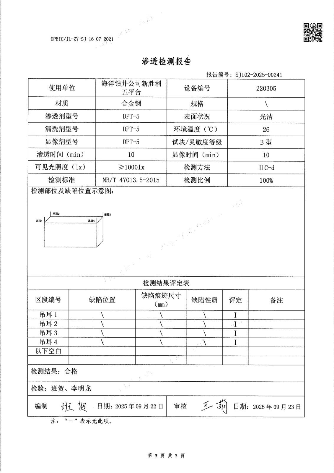
3、报告编号:SJ-25-2025-00885,SJ102-2025-00241,SJ101-2025-(0522,0523),SJ-18-2025-(00131~00173)

4、检验日期:2025年09月10-13日

 

信息来源: 
2025-12-04