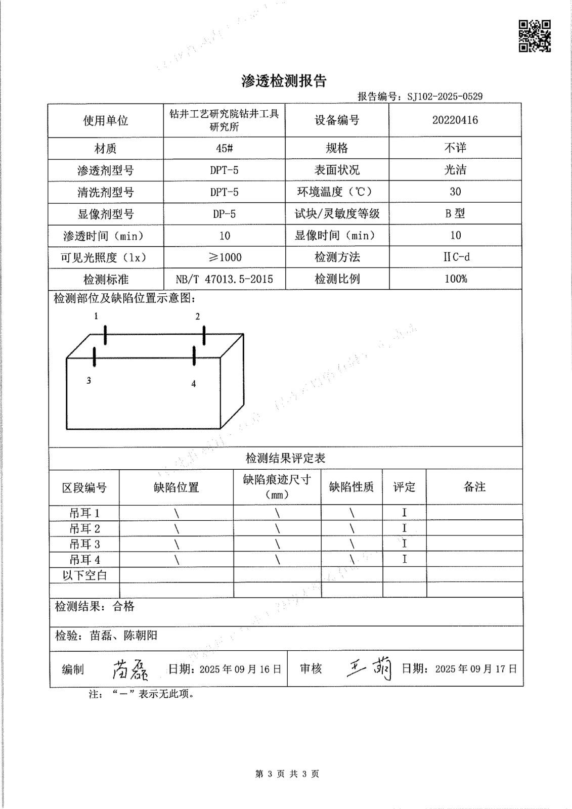
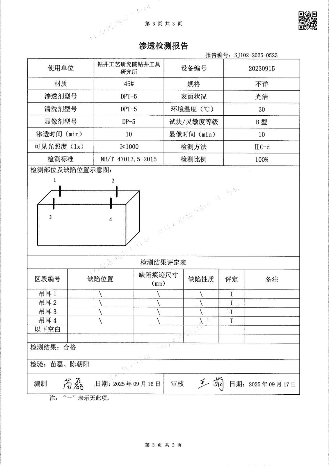
钻井工艺研究院钻井工具研究所被系物检验

石化胜利海上石油工技术检验有限公司

2025年度报告公示

1、使用单位:钻井工艺研究院钻井工具研究所

2、检验内容:被系物检验

3、报告编号:SJ102-2025-(0523,0526,0529)

4、检验日期:2025年09月09日


信息来源: 
2025-12-03