中石化经纬有限公司胜利定向井公司系物检验,被系物检验

石化胜利海上石油工技术检验有限公司

2025年度报告公示

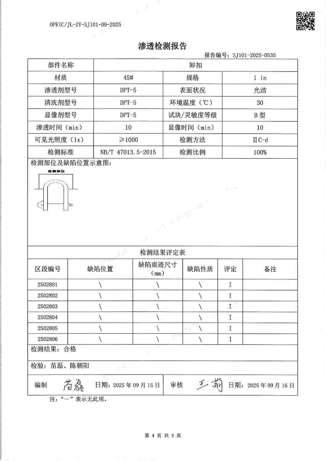
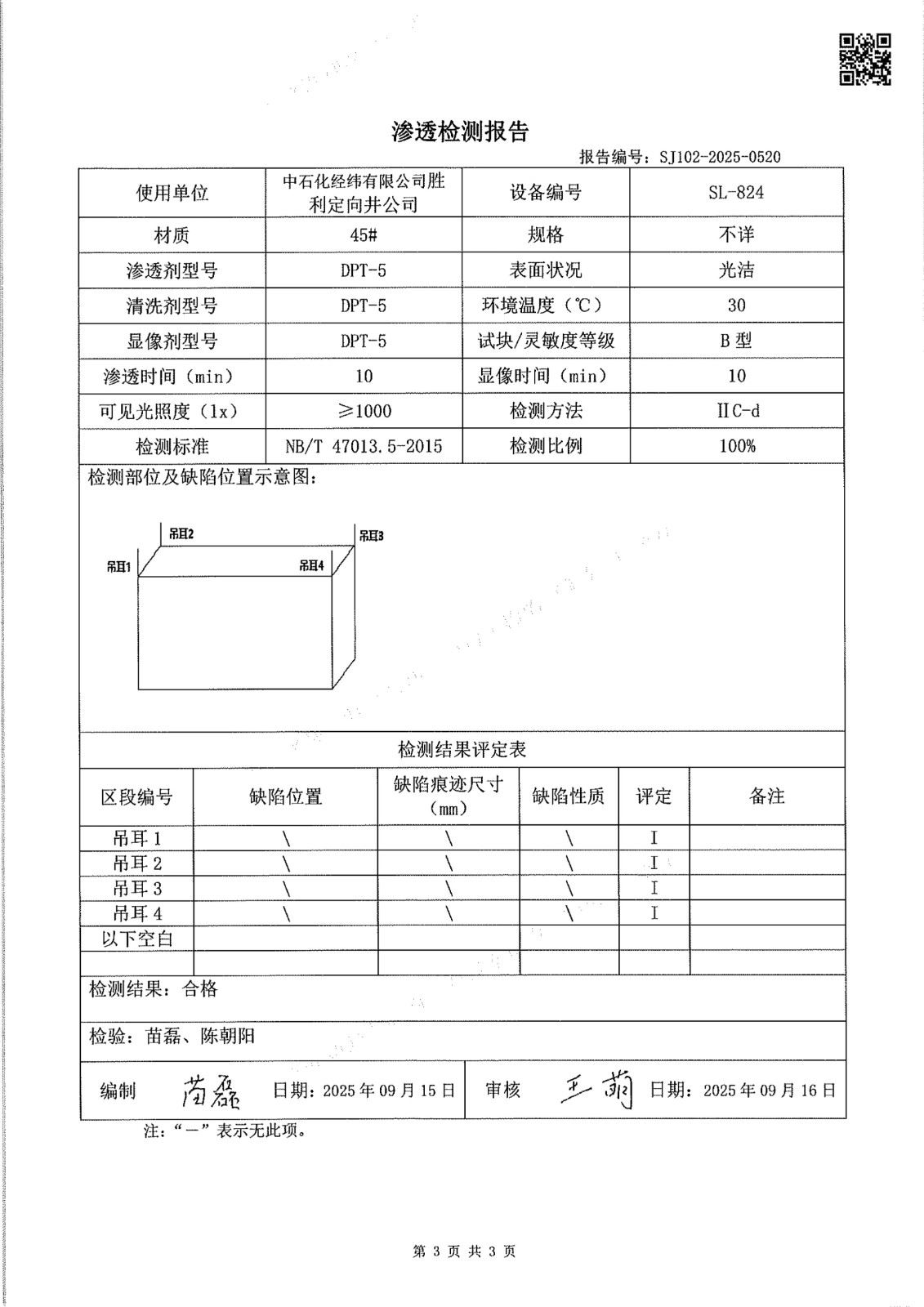
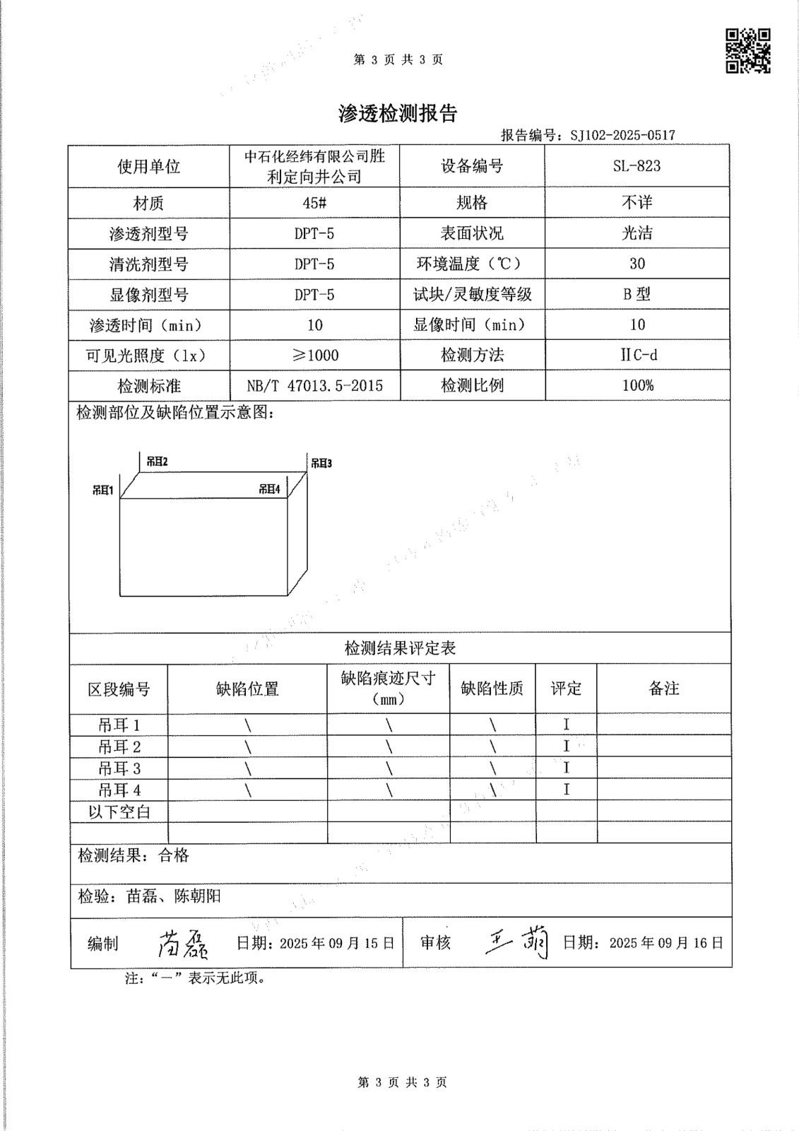
1、使用单位:中石化经纬有限公司胜利定向井公司

2、检验内容:系物检验,被系物检验

3、报告编号:SJ101-2025-(0533,0535),SJ102-2025-(0517,0520)

4、检验日期:2025年09月01日


信息来源: 
2025-12-03