海洋钻井公司生产保障中心吊装队系物检验

石化胜利海上石油工技术检验有限公司

2025年度报告公示

1、使用单位:海洋钻井公司生产保障中心吊装队

2、检验内容:系物检验

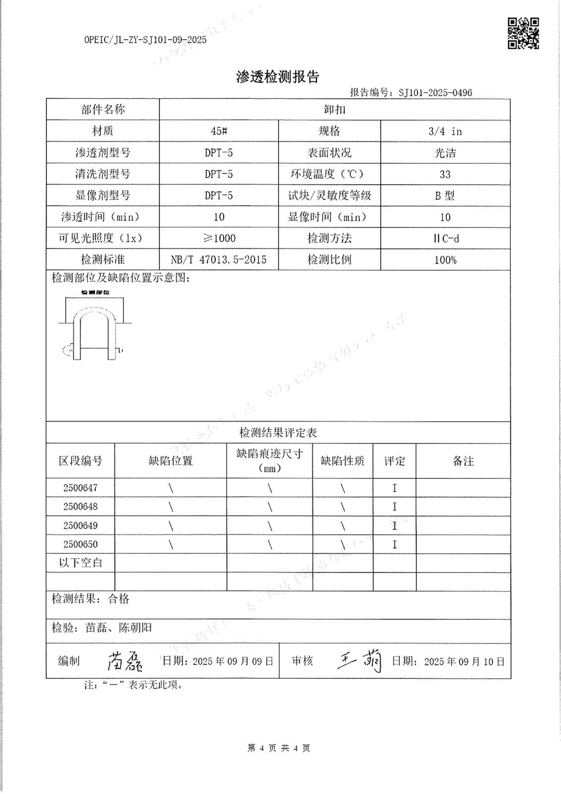
3、报告编号:SJ101-2025-(0494,0496,0497)

4、检验日期:2025年08月26日


信息来源: 
2025-12-02