中石化北京埕岛西项目部系物检验,被系物检验

石化胜利海上石油工技术检验有限公司

2025年度报告公示

1、使用单位:中石化北京埕岛西项目部

2、检验内容:系物检验,被系物检验

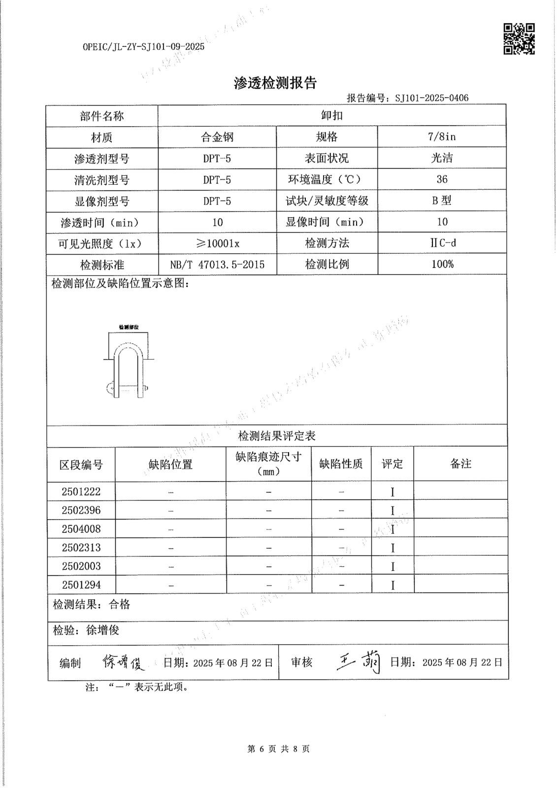
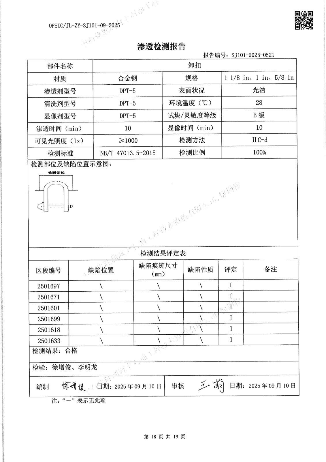
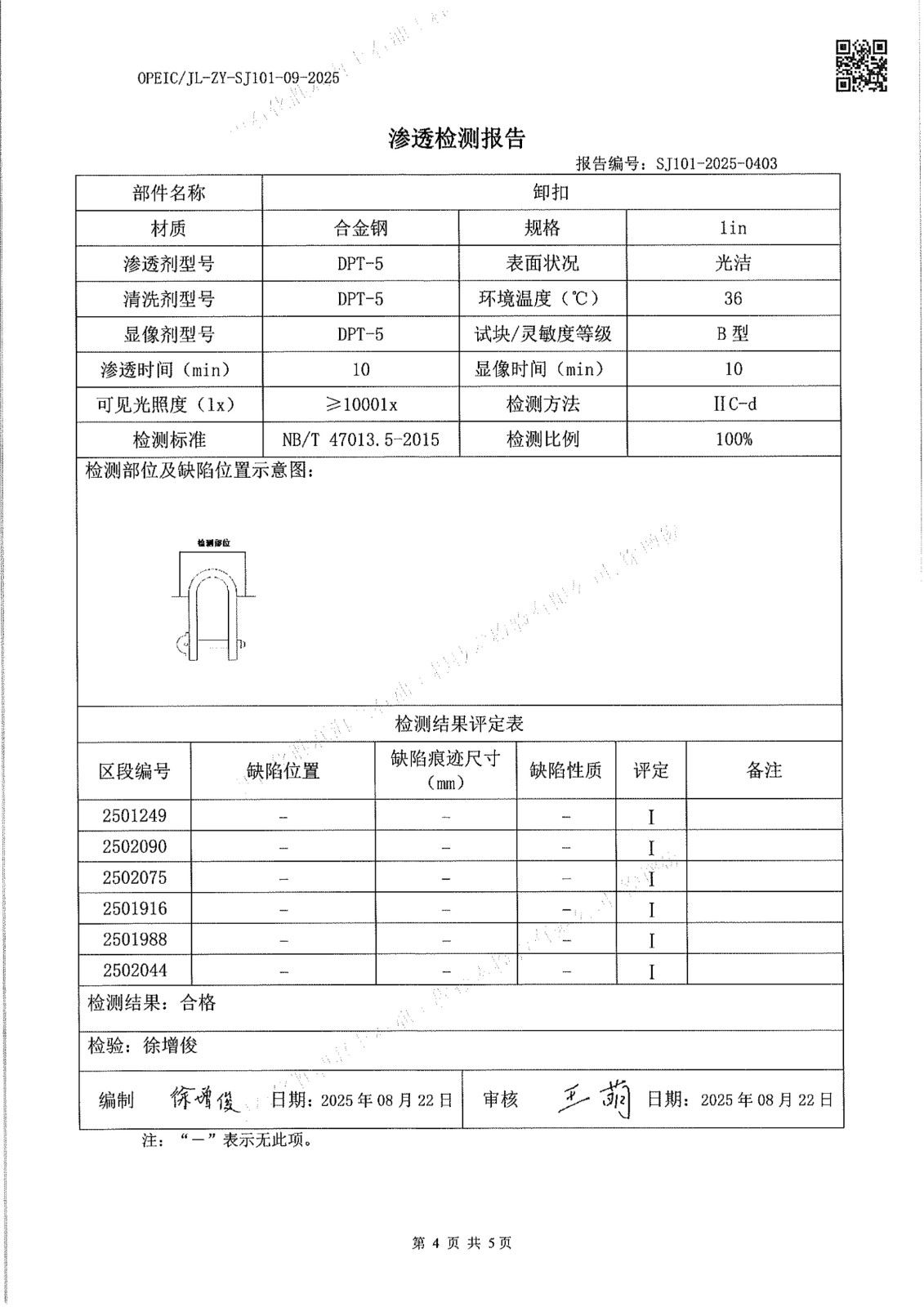
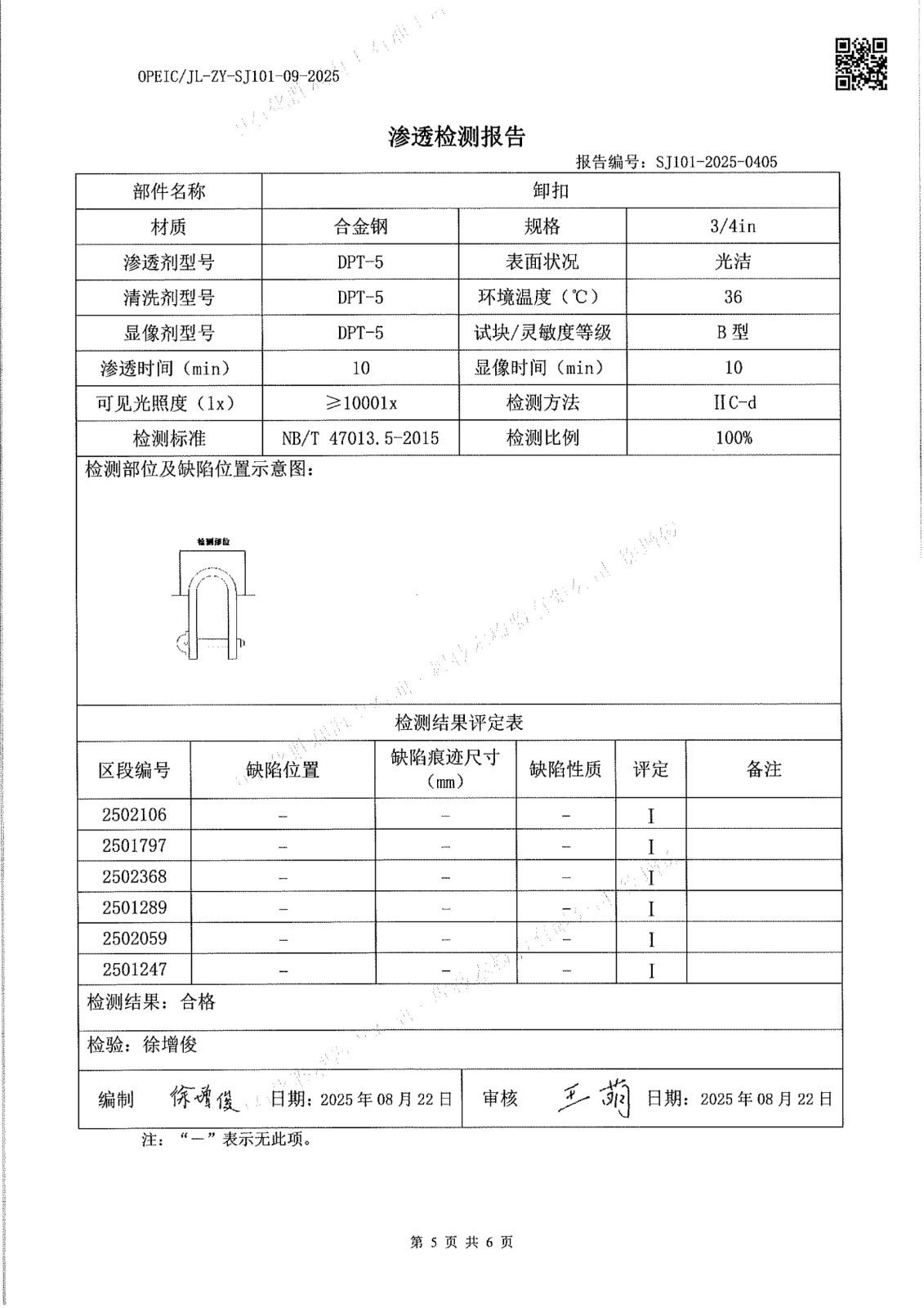
3、报告编号:SJ101-2025-(0403,0404,0405,0406,0516,0519,0521),SJ102-2025-(0490,0493,0496,0499,0502)

4、检验日期:2025年08月21,28日


信息来源: 
2025-12-02