胜利油田胜利泵业有限责任公司系物检验,被系物检验

石化胜利海上石油工技术检验有限公司

2025年度报告公示

1、使用单位:胜利油田胜利泵业有限责任公司

2、检验内容:系物检验,被系物检验

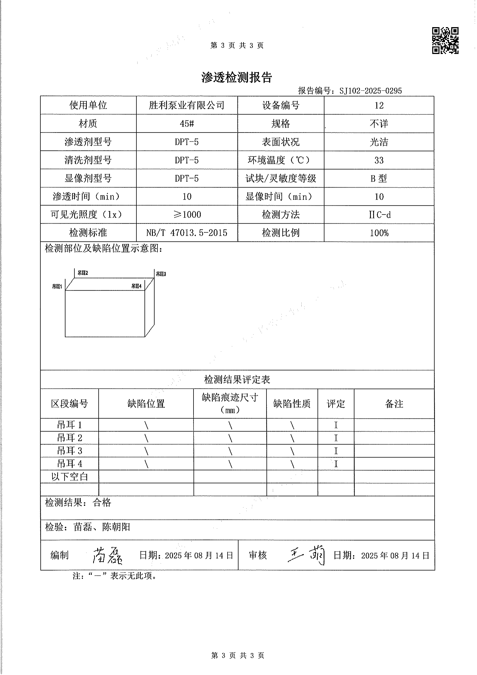
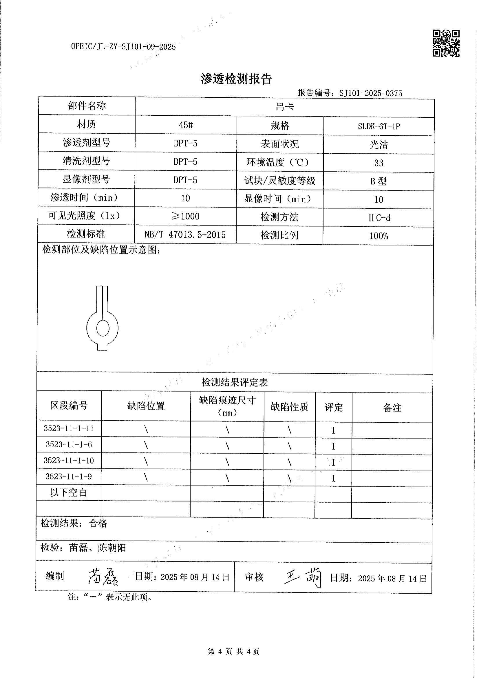
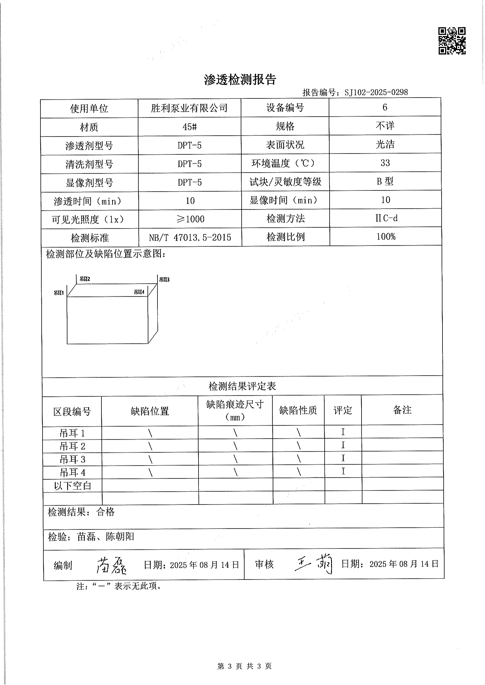
3、报告编号:SJ101-2025-(0373,0375),SJ102-2025-(0295,0298)

4、检验日期:2025年08月07日


信息来源: 
2025-11-26