胜利油田胜利泵业股份有限责任公司系物检验,被系物检验

石化胜利海上石油工技术检验有限公司

2025年度报告公示

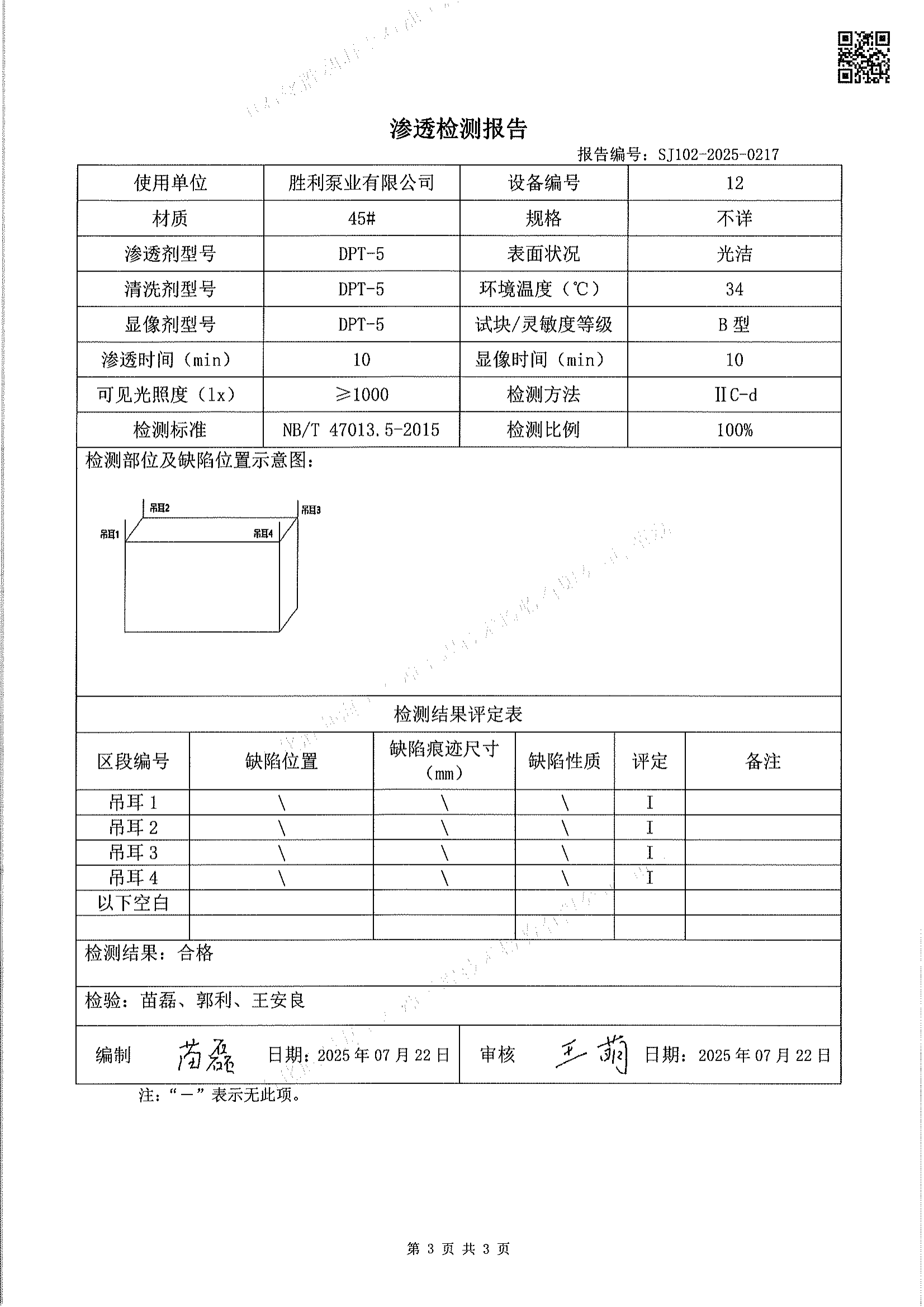
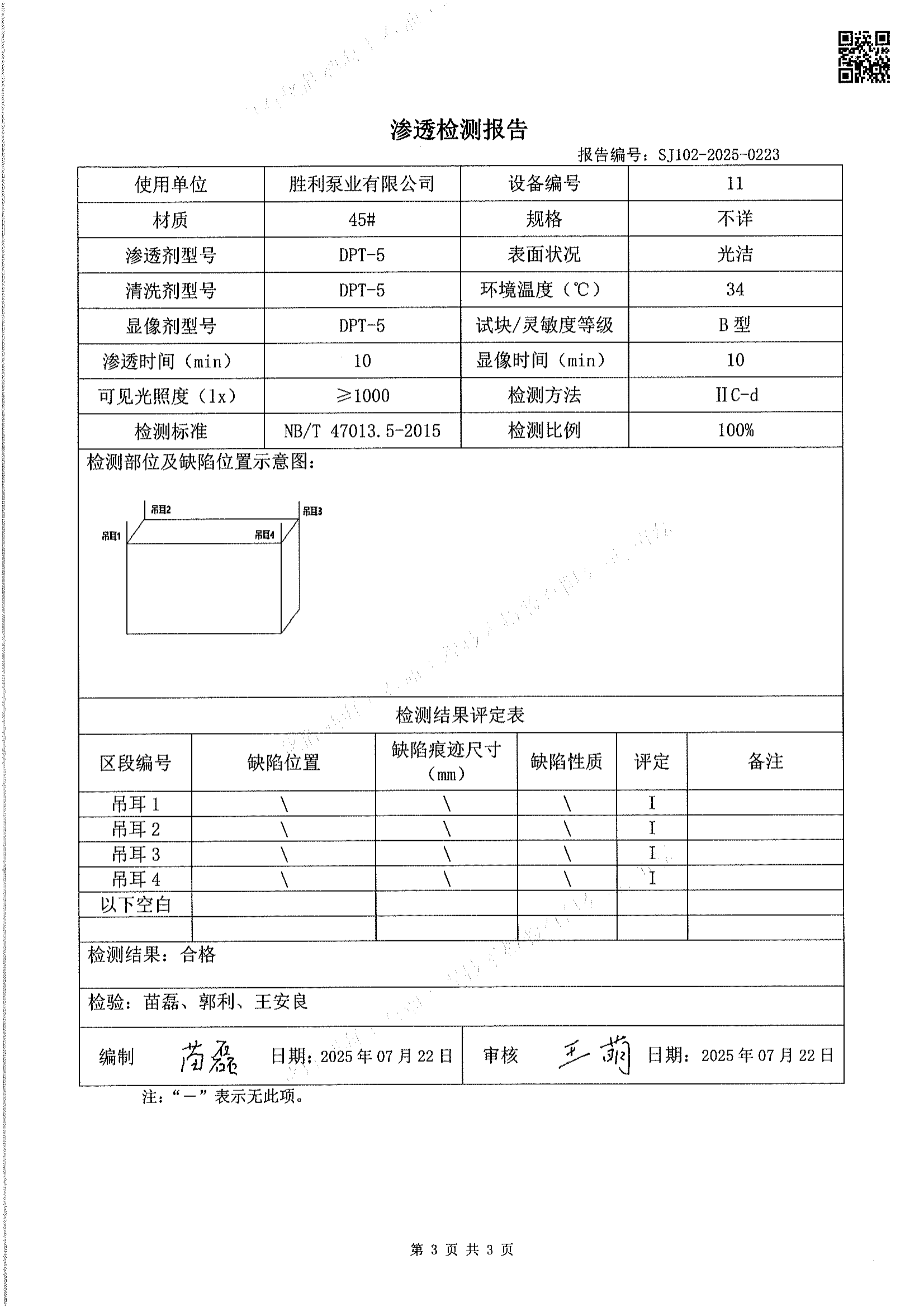
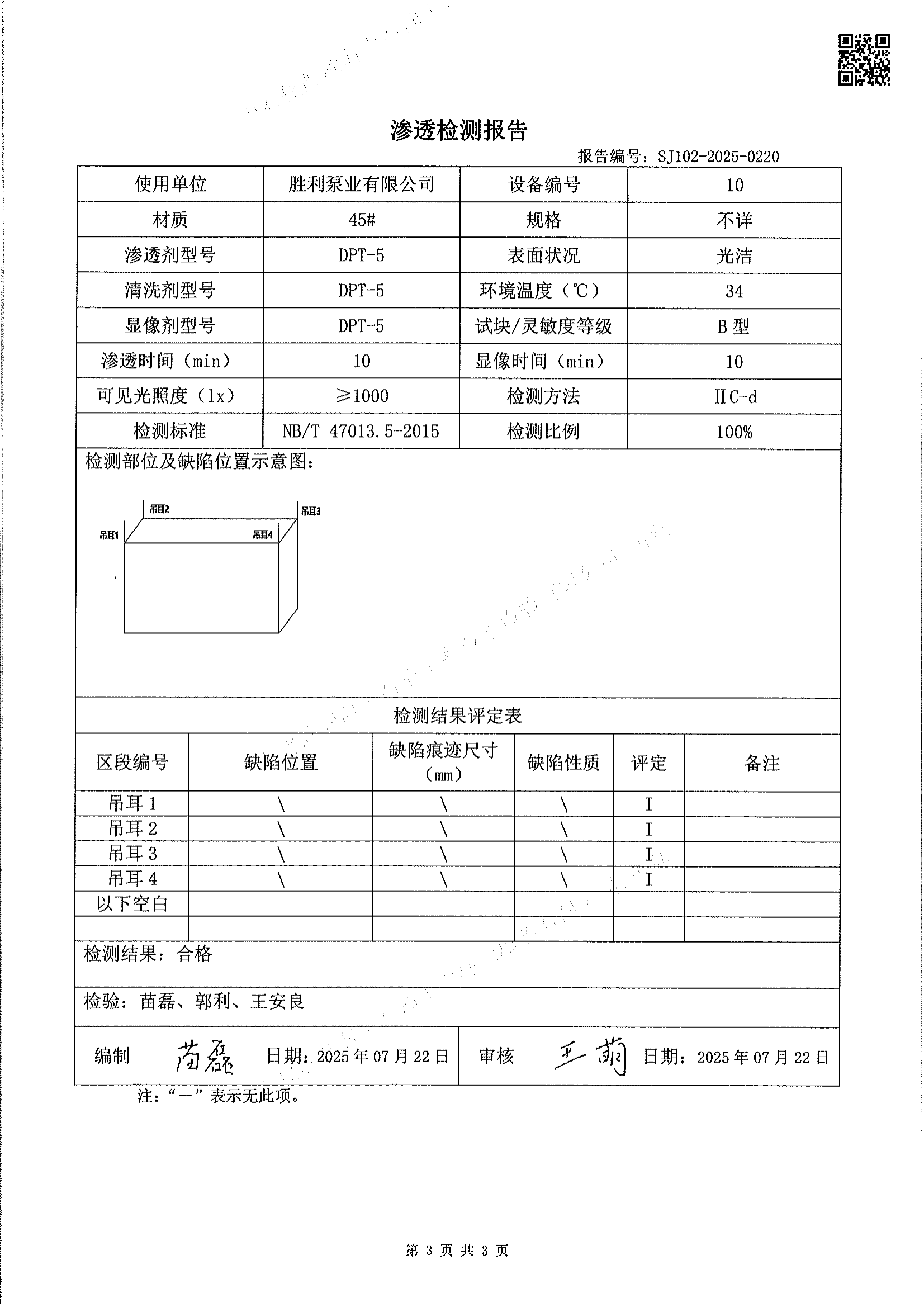
1、使用单位:胜利油田胜利泵业股份有限责任公司

2、检验内容:系物检验,被系物检验

3、报告编号:SJ102-2025-(0217,0220,0223),SJ101-2025-0317

4、检验日期:2025年07月16日


信息来源: 
2025-11-20