山东中胜油气检测技术有限公司系物、被系物检测检验报告

中石化胜利海上石油工程技术检验有限公司

2025年度报告公示

1、使用单位:山东中胜油气检测技术有限公司

2、检验内容:系物、被系物检测检验报告

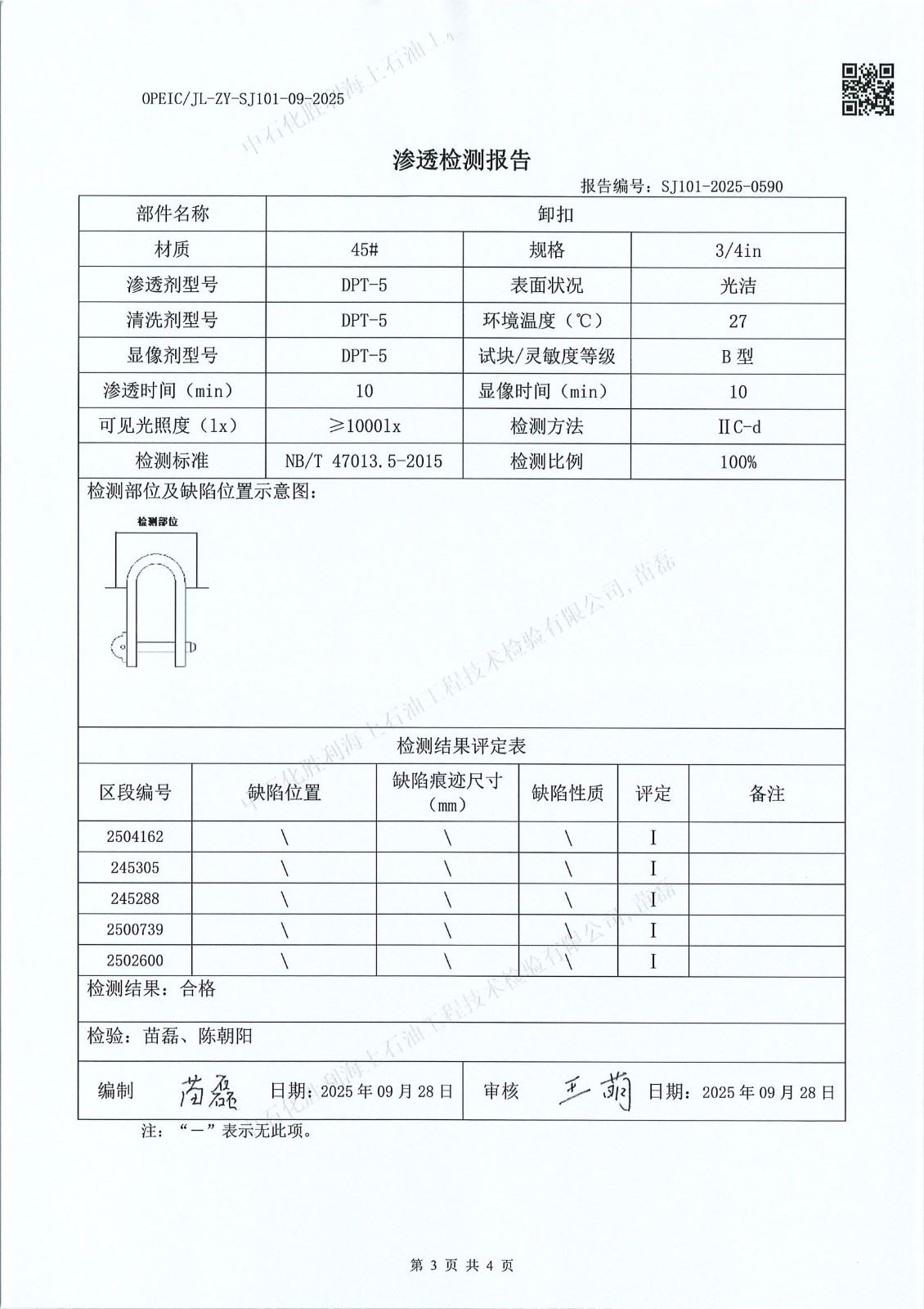
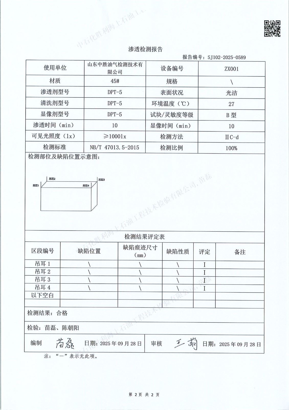
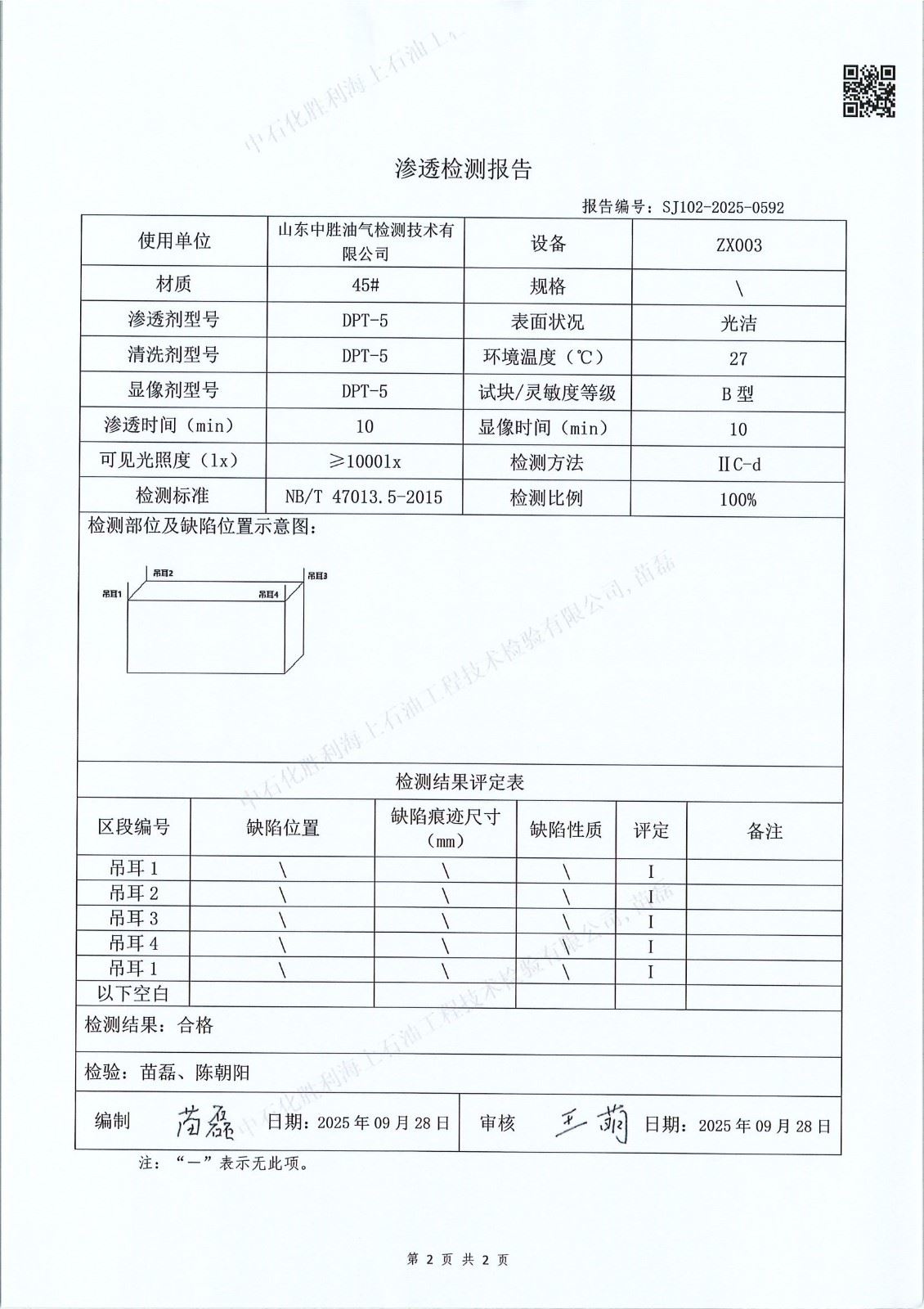
3、报告编号:SJ101-2025-0586-0592(不连号)

        SJ102-2025-0586

4、检验日期:2025年09月22日




信息来源: 
2025-11-20