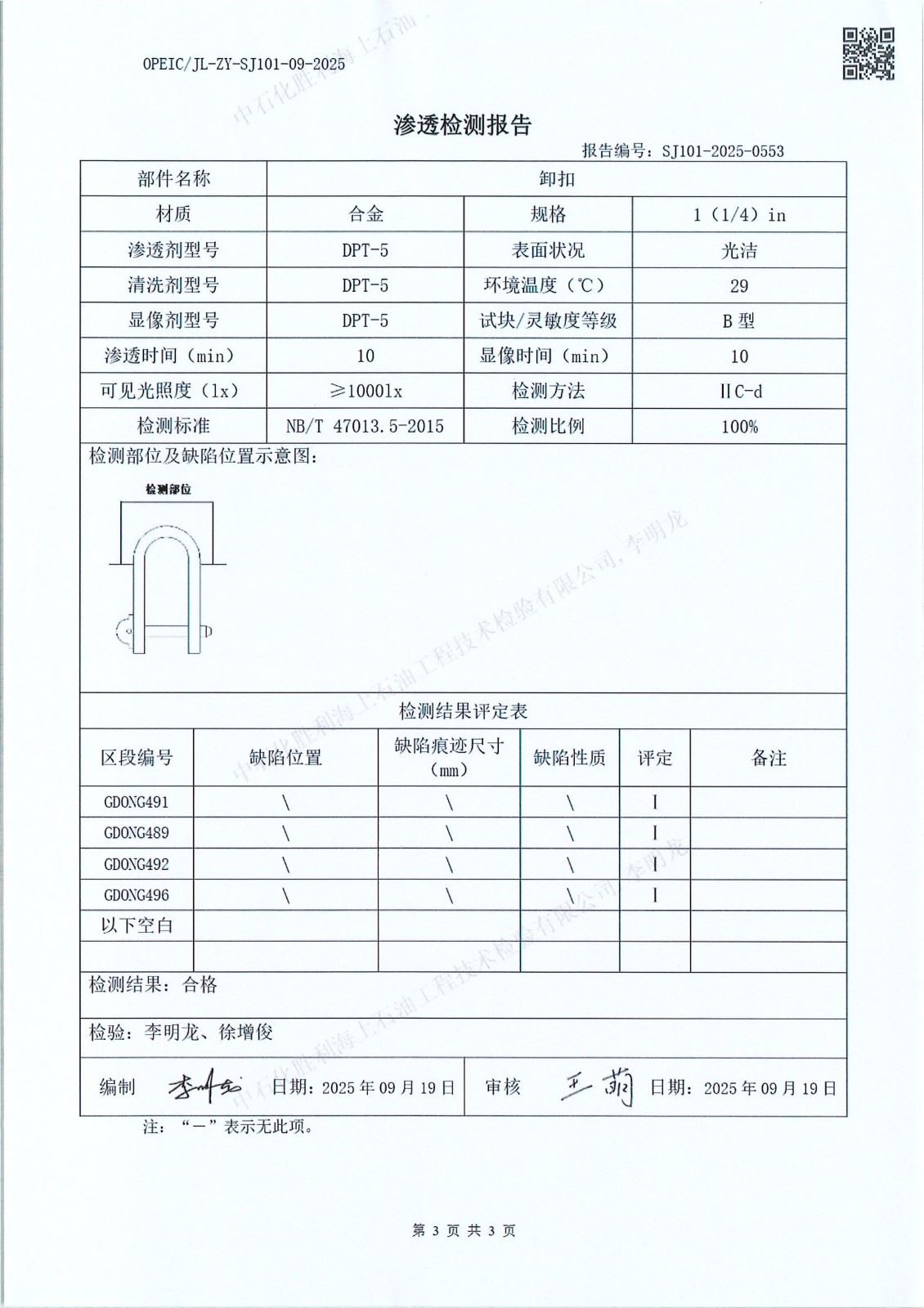
注汽技术服务服务中心孤东注汽项目部系物检测检验报告

中石化胜利海上石油工程技术检验有限公司

2025年度报告公示

1、使用单位: 注汽技术服务服务中心孤东注汽项目部

2、检验内容:系物检测检验报告

3、报告编号:SJ101-2025-0553-0556(不连号)

4、检验日期:2025年09月02日




信息来源: 
2025-11-19