中石化经纬有限公司胜利定向井公司系物、被系物检测检验报告

中石化胜利海上石油工程技术检验有限公司

2025年度报告公示

1、使用单位:中石化经纬有限公司胜利定向井公司

2、检验内容:系物、被系物检测检验报告

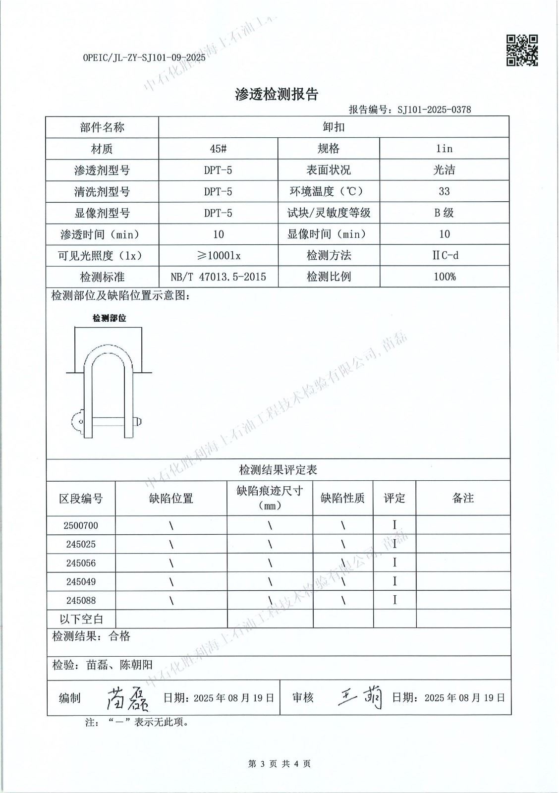
3、报告编号:SJ101-2025-0376、0378

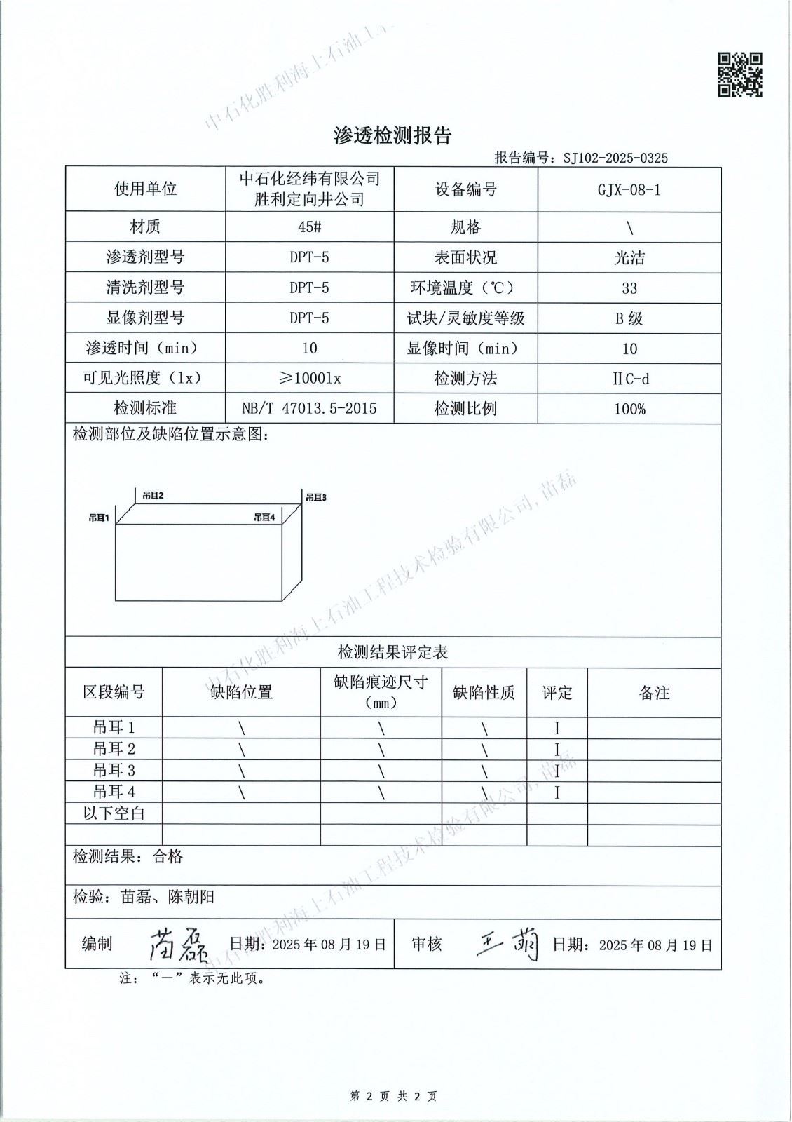
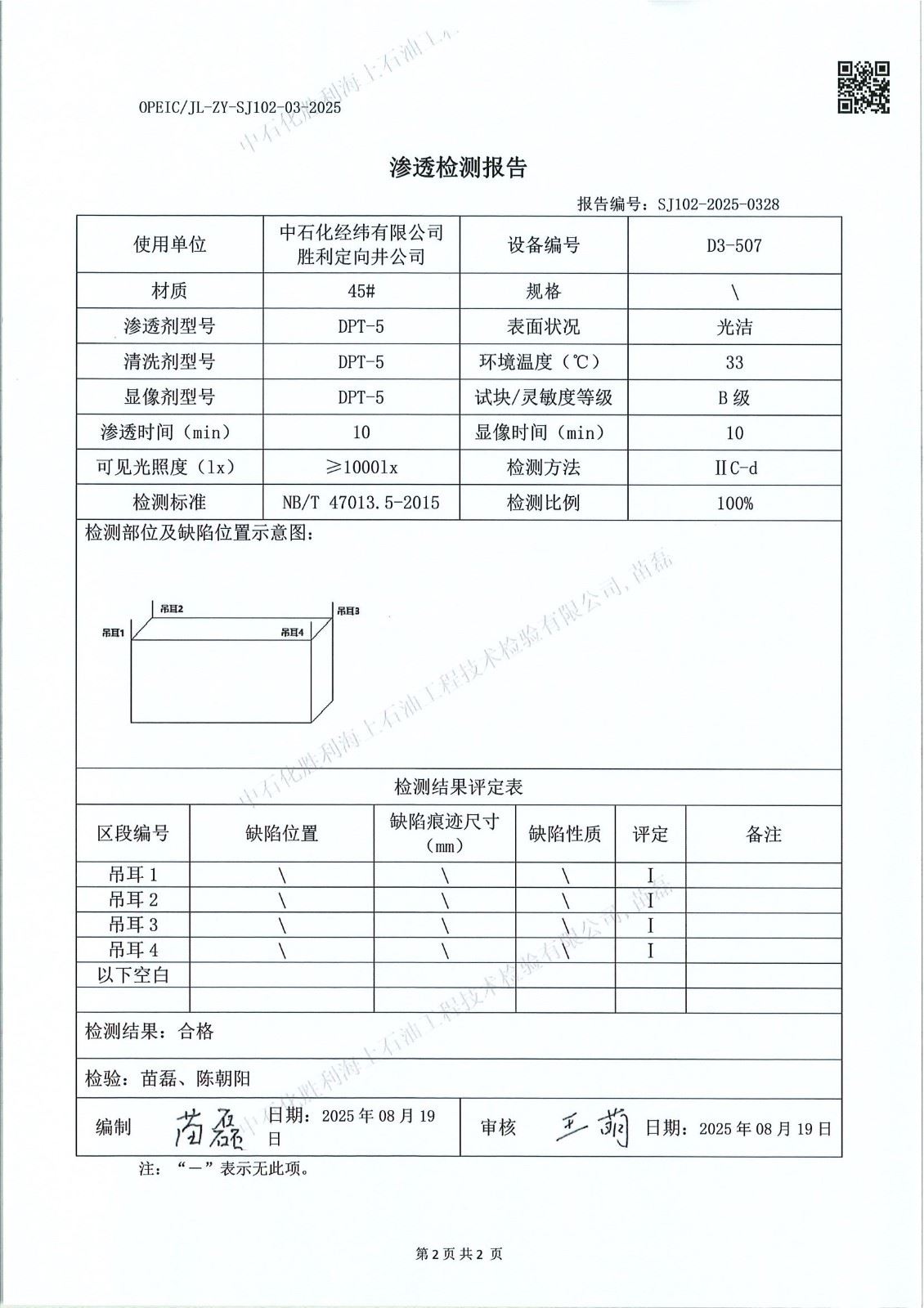
        SJ102-2025-0325、0328

4、检验日期:2025年08月08日




信息来源: 
2025-11-17