河口采油厂采油管理十区单井注水管线检测检验


中石化胜利海上石油工程技术检验有限公司

2025年度报告公示

1、使用单位:河口采油厂采油管理十区

2、检验内容:单井注水管线检测检验

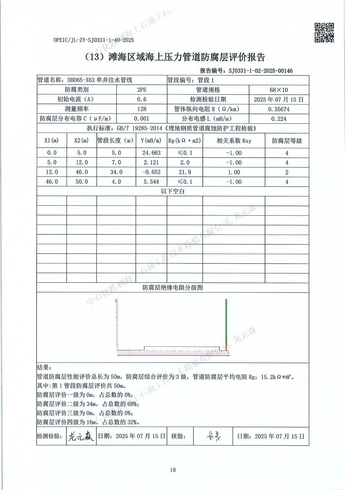
3、报告编号:SJ0331-1-02-2025-00141-00196

4、检验日期:2025年07月15日-07月19日



信息来源: 
2025-10-20