海洋采油厂海三采油管理区系物检测检验报告

中石化胜利海上石油工程技术检验有限公司

2025年度报告公示

1、使用单位:海洋采油厂海三采油管理区

2、检验内容:系物检测检验报告

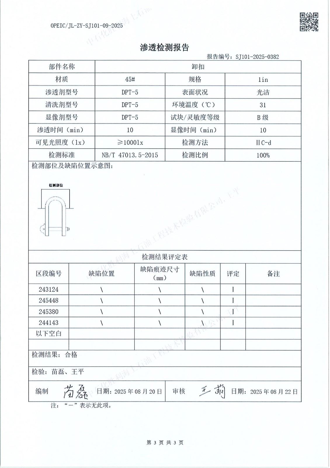
3、报告编号:SJ101-2025-0382

4、检验日期:2025年08月04日


信息来源: 
2025-10-14