中石化经纬有限公司胜利地质录井公司系物、被系物检测检验报告

中石化胜利海上石油工程技术检验有限公司

2025年度报告公示

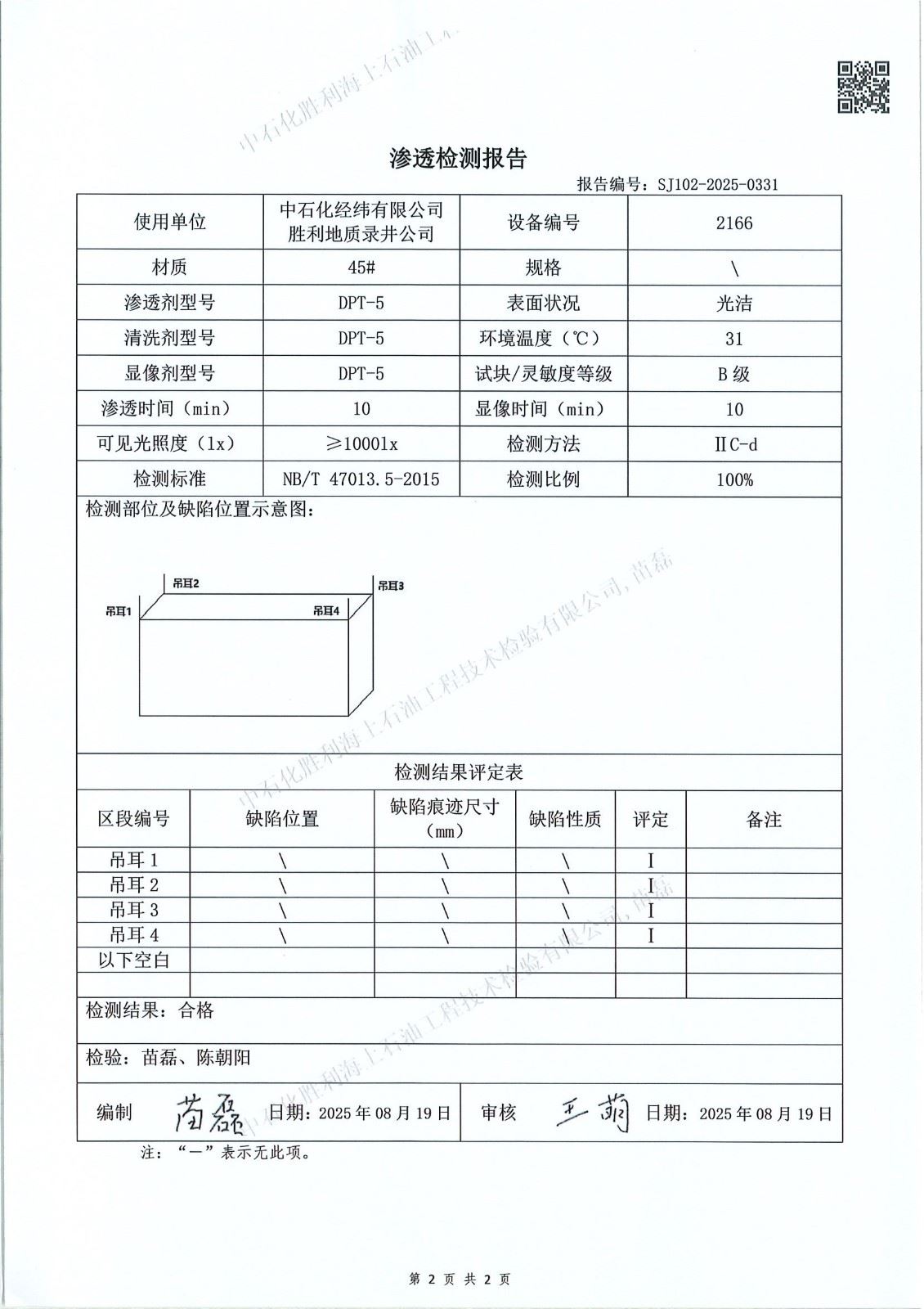
1、使用单位:中石化经纬有限公司胜利地质录井公司

2、检验内容:系物、被系物检测检验报告

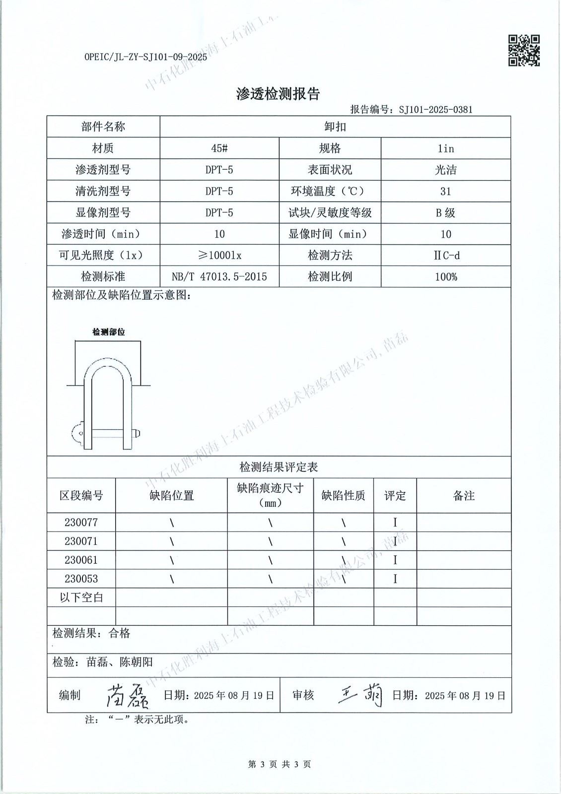
3、报告编号:SJ102-2025-0331  SJ101-2025-0381

4、检验日期:2025年08月04日


信息来源: 
2025-10-14