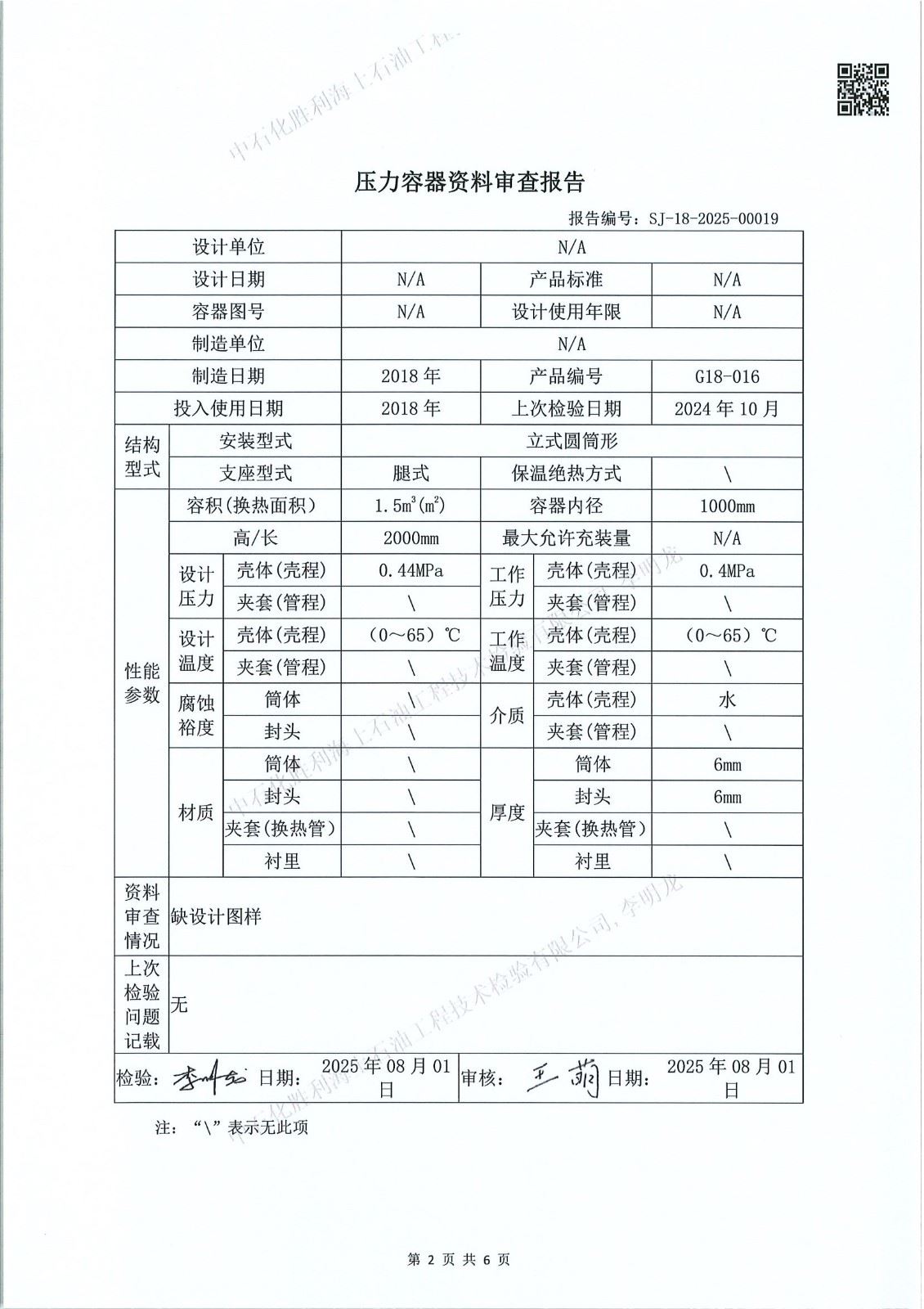
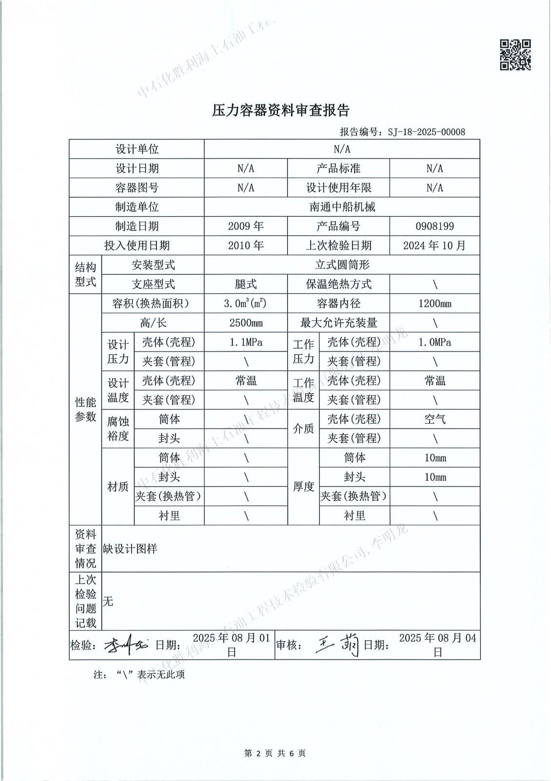
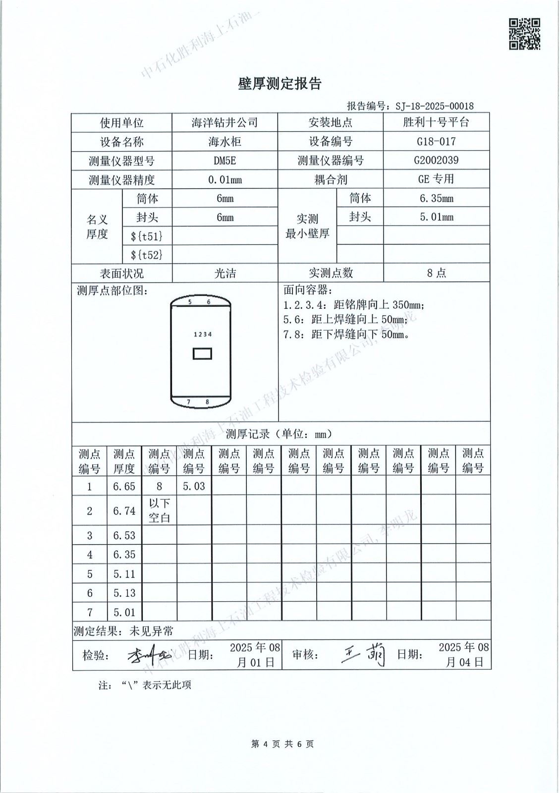
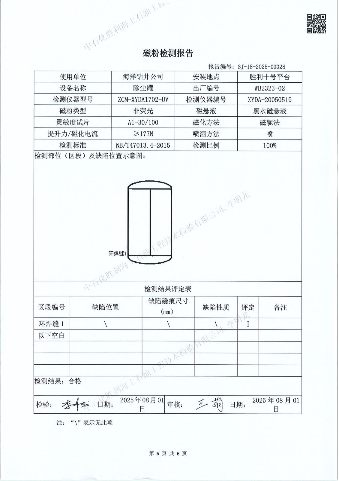
海洋钻井公司胜利十号平台压力容器全面检验报告

中石化胜利海上石油工程技术检验有限公司

2025年度报告公示

1、使用单位:海洋钻井公司胜利十号平台

2、检验内容:压力容器全面检验报告

3、报告编号:SJ-18-2025-00007-0002  SJ-17-2025-00538-00540

4、检验日期:2025年07月12日


信息来源: 
2025-10-14