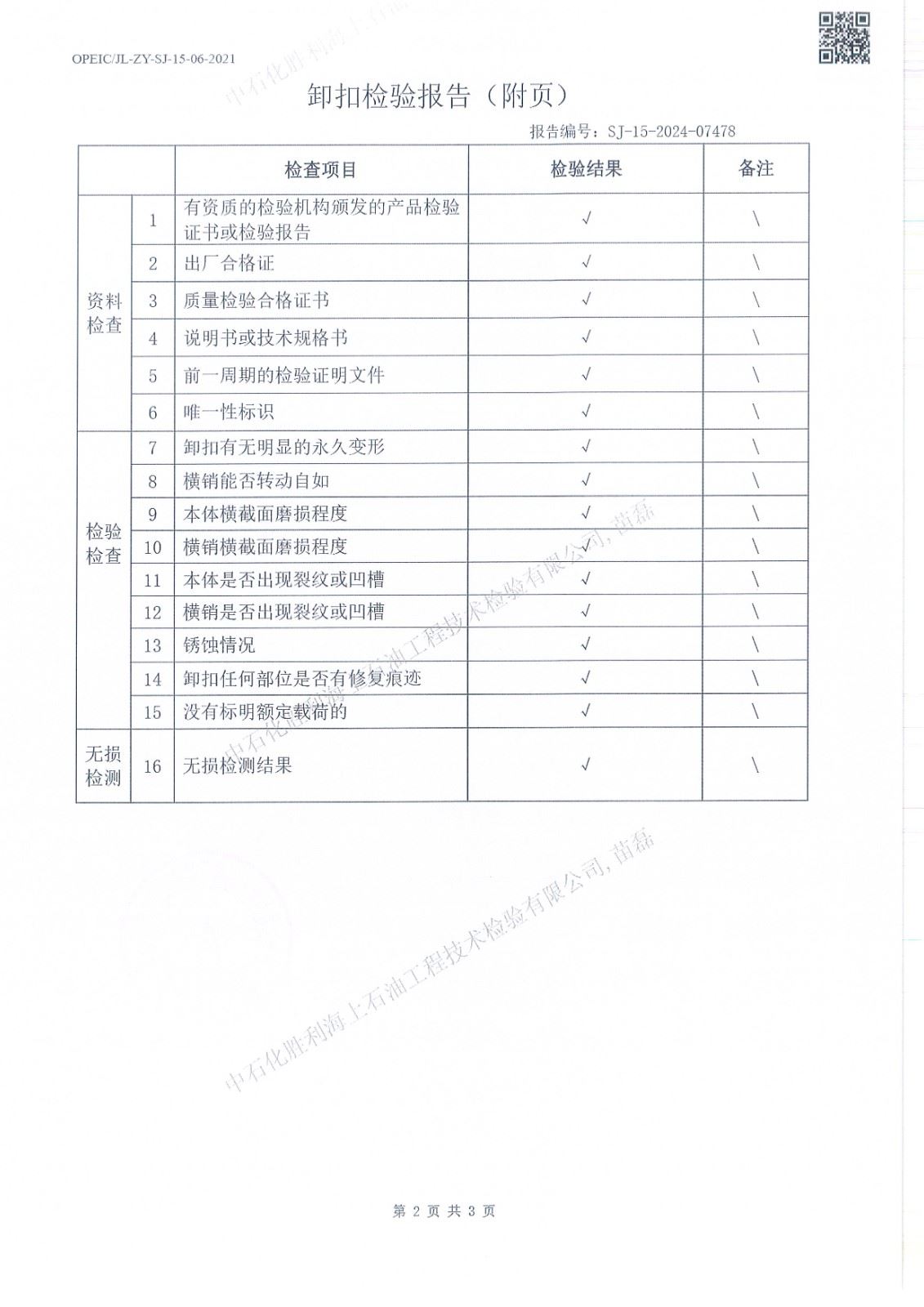
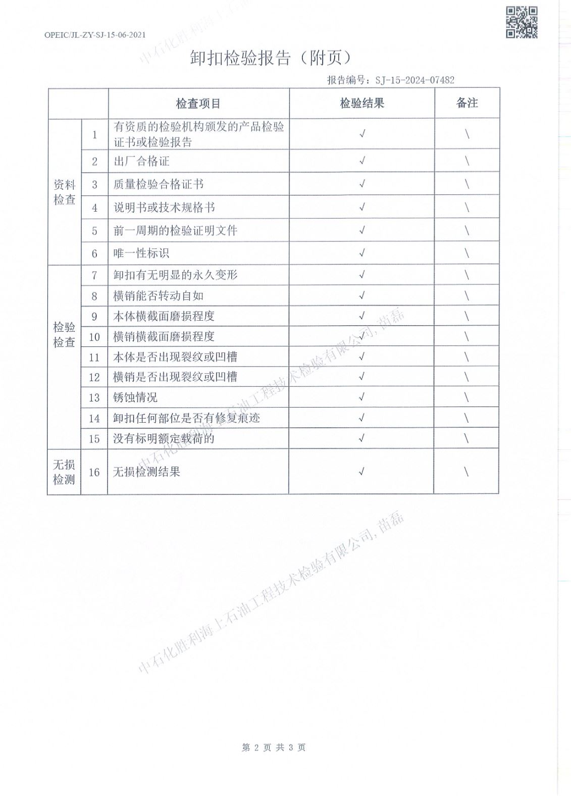
海洋钻井公司生产保障中心(配送队)卸扣检验

中石化胜利海上石油工程技术检验有限公司

2024年度报告公示

1、使用单位:海洋钻井公司生产保障中心(配送队)

2、检验内容:卸扣检验

3、报告编号:SJ-15-2024-(07460-07499)

4、检验日期:2024年11月27日

 



信息来源: 
2024-12-30