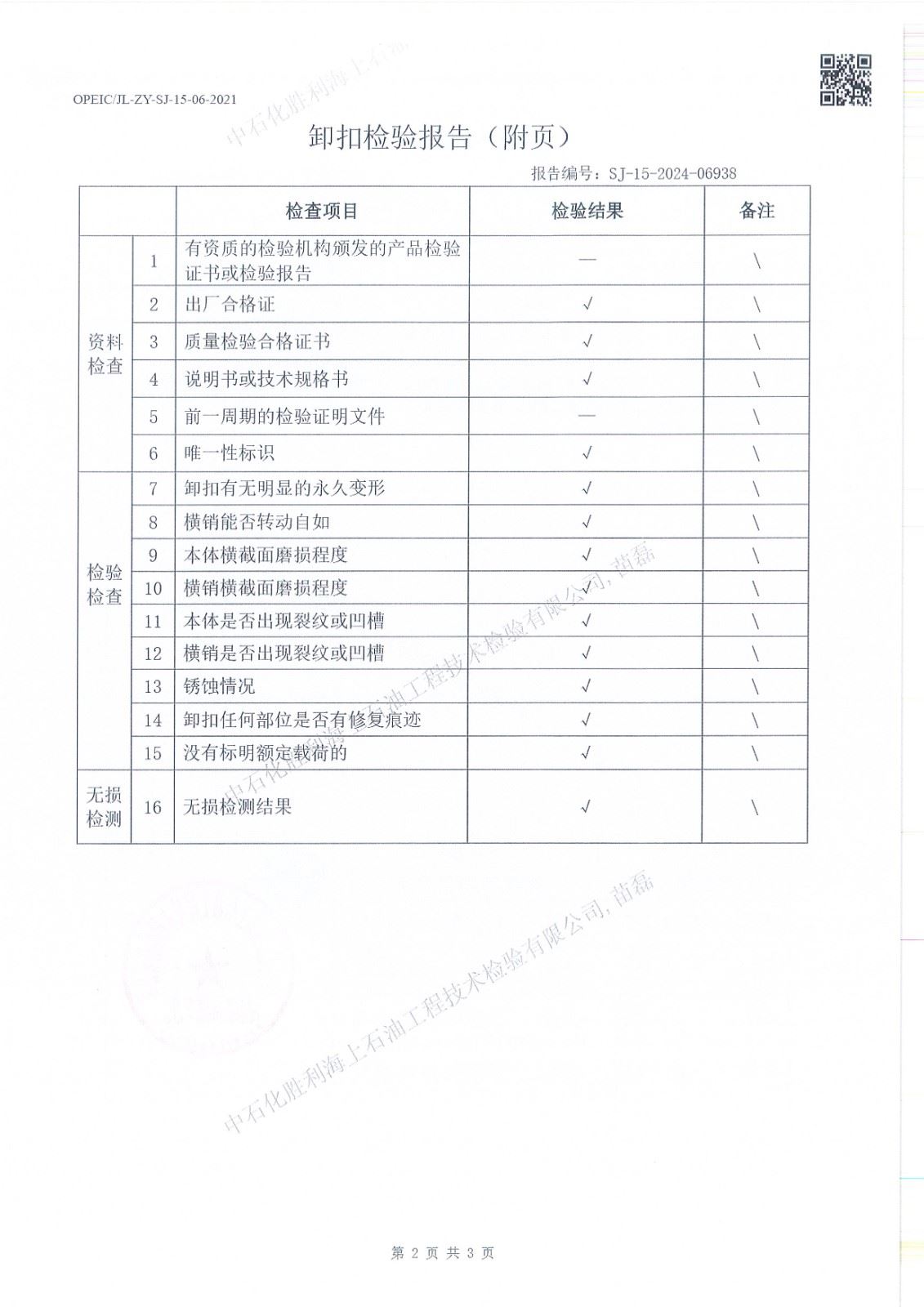
胜利泵业有限公司卸扣检验

中石化胜利海上石油工程技术检验有限公司

2024年度报告公示

1、使用单位:胜利泵业有限公司

2、检验内容:卸扣检验

3、报告编号:SJ-15-2024-(06879-06951)

4、检验日期:2024年11月11日


信息来源: 
2024-12-30