海洋钻井公司新胜利二号卸扣检验

中石化胜利海上石油工程技术检验有限公司

2024年度报告公示

1、使用单位:海洋钻井公司新胜利二号

2、检验内容:卸扣检验

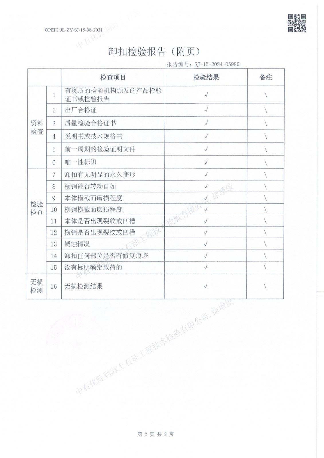
3、报告编号:SJ-15-2024-(05956~05987,05997~06017,06020~06061)

4、检验日期:2024年10月08日

 


信息来源: 
2024-12-06