海洋钻井公司生产保障中心(海港专业库)

中石化胜利海上石油工程技术检验有限公司

2024年度报告公示

1、使用单位:海洋钻井公司生产保障中心(海港专业库)

2、检验内容:钢丝绳类系物检验,箱件检验,卸扣检验

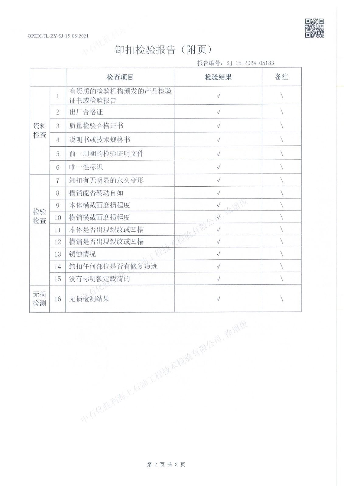
3、报告编号:SJ-15-2024-(05131~05147),SJ-16-2024-(00411~00413),SJ-15-2024-(05148~05218)

4、检验日期:2024年09月13日

 


信息来源: 
2024-11-01