海洋采油厂海四采油管理区卸扣检验

中石化胜利海上石油工程技术检验有限公司

2024年度报告公示

1、使用单位:海洋采油厂海四采油管理区

2、检验内容:卸扣检验

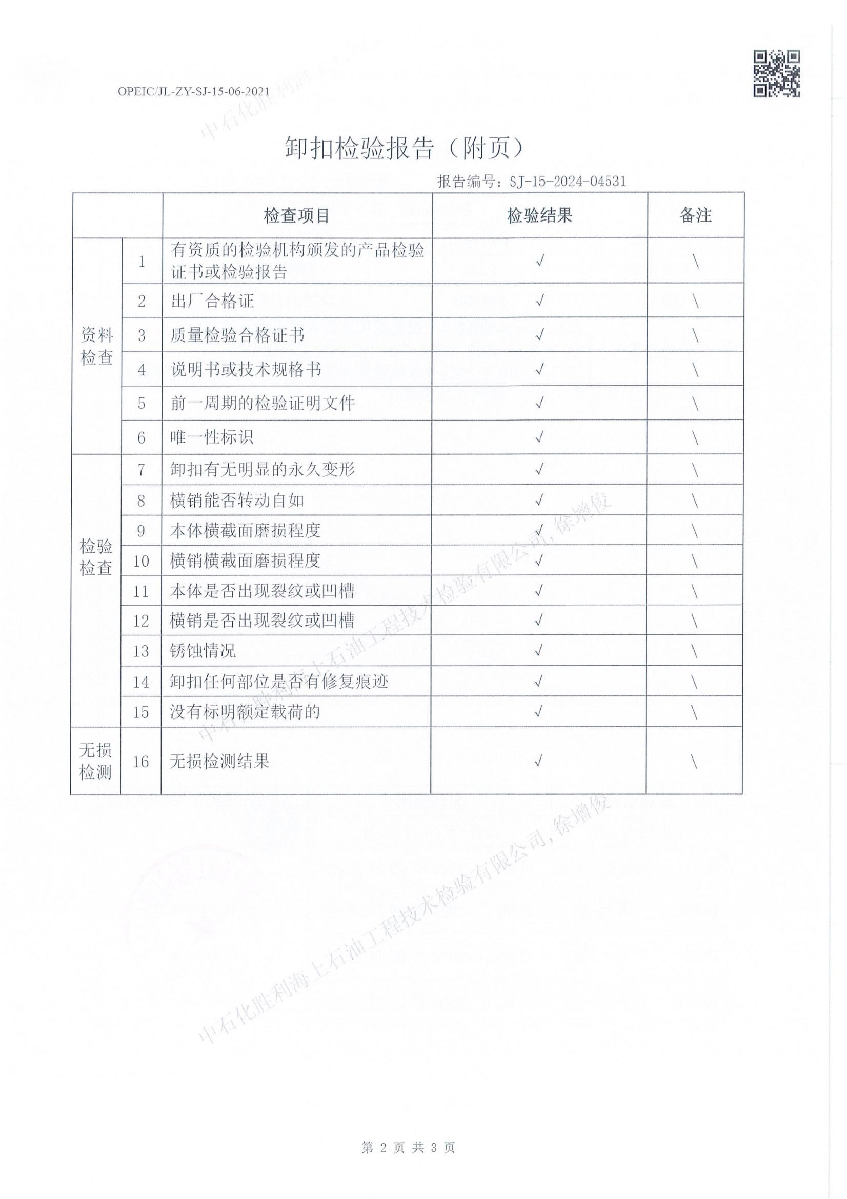
3、报告编号:SJ-15-2024-(04543~04556,04568~04576,04432~04433,04500~04532,04412~04422,04434~04463)

4、检验日期:2024年08月07日



信息来源: 
2024-10-17