胜利泵业有限公司箱件、卸扣检验

中石化胜利海上石油工程技术检验有限公司

2024年度报告公示

1、使用单位:胜利泵业有限公司

2、检验内容:箱件、卸扣检验

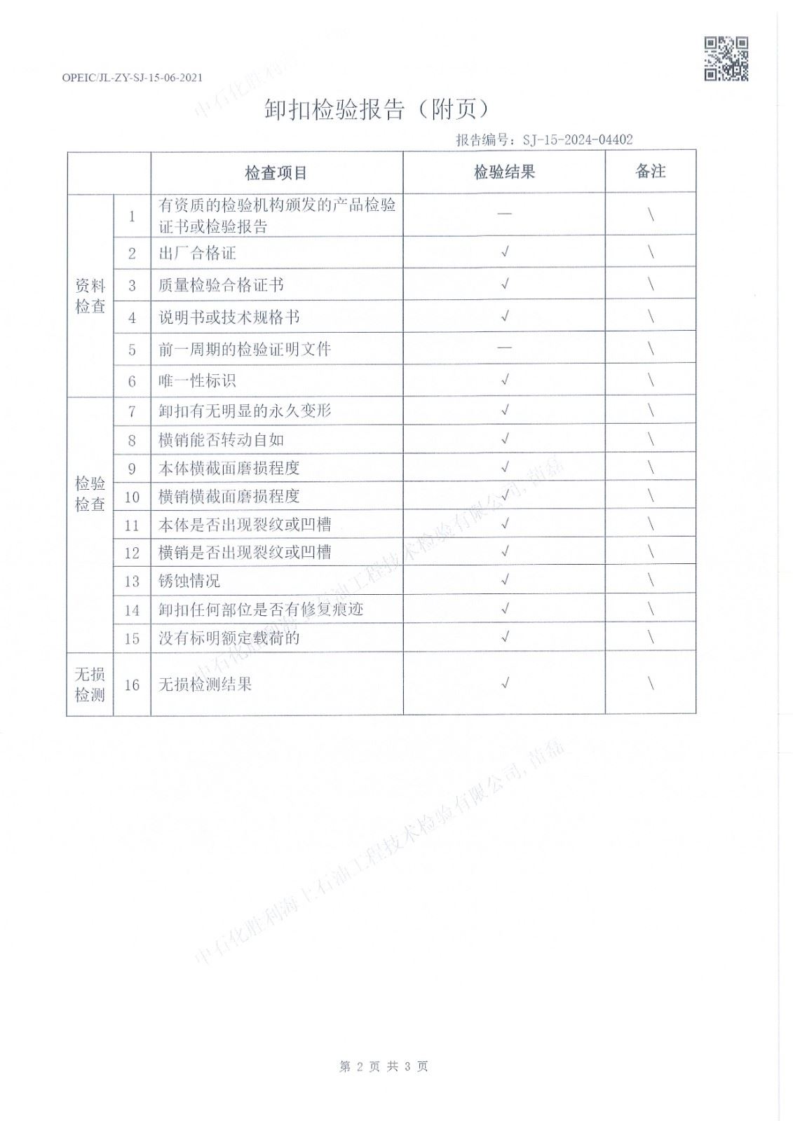
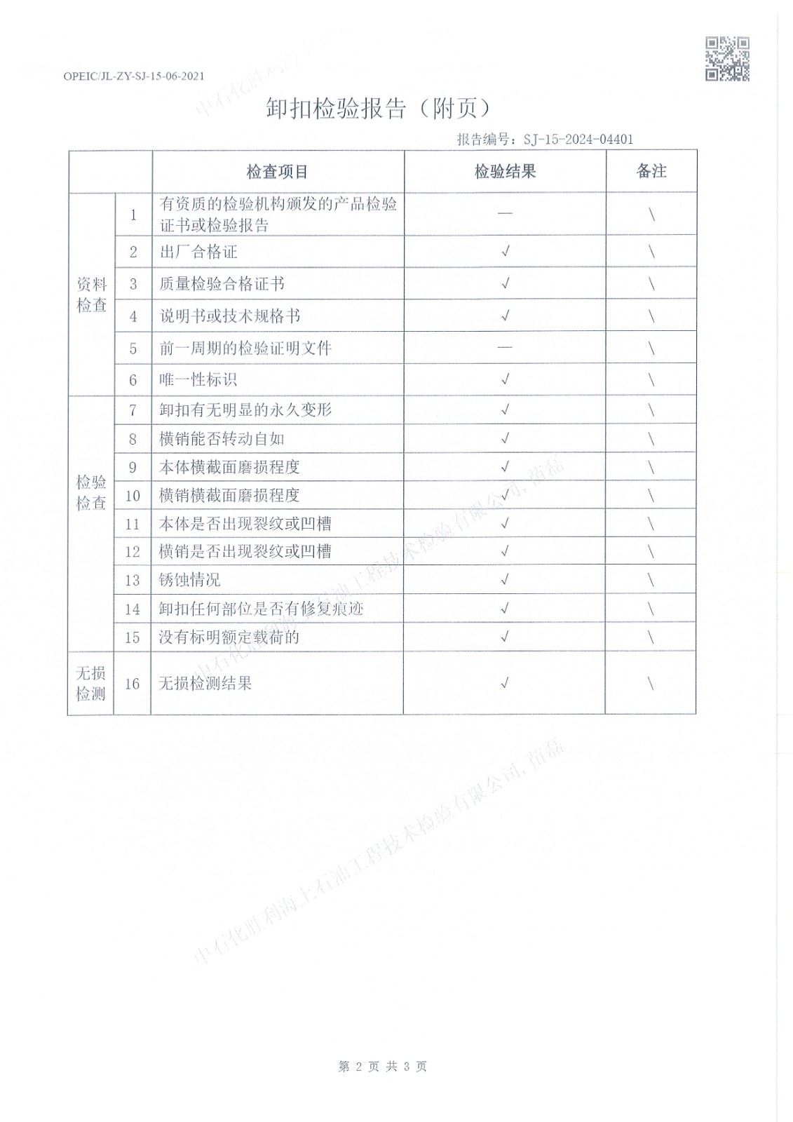
3、报告编号:SJ-16-2024-(00346~00352)、SJ-15-2024-(04401~04431)

4、检验日期:2024年07月31日


信息来源: 
2024-10-16