石油工程技术研究院浅海采油研究所卸扣检验

中石化胜利海上石油工程技术检验有限公司

2024年度报告公示

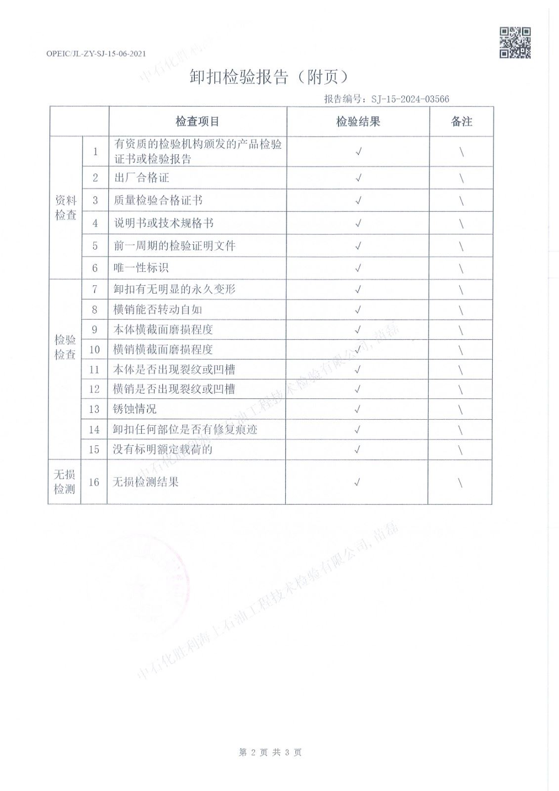
1、使用单位:石油工程技术研究院浅海采油研究所

2、检验内容:卸扣检验

3、报告编号:SJ-15-2024-(03551~03570)

4、检验日期:2024年07月17日


信息来源: 
2024-09-09