胜利泵业有限公司钢丝绳类系物检验,卸扣检验,箱件检验

中石化胜利海上石油工程技术检验有限公司

2024年度报告公示

1、使用单位:胜利泵业有限公司

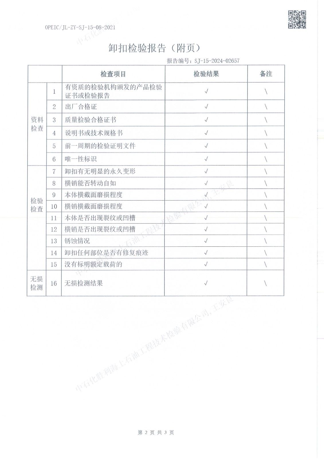
2、检验内容:钢丝绳类系物检验,卸扣检验,箱件检验

3、报告编号:SJ-15-2024-(02629~002638),SJ-15-2024-(02639~02658),SJ-16-2024-(00210~00214)

4、检验日期:2024年05月30日


信息来源: 
2024-07-19