胜利地质录井公司卸扣检验

中石化胜利海上石油工程技术检验有限公司

2024年度报告公示

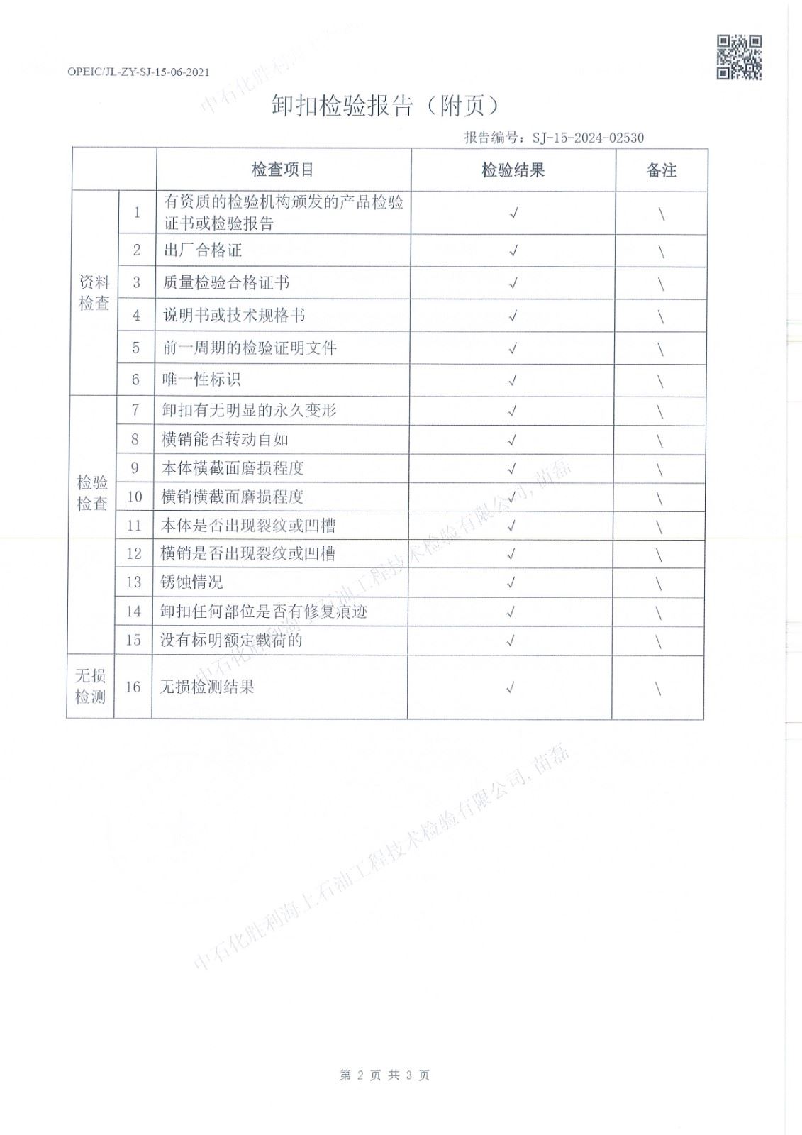
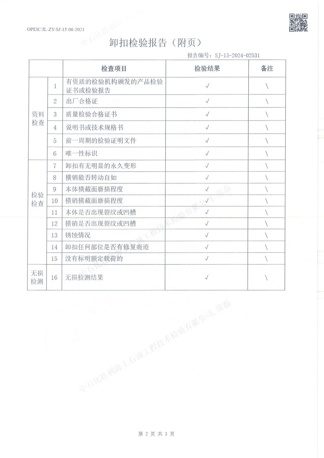
1、使用单位:胜利地质录井公司

2检验内容:卸扣检验

3报告编号:SJ-15-2024-(0250802539

4检验日期:2024521


信息来源: 
2024-07-10