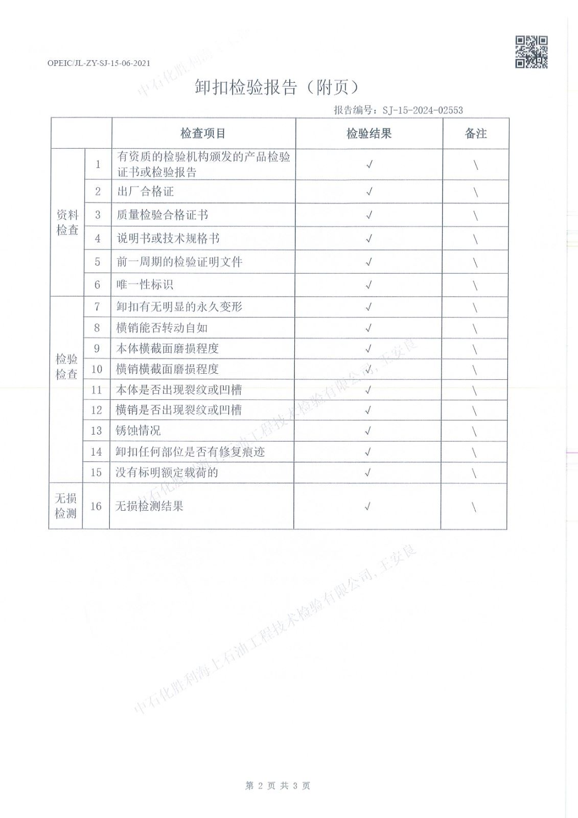
海洋钻井公司生产保障中心(配送队)钢丝绳类系物检验,卸扣检验

中石化胜利海上石油工程技术检验有限公司

2024年度报告公示

1、使用单位:海洋钻井公司生产保障中心(配送队)

2、检验内容:钢丝绳类系物检验,卸扣检验

3、报告编号:SJ-15-2024-02558~SJ-15-2024-02559,SJ-15-2024-02542~SJ-15-2024-02555

4、检验日期:2024年05月27日


信息来源: 
2024-07-03