海洋钻井公司胜利十号平台卸扣检验

中石化胜利海上石油工程技术检验有限公司

2024年度报告公示

1、使用单位:海洋钻井公司胜利十号平台

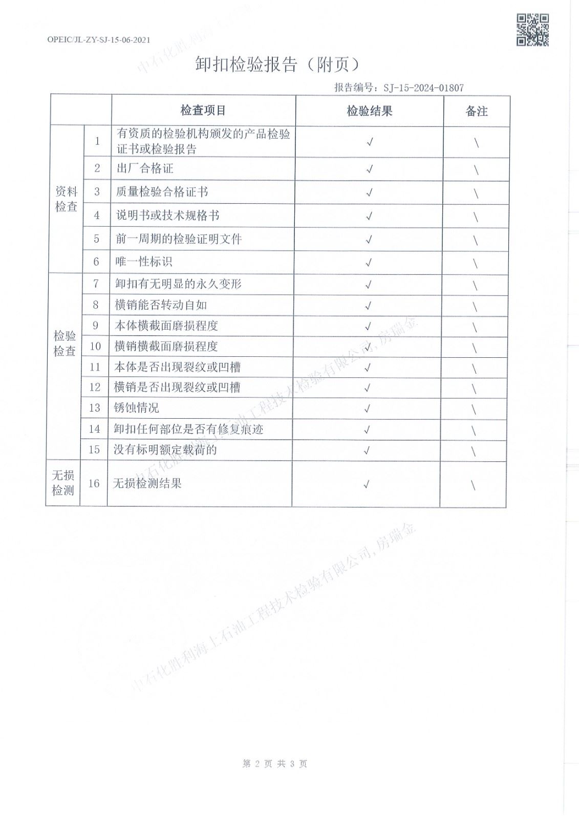
2检验内容:卸扣检验

3报告编号:SJ-15-2024-(0156801917

4检验日期:2024425

信息来源: 
2024-06-19