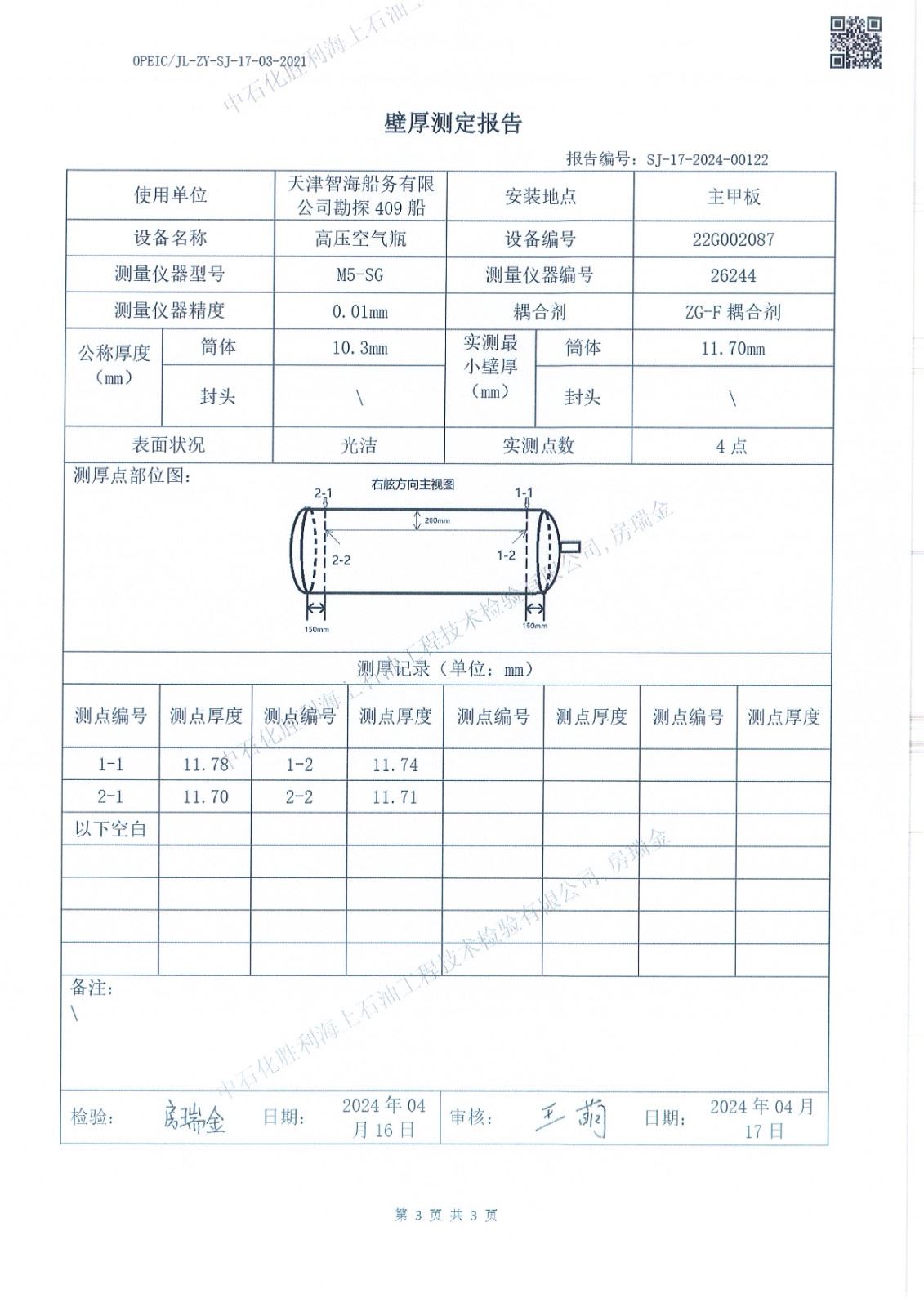
天津智海船务有限公司勘探409船压力容器年度检验

中石化胜利海上石油工程技术检验有限公司

2024年度报告公示

1、使用单位:天津智海船务有限公司勘探409

2检验内容:压力容器年度检验

3报告编号:SJ-17-2024-(0011500143

4检验日期:2024327


信息来源: 
2024-05-30