海洋钻井公司生产保障中心(管具队)箱件检验

中石化胜利海上石油工程技术检验有限公司

2024年度报告公示

1、使用单位:海洋钻井公司生产保障中心(管具队)

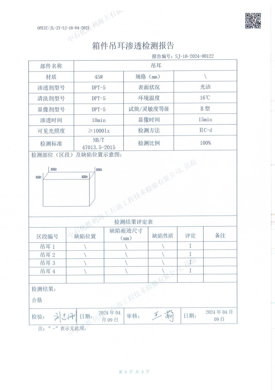
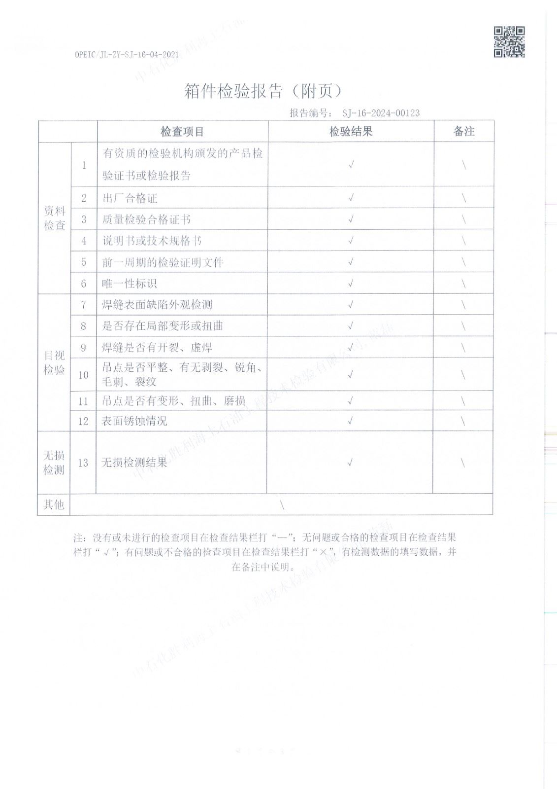
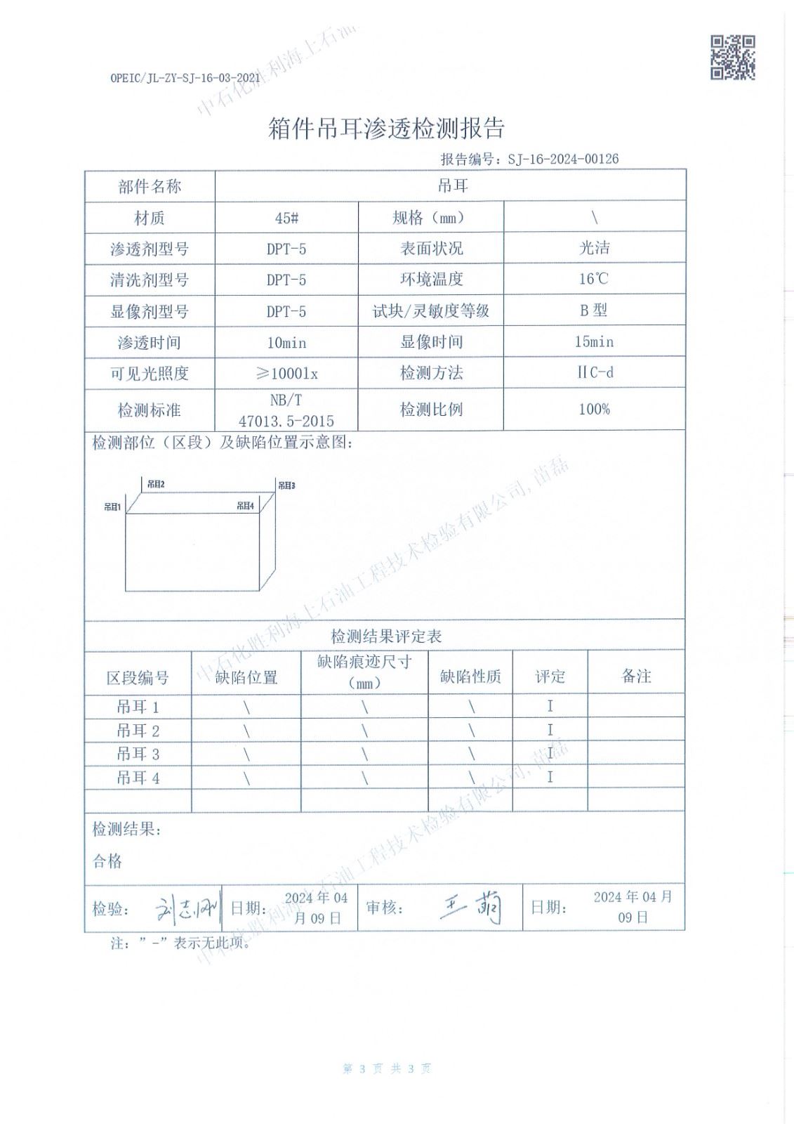
2检验内容:箱件检验

3报告编号:SJ-16-2024-(0012000128

4检验日期:2024327


信息来源: 
2024-05-30