中石化经纬有限公司胜利定向井公司卸扣检验

中石化胜利海上石油工程技术检验有限公司

2024年度报告公示

1、使用单位:中石化经纬有限公司胜利定向井公司

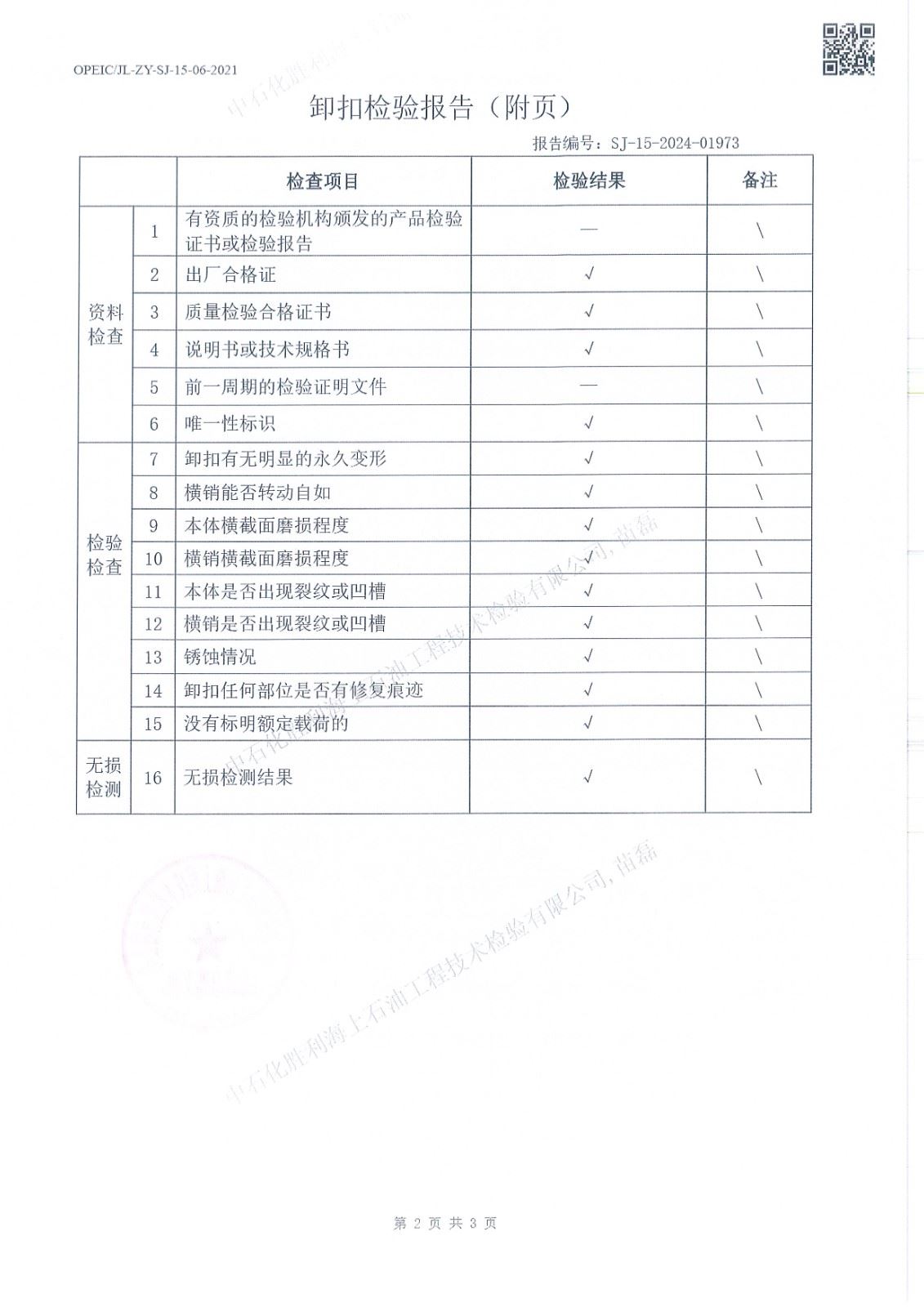
2检验内容:卸扣检验

3报告编号:SJ-15-2024-(0197001973

4检验日期:2024426


信息来源: 
2024-05-29