海洋石油船舶中心内港管理中心(溢油)卸扣检验

中石化胜利海上石油工程技术检验有限公司

2024年度报告公示

1、使用单位:海洋石油船舶中心内港管理中心(溢油)

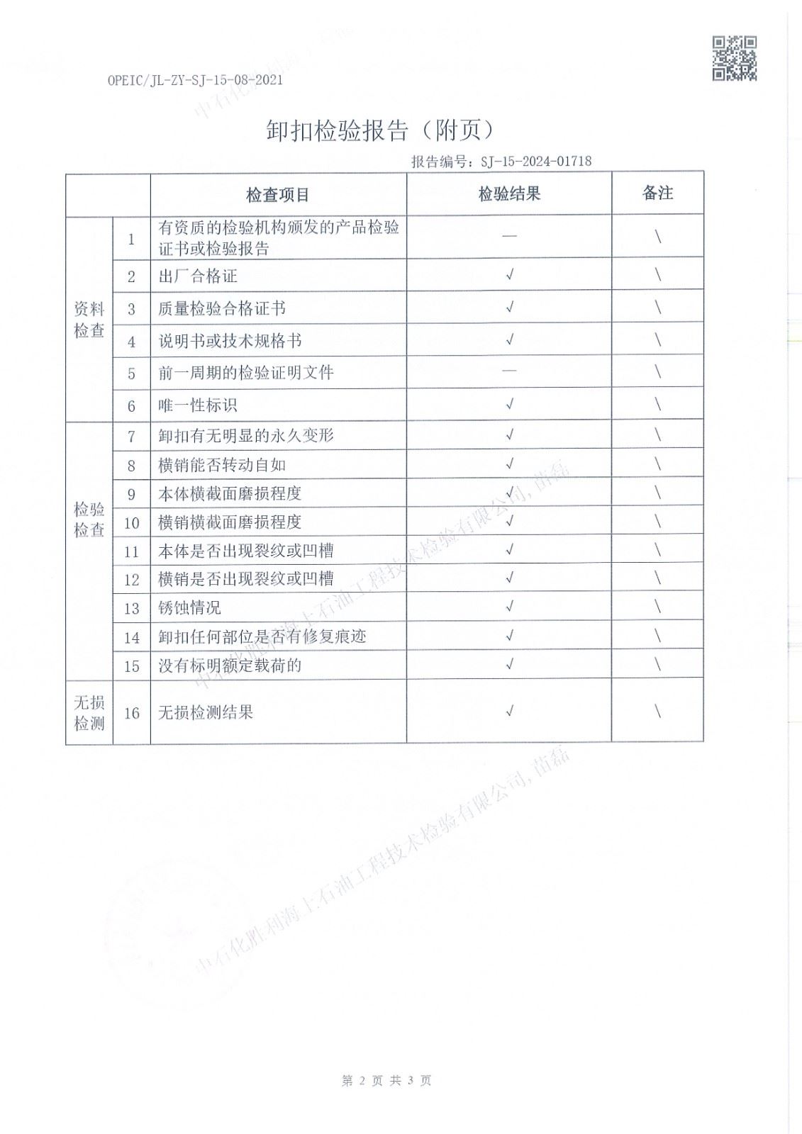
2检验内容:卸扣检验

3报告编号:SJ-15-2024-(0171601745

4检验日期:2024418


信息来源: 
2024-05-29