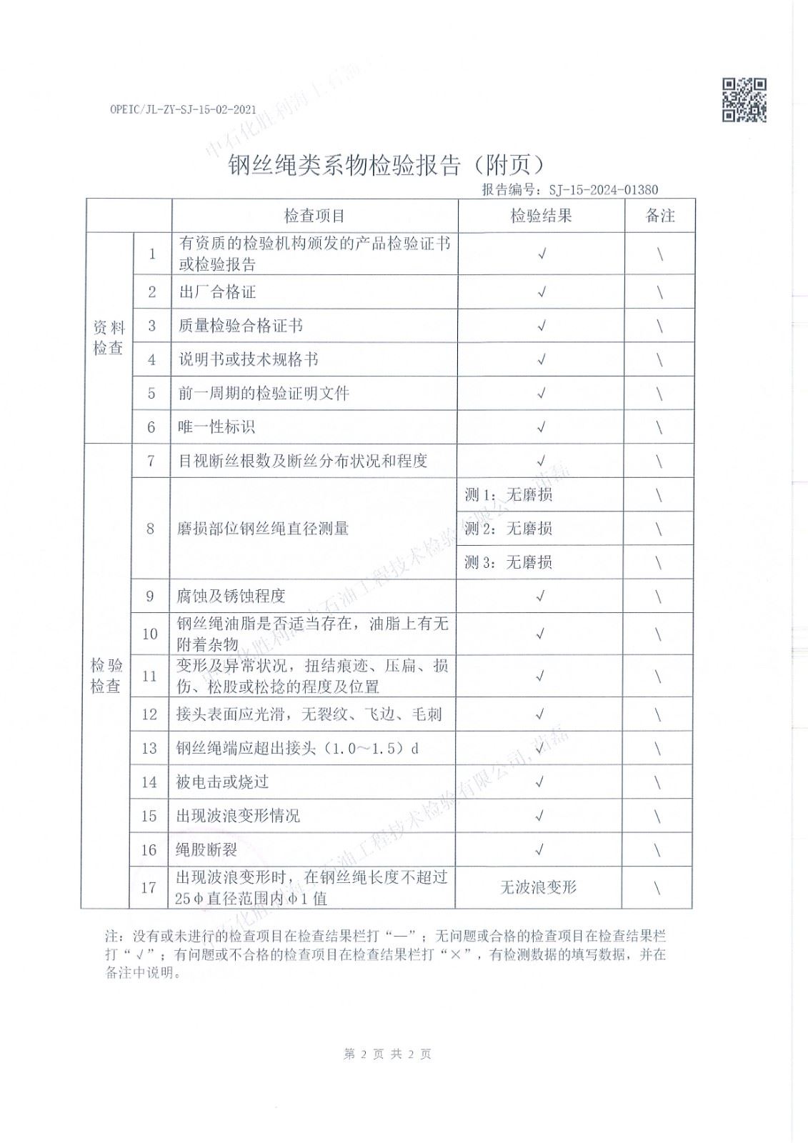
海洋钻井公司生产保障中心(管具队)钢丝绳类系物检验

中石化胜利海上石油工程技术检验有限公司

2024年度报告公示

1、使用单位:海洋钻井公司生产保障中心(管具队)

2检验内容:钢丝绳类系物检验

3报告编号:SJ-15-2024-(01368013690137401413

4检验日期:2024415


信息来源: 
2024-05-21