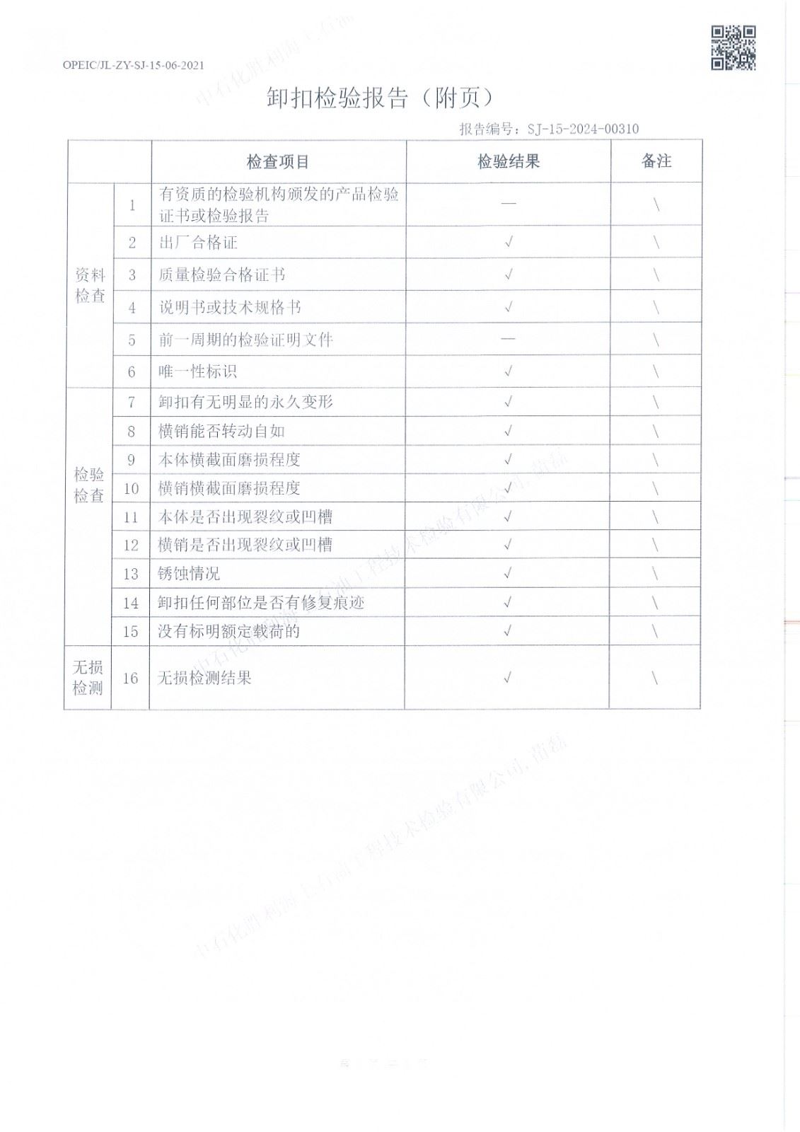
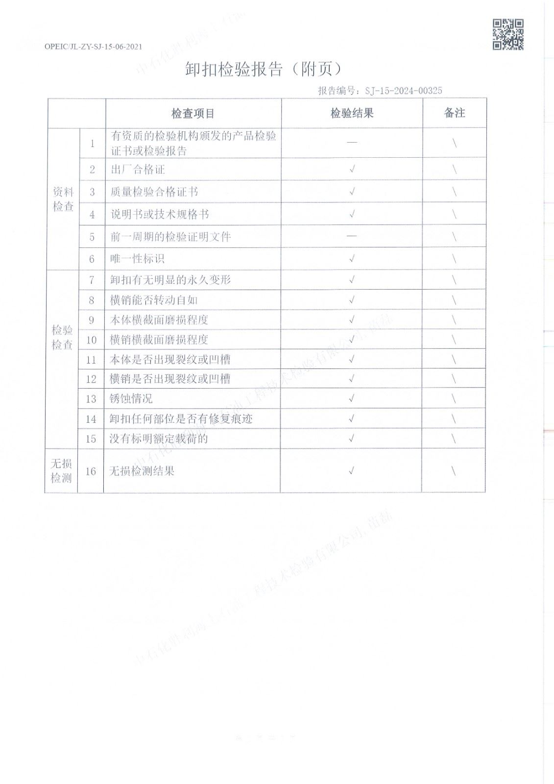
海洋钻井公司海港专业库卸扣检验

中石化胜利海上石油工程技术检验有限公司

2024年度报告公示

1使用单位:海洋钻井公司海港专业库

2检验内容:卸扣检验

3报告编号:SJ-15-2024-(0027800288003100032300325003340037100387

4检验日期:2024319


信息来源: 
2024-05-16