中石化胜利海上石油工程技术检验有限公司
2024年度报告公示
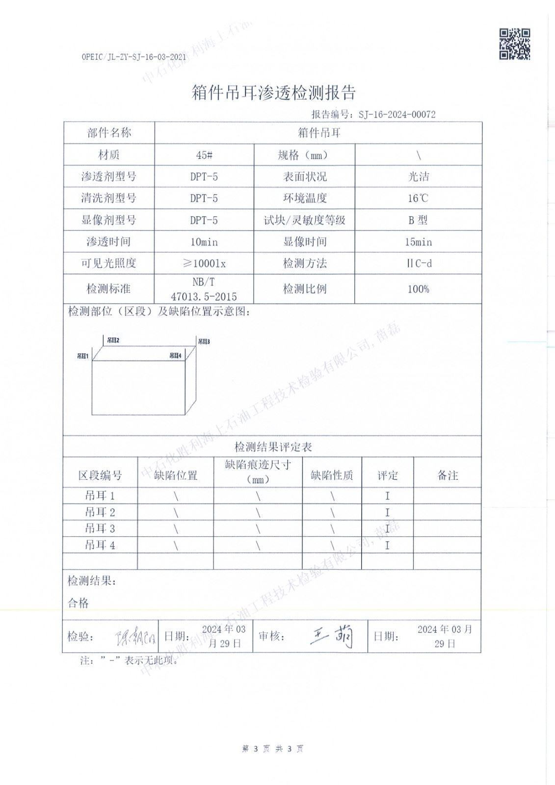
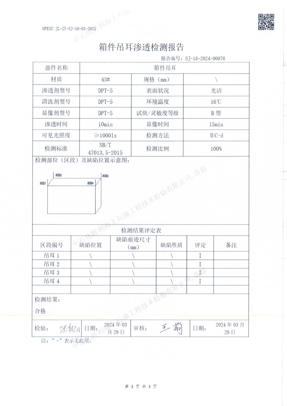
1、使用单位:海洋钻井公司生产保障中心(固井站)
2、检验内容:箱件检验
3、报告编号:SJ-16-2024-00069,SJ-16-2024-00070,SJ-16-2024-00071,SJ-16-2024-00072,SJ-16-2024-00073,SJ-16-2024-00074,SJ-16-2024-00075,SJ-16-2024-00076,SJ-16-2024-00077,SJ-16-2024-00078,SJ-16-2024-00079
4、检验日期:2024年3月21日

































