中石化胜利海上石油工程技术检验有限公司
2024年度报告公示
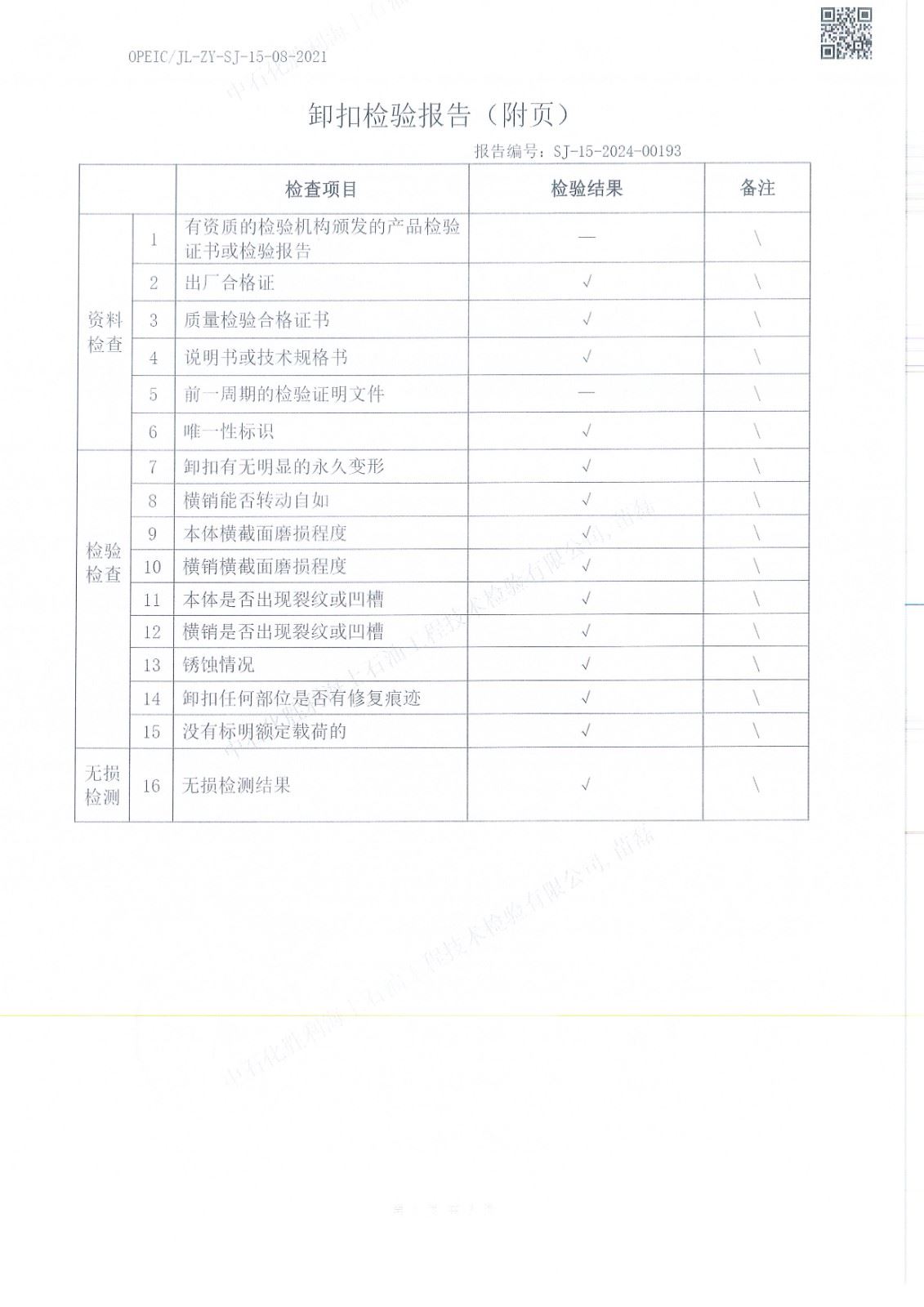
1、使用单位:海洋钻井公司海港专业库
2、检验内容:卸扣检验
3、报告编号:SJ-15-2024-00176,SJ-15-2024-00177,SJ-15-2024-00178,SJ-15-2024-00179,SJ-15-2024-00180,SJ-15-2024-00181,SJ-15-2024-00182,SJ-15-2024-00183,SJ-15-2024-00184,SJ-15-2024-00185,SJ-15-2024-00186,SJ-15-2024-00187,SJ-15-2024-00188,SJ-15-2024-00189,SJ-15-2024-00190,SJ-15-2024-00191,SJ-15-2024-00192,SJ-15-2024-00193,SJ-15-2024-00194,SJ-15-2024-00195,SJ-15-2024-00196,SJ-15-2024-00197,SJ-15-2024-00198,SJ-15-2024-00199,SJ-15-2024-00200,SJ-15-2024-00201,SJ-15-2024-00202,SJ-15-2024-00203
4、检验日期:2024年3月20日




















































































