中石化胜利海上石油工程技术检验有限公司
2024年度报告公示
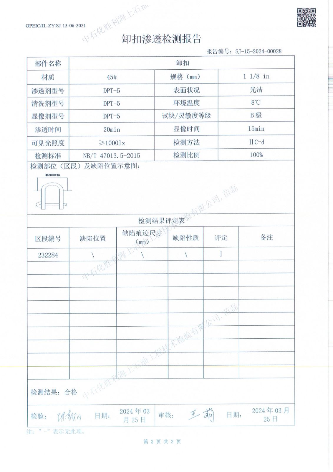
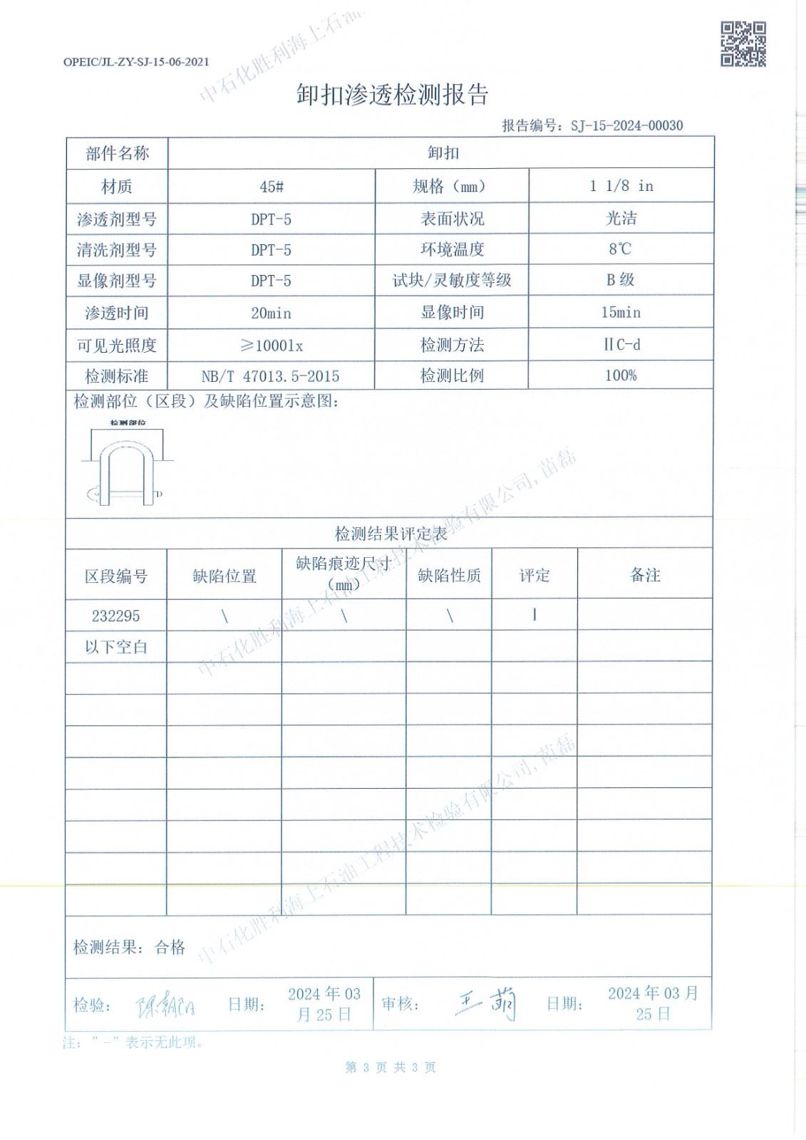
1、使用单位:井下作业公司测试技术中心
2、检验内容:卸扣检验
3、报告编号:SJ-15-2024-00001,SJ-15-2024-00003,SJ-15-2024-00004,SJ-15-2024-00005,SJ-15-2024-00006,SJ-15-2024-00007,SJ-15-2024-00025,SJ-15-2024-00026,SJ-15-2024-00027,SJ-15-2024-00028,SJ-15-2024-00029,SJ-15-2024-00030,SJ-15-2024-00031,SJ-15-2024-00032,SJ-15-2024-00033,SJ-15-2024-00034,SJ-15-2024-00035,SJ-15-2024-00036,SJ-15-2024-00037,SJ-15-2024-00038
4、检验日期:2024年3月7日




























































