中石化胜利海上石油工程技术检验有限公司
2024年度报告公示
1、使用单位:海洋采油厂海三采油管理区
2、检验内容:卸扣检验
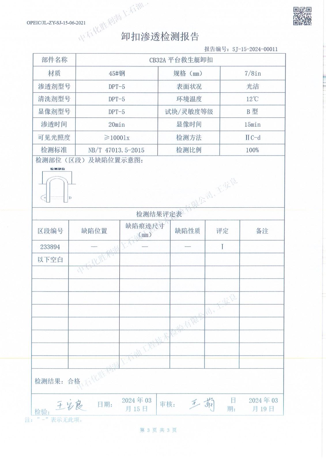
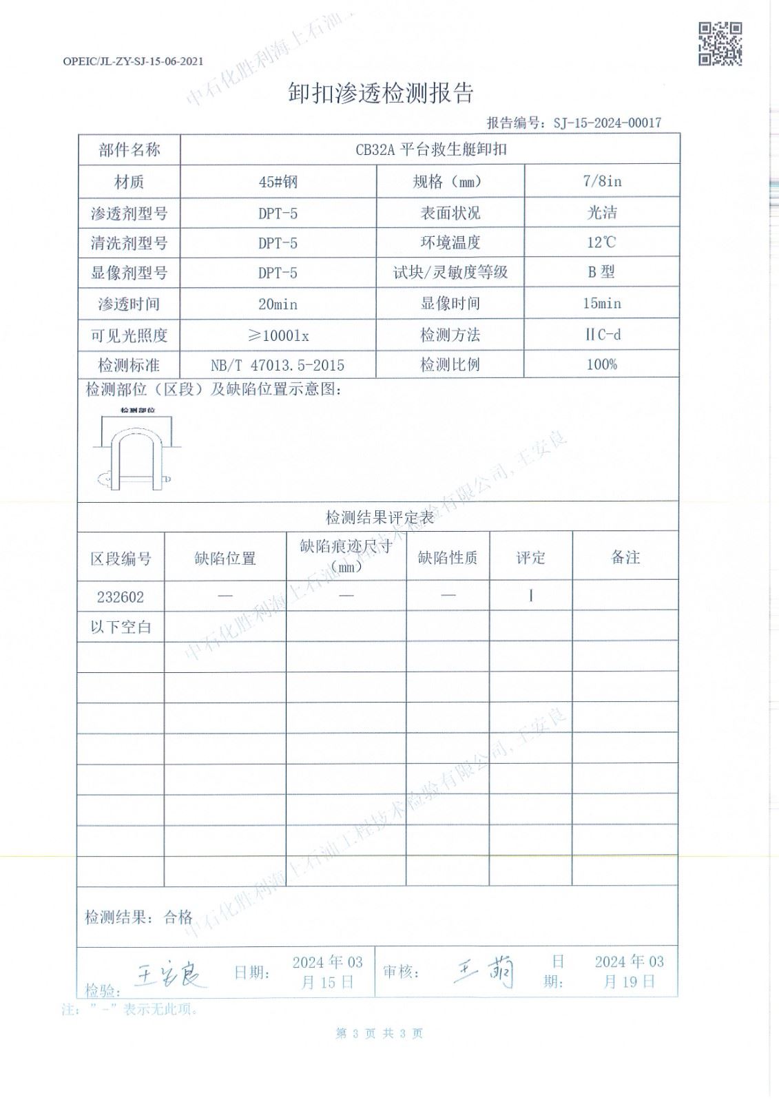
3、报告编号:SJ-15-2024-00002,SJ-07-2024-00008,SJ-07-2024-00009,SJ-07-2024-00010,SJ-07-2024-00011,SJ-07-2024-00012,SJ-07-2024-00013,SJ-07-2024-00014,SJ-07-2024-00015,SJ-07-2024-00016,SJ-07-2024-00017,SJ-07-2024-00018,SJ-07-2024-00019,SJ-07-2024-00020,SJ-07-2024-00021,SJ-07-2024-00022,SJ-07-2024-00023,SJ-07-2024-00024
4、检验日期:2024年3月13日







































































