中石化胜利海上石油工程技术检验有限公司
2024年度报告公示
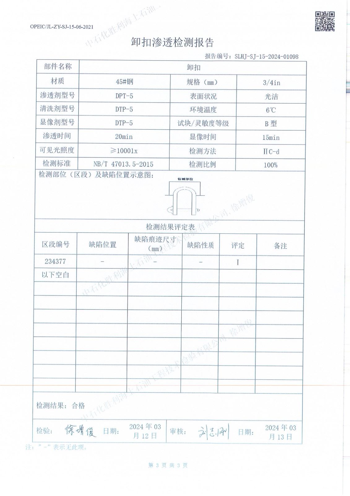
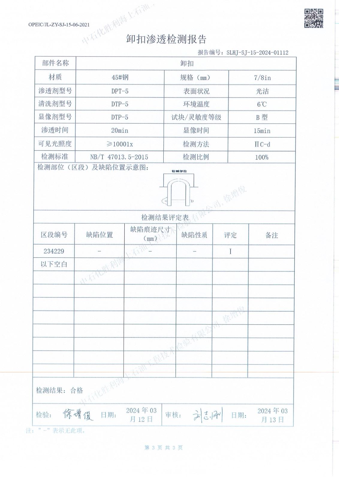
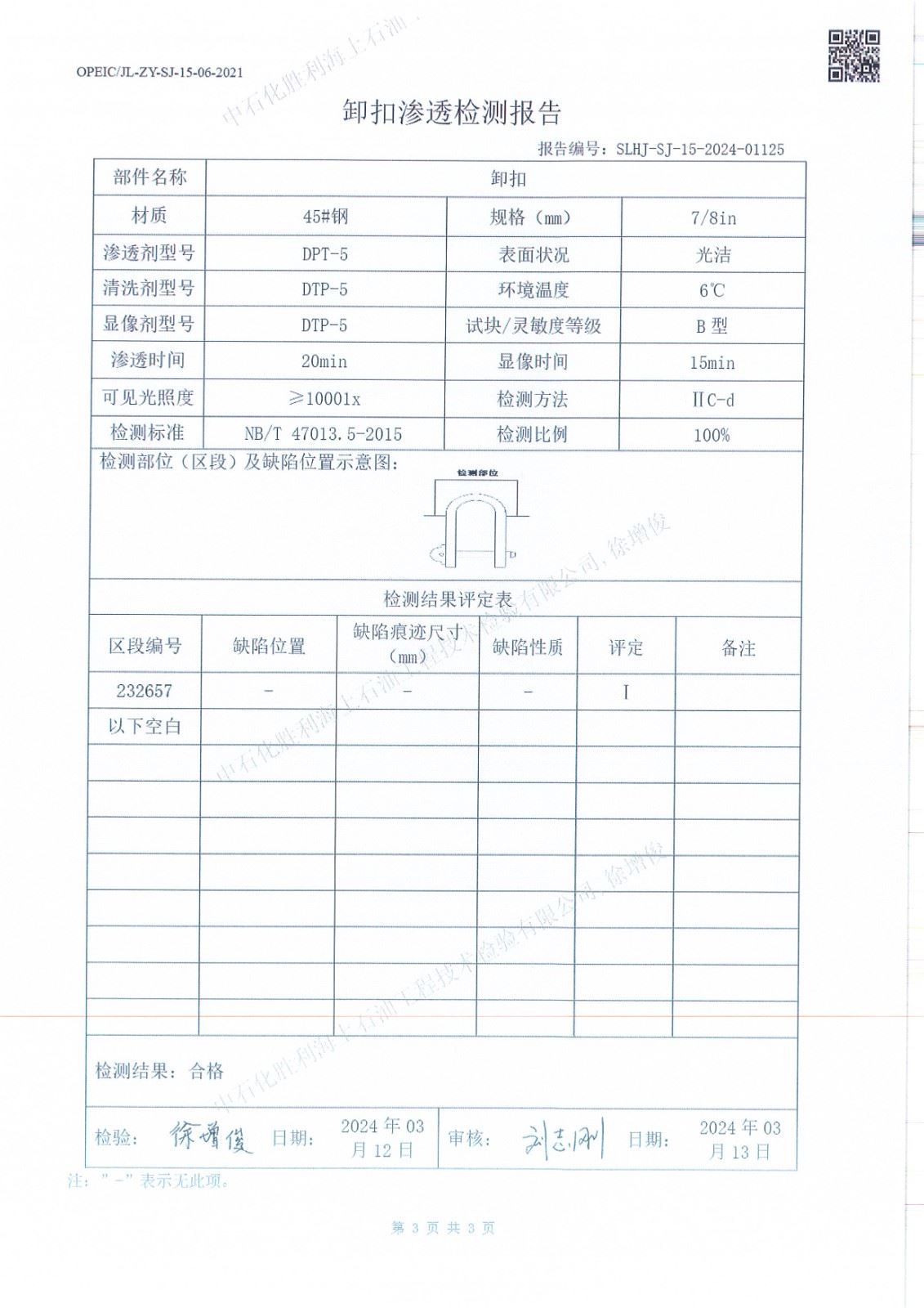
1、使用单位:海洋采油厂海四采油管理区
2、检验内容:卸扣检验
3、报告编号:SLHJ-SJ-15-2024-01084,SLHJ-SJ-15-2024-01085,SLHJ-SJ-15-2024-01086,SLHJ-SJ-15-2024-01087,SLHJ-SJ-15-2024-01088,SLHJ-SJ-15-2024-01089,SLHJ-SJ-15-2024-01090,SLHJ-SJ-15-2024-01091,SLHJ-SJ-15-2024-01092,SLHJ-SJ-15-2024-01093,SLHJ-SJ-15-2024-01094,SLHJ-SJ-15-2024-01095,SLHJ-SJ-15-2024-01096,SLHJ-SJ-15-2024-01097,SLHJ-SJ-15-2024-01098,SLHJ-SJ-15-2024-01099,SLHJ-SJ-15-2024-01100,SLHJ-SJ-15-2024-01101,SLHJ-SJ-15-2024-01102,SLHJ-SJ-15-2024-01103,SLHJ-SJ-15-2024-01104,SLHJ-SJ-15-2024-01105,SLHJ-SJ-15-2024-01106,SLHJ-SJ-15-2024-01107,SLHJ-SJ-15-2024-01108,SLHJ-SJ-15-2024-01109,SLHJ-SJ-15-2024-01110,SLHJ-SJ-15-2024-01111,SLHJ-SJ-15-2024-01112,SLHJ-SJ-15-2024-01113,SLHJ-SJ-15-2024-01114,SLHJ-SJ-15-2024-01115,
SLHJ-SJ-15-2024-01116,SLHJ-SJ-15-2024-01117,SLHJ-SJ-15-2024-01118,SLHJ-SJ-15-2024-01119,SLHJ-SJ-15-2024-01120,SLHJ-SJ-15-2024-01121,SLHJ-SJ-15-2024-01122,SLHJ-SJ-15-2024-01123,SLHJ-SJ-15-2024-01124,
SLHJ-SJ-15-2024-01125,SLHJ-SJ-15-2024-01126,SLHJ-SJ-15-2024-01127,SLHJ-SJ-15-2024-01128,SLHJ-SJ-15-2024-01129,SLHJ-SJ-15-2024-01130,SLHJ-SJ-15-2024-01131,SLHJ-SJ-15-2024-01132
4、检验日期:2024年2月29日
























































































































































