中石化胜利海上石油工程技术检验有限公司
2024年度报告公示
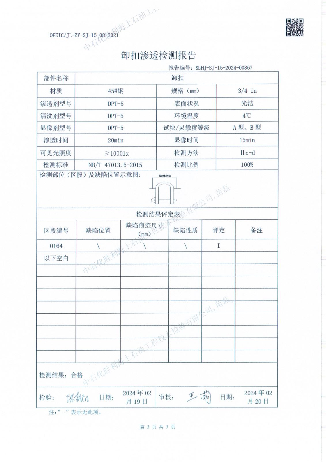
1、使用单位:石油工程技术研究院注水工艺研究所
2、检验内容:卸扣检验
3、报告编号:SLHJ-SJ-15-2024-00852,SLHJ-SJ-15-2024-00853,SLHJ-SJ-15-2024-00854,SLHJ-SJ-15-2024-00855,SLHJ-SJ-15-2024-00856,SLHJ-SJ-15-2024-00857,SLHJ-SJ-15-2024-00858,SLHJ-SJ-15-2024-00859,SLHJ-SJ-15-2024-00860,SLHJ-SJ-15-2024-00861,SLHJ-SJ-15-2024-00862,SLHJ-SJ-15-2024-00863,SLHJ-SJ-15-2024-00864,SLHJ-SJ-15-2024-00865,SLHJ-SJ-15-2024-00866,SLHJ-SJ-15-2024-00867,SLHJ-SJ-15-2024-00868,SLHJ-SJ-15-2024-00869,SLHJ-SJ-15-2024-00870,SLHJ-SJ-15-2024-00871
4、检验日期:2024年2月5日




























































